Why does the 4X4 switch does not light up

Tiny
JOSEMARCOS
  • MEMBER
  • 2000 CHEVROLET BLAZER
  • 6 CYL
  • 4WD
  • AUTOMATIC
  • 69,213 MILES
Why does the 4x4 switch does not light up only flash but does stay stable.
Tuesday, December 15th, 2009 AT 8:27 PM

1 Reply

Tiny
SQM
  • MECHANIC
  • 6,383 POSTS
Hello,

If the switch does not light up, but the vehicle actually engages to four-wheel drive, then the issue is a bad switch.

If the light flashes and the vehicle does not engage 4x4 then the issue could be a faulty transfer case control module.
This can also be due to bad wiring.

Please let me know what you are experiencing.

https://www.2carpros.com/articles/automatic-transmission-problems

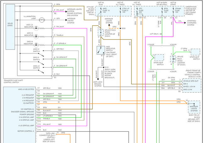
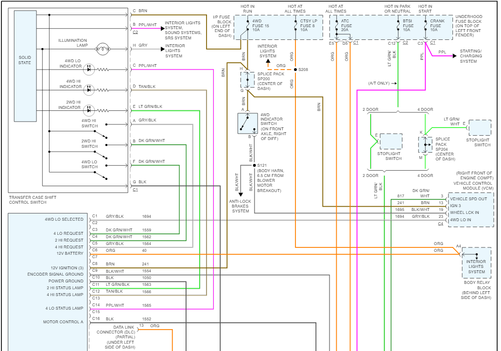
I have attached diagrams for your reference.

Please let me know if you have any questions.
Thank you.
Was this
answer
helpful?
Yes
No
Monday, October 25th, 2021 AT 11:21 PM

Please login or register to post a reply.