Notes
REMOVAL PROCEDURE
CAUTION: Refer to Battery Disconnect Caution in Cautions and Notices.

Disconnect the battery negative cable.
Raise and suitably support the vehicle. Refer to Lifting and Jacking the Vehicle
Remove the front tire and wheel assembly from the right side of the vehicle.
Remove the differential carrier shield mounting bolts, if equipped.
Remove the differential carrier shield, if equipped.

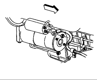
Remove the wires from the solenoid.

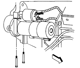
Remove the starter mounting bolts by accessing them below the right wheel house panel.

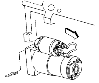
Remove the starter from the vehicle. Note the location of the shims, if equipped.
https://www.2carpros.com/kpages/auto_repair_manuals_alldata.htm
Saturday, May 29th, 2010 AT 1:00 PM