Brake lights not working

Tiny
A45
  • MEMBER
  • 1996 CHEVROLET BLAZER
Blinkers function, fuses are not blown and brake switch at top of brake pedal has power when pedal is depressed. All three brake lights fail to operate.
Monday, April 6th, 2009 AT 10:57 AM

4 Replies

Tiny
JDL
  • MECHANIC
  • 16,098 POSTS
Hello, orange wire at the brake switch is hot all the time, feed to the switch, white wire goes hot when the switch is activated, feed to the brake lites.

Put something heavy on the brake pedal, check for voltage on the white wire. Does the high mount brake light work?

It looks like you might have a bulb out for the upper light and a turn signal switch out for the other two.

Here is a guide that will show you how to test for a power loss.

https://www.2carpros.com/articles/how-to-use-a-test-light-circuit-tester

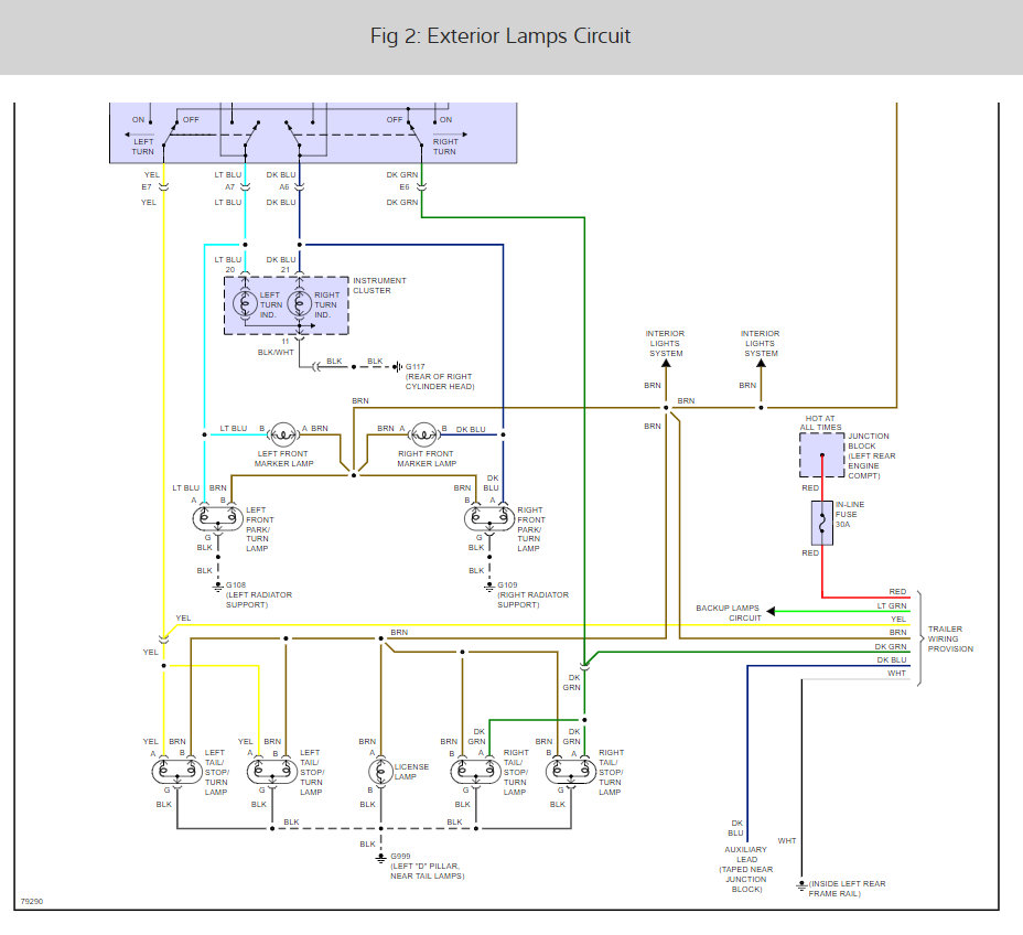
Here is a brake light wiring diagram so it will make it easier to find

Please let us know what you find.

Cheers
Was this
answer
helpful?
Yes
No
+7
Wednesday, July 28th, 2021 AT 1:34 PM
Tiny
A45
  • MEMBER
  • 3 POSTS
High mount light also not working. All info tells me it is either brake switch at top of brake pedal or turn signal indicator. Will voltage test this evening.
Was this
answer
helpful?
Yes
No
Wednesday, July 28th, 2021 AT 1:34 PM
Tiny
JDL
  • MECHANIC
  • 16,098 POSTS
Yeah, it is starting to look like the switch, check the circuits. The high-mount brake lite isn't wired through the turn signal switch, the lower brake lites are, I believe.
Was this
answer
helpful?
Yes
No
+1
Wednesday, July 28th, 2021 AT 1:34 PM
Tiny
A45
  • MEMBER
  • 3 POSTS
Thanks for the info on the wires. I checked the switch. 12v at orange wire, 12v at white wire when switch was activated. Turn signals stopped working, back up lights are fine. Tail lights work with light switch in on position. I'm beginning to think I have a short on the brown wire or the turn signal switch in steering column is bad. Intend on checking continuity of brown wire next. Thanks for the leads.

I checked each portion of the circuit and found the turn signal switch had a short and replaced it everything works fine. Through reading the numerous forum it appears this is a consistent issue with the 94-98 Blazers. Thanks for the help.
Was this
answer
helpful?
Yes
No
+2
Wednesday, July 28th, 2021 AT 1:34 PM

Please login or register to post a reply.