Sunday, July 27th, 2008 AT 11:20 AM
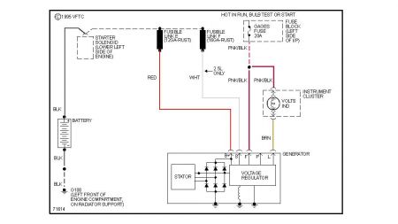
Where my alternator plugs in the alternator has 4 metal prongs but while the plug has 4 slots only 2 have metal in them is this right




