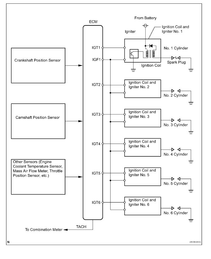
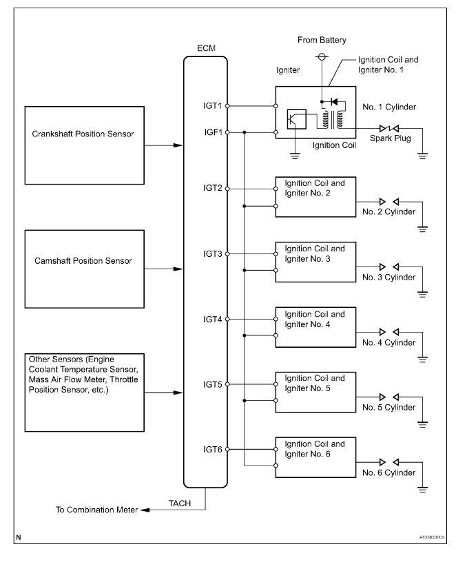
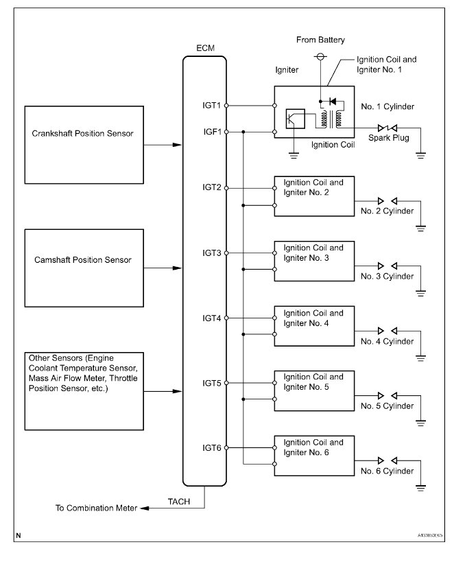
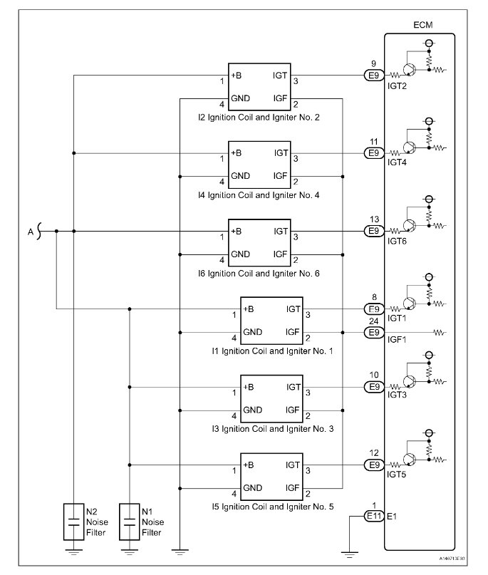
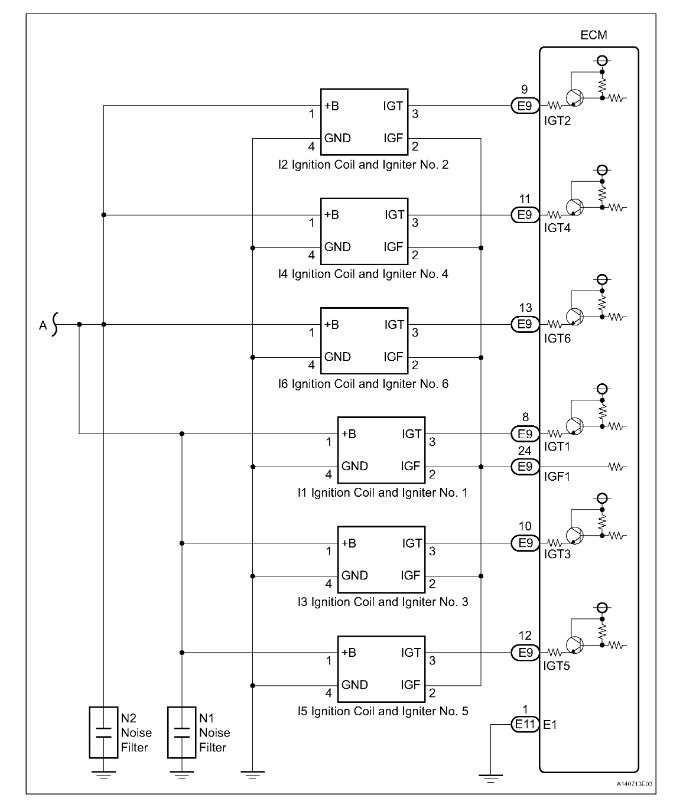
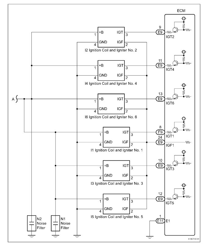
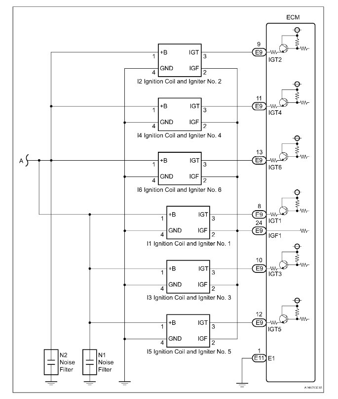
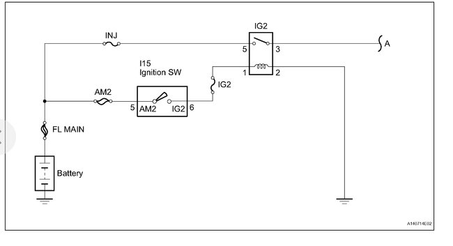
Change all the spark plug with compatible champion pre gaped spark plugs, after that checked engine light turned off. After a long drive light came back. If gas tank is full light goes out but after few hundred miles light come back. Code means misfire. What next to check?
Tuesday, February 12th, 2019 AT 1:20 PM




















