There is no power to alternator battery wire

Tiny
TIMWE
  • MEMBER
  • 2000 FORD EXPLORER
  • 2WD
  • AUTOMATIC
  • 180,000 MILES
Charging system.
Thursday, March 31st, 2022 AT 4:46 PM

3 Replies

Tiny
JACOBANDNICKOLAS
  • MECHANIC
  • 110,194 POSTS
Hi,

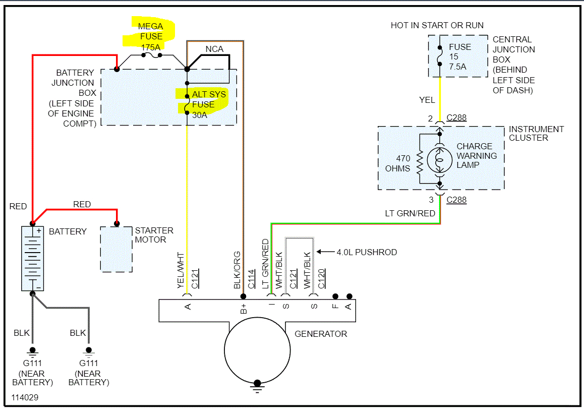
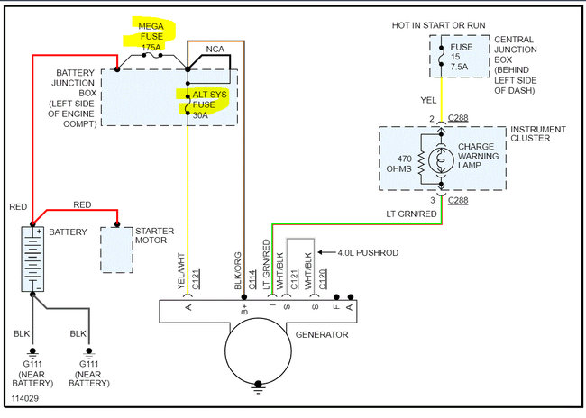
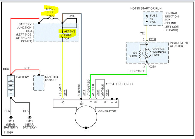
I attached the wiring schematic of the charging system. If you have several components not working, check the 175amp maxi-fuse in the battery junction box. If that isn't the case, then check fuse 14 in the battery junction box. In addition to checking the fuse, confirm there is power to and from it.

https://www.2carpros.com/articles/how-to-check-a-car-fuse

If the fuses are good and have power, go to the alternator, and check the black wire with an orange tracer and the yellow wire with the white tracer for power. Let me know which one does or doesn't have power.

Let me know what you find.

Take care,

Joe

See pics below.
Was this
answer
helpful?
Yes
No
+1
Thursday, March 31st, 2022 AT 8:40 PM
Tiny
TIMWE
  • MEMBER
  • 2 POSTS
Thank so much for your help.
Was this
answer
helpful?
Yes
No
Saturday, April 2nd, 2022 AT 5:37 PM
Tiny
JACOBANDNICKOLAS
  • MECHANIC
  • 110,194 POSTS
Hi,

You are very welcome. By chance, did you find the issue?

Let me know.

Joe
Was this
answer
helpful?
Yes
No
Saturday, April 2nd, 2022 AT 9:14 PM

Please login or register to post a reply.