Charging system

Tiny
ROBERT RAYMOND
  • MEMBER
  • 2011 LINCOLN TOWN CAR
  • 4.6L
  • V8
  • 2WD
  • AUTOMATIC
  • 190,440 MILES
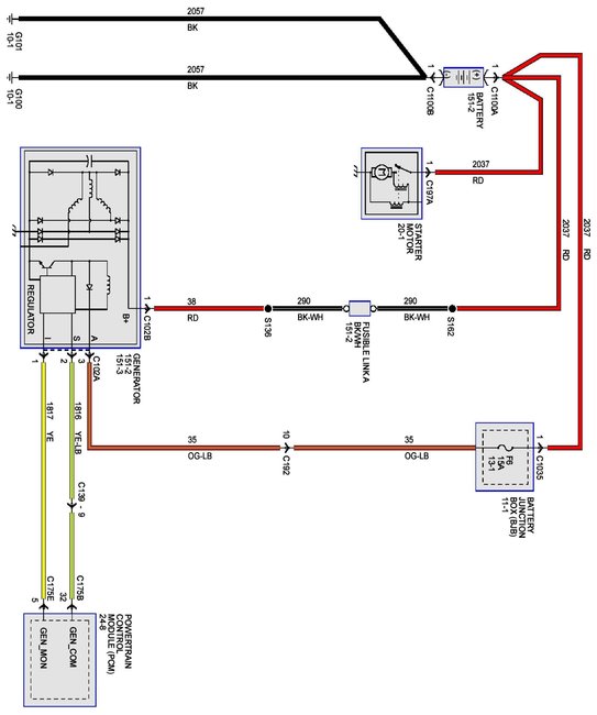
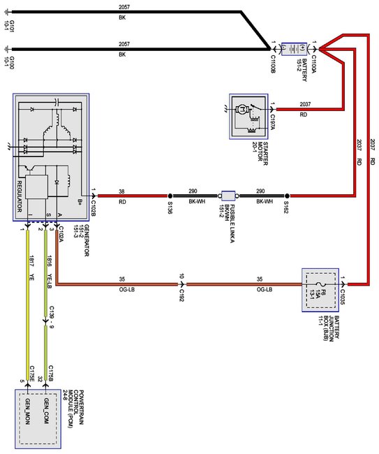
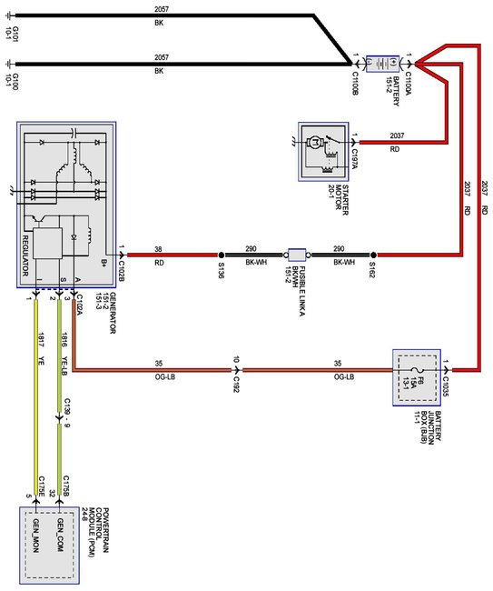
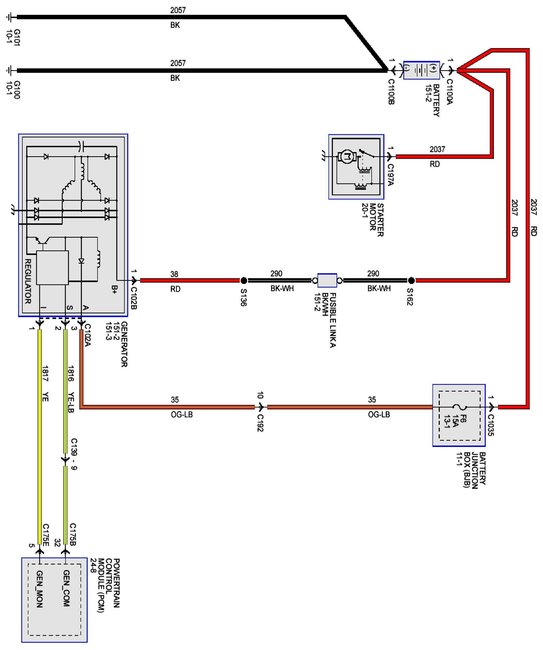
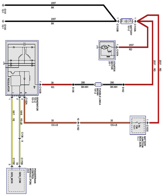
Replaced alternator shows charging at 14.2, but battery light on.
Monday, December 11th, 2017 AT 10:59 AM

1 Reply

Tiny
STEVE W.
  • MECHANIC
  • 15,676 POSTS
Check the voltage output at the yellow wire at terminal one. A bad connection/broken wire there won't send a signal to the PCM telling it that the alternator is working.
Was this
answer
helpful?
Yes
No
+1
Thursday, December 14th, 2017 AT 7:19 PM

Please login or register to post a reply.