Saturday, June 25th, 2022 AT 4:38 PM
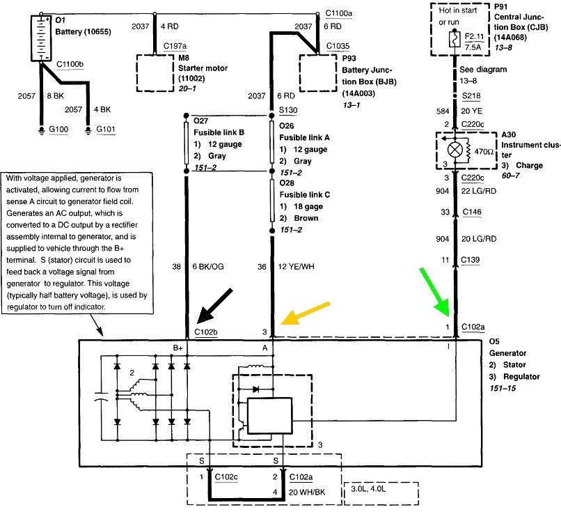
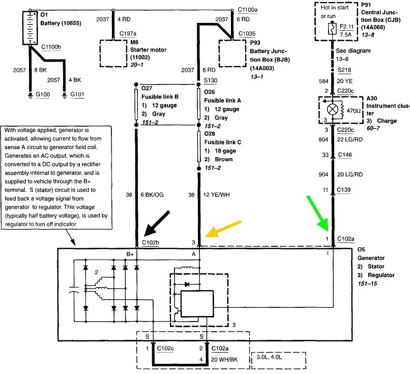
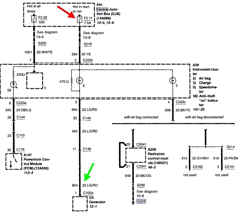
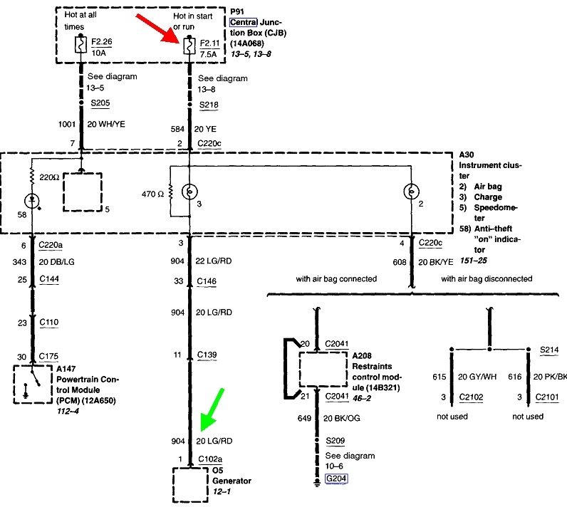
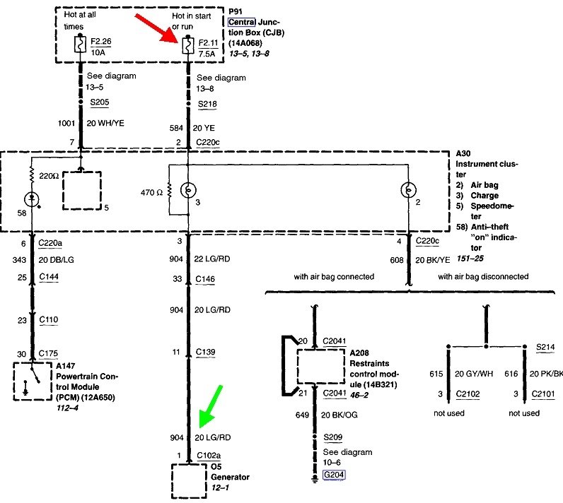
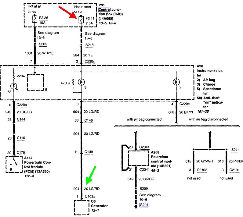
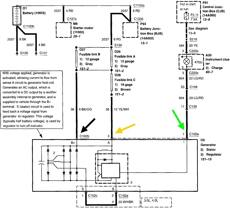
Tachometer, speedometer, dash warning lights, all gauges stopped working and it's not charging. All fusible links are good, all fuses and relays test good. The illumination bulb in cluster was burnt out, changed it. I have power to the alternator, but when I turn the key on, I have no power to the green wire with red tracer to the alternator. Have traced it back can't find any issue or breaks. However, no gauge works or tachometer or speedometer or warning lights, but the dash Illumination lights up the cluster when I turn on the lights. Also have checked and cleaned all grounds. Changed BCM and ECU. I'm lost and need to know where the issue is before I scrap it. Also, been doing collision and custom body and paint and all stages of body and mechanical repair for almost 44 years and have finally met my match. Any constructive help will be greatly appreciated.












