HOME
ASK A QUESTION
REPAIR GUIDES
BECOME A MEMBER
LOG IN
Login with Facebook
OR
Remember me
NOT A MEMBER?
FORGOT PASSWORD?
CONTACT US
PRIVACY POLICY
TERMS AND CONDITIONS
☰
Home
Volkswagen
Golf
Electrical
Fuse Panel
Location
Where is the charging fuse located?
MP66914
MEMBER
2009 VOLKSWAGEN GOLF
242,424 MILES
Can't locate the alternator charging fuse on my golf 5.
Wednesday, November 10th, 2021 AT 9:38 AM
1 Reply
ASEMASTER6371
MECHANIC
52,796 POSTS
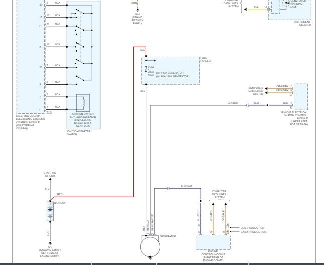
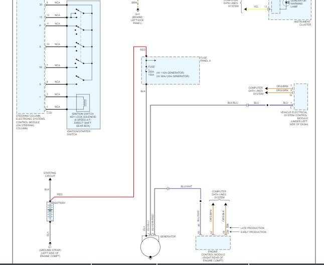
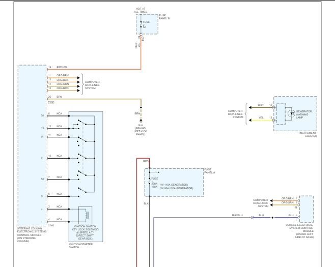
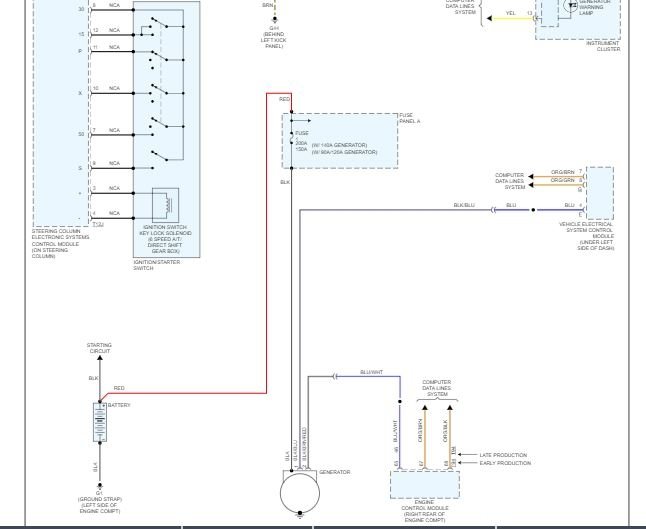
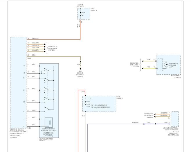
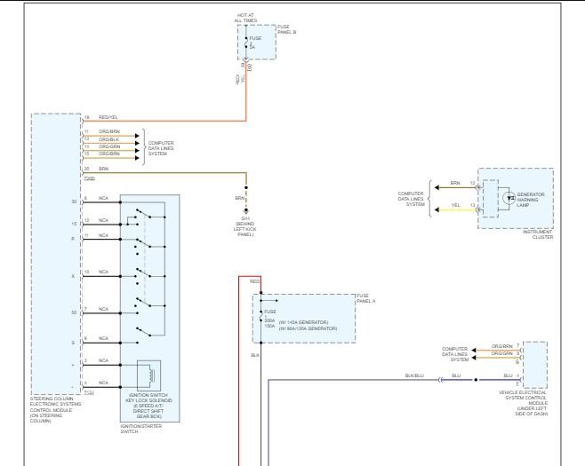
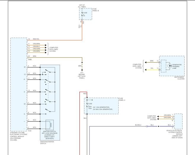
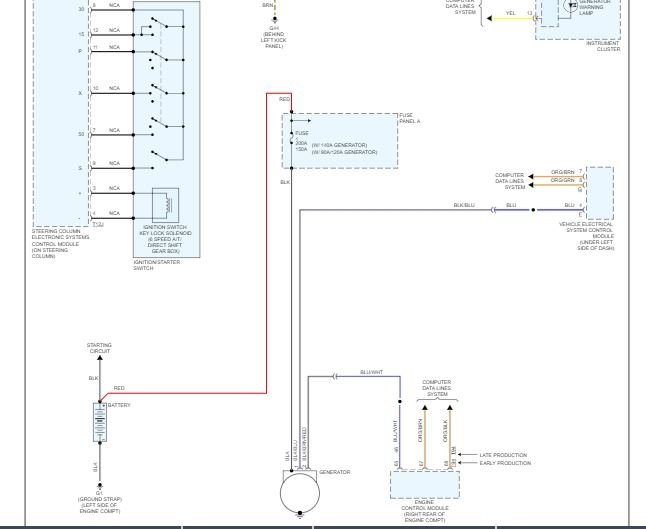
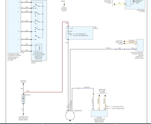
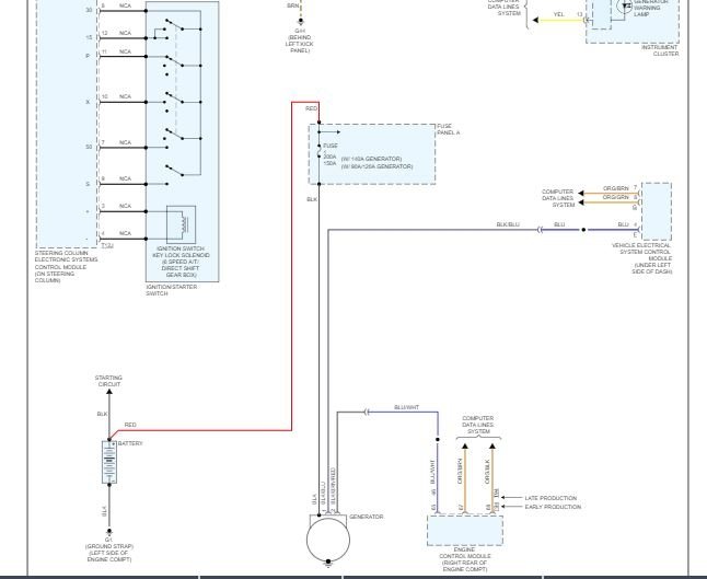
Good evening,
I attached a wiring diagram of the charging system for you and enlarged the location of the fuse panel for you to check the fuse.
https://www.2carpros.com/articles/how-to-check-a-car-alternator
https://www.2carpros.com/articles/how-to-check-a-car-fuse
https://www.2carpros.com/articles/how-to-check-wiring
Let us know if you have any other questions.
Roy
Images (Click to make bigger)
Was this
answer
helpful?
Yes
No
Wednesday, November 10th, 2021 AT 4:17 PM
Please
login
or
register
to post a reply.
Related Fuse Panel Location Content
I Need A Fuse Box Diagram
Got Lots Of Issues. The Alternator Is Bad I Believe. I Need A Fuse Box Diagram To Check Fuses First.
Asked by
Jen Chappell
·
1 ANSWER
1997
VOLKSWAGEN GOLF
My Cars Fuel Pump Isn't Working?
My Cars Fuel Pump Isn't Working. I Can't Find Which Relay It Is. I Need A Relay Panel Diagram
Asked by
seabass5280
·
1 ANSWER
1 IMAGE
1999
VOLKSWAGEN GOLF
Ignition Switch
How Many Hours Does It Take A Mechanic To Relace An Ignition Switch On A 1998 Volkswagen Golf?
Asked by
golfer99
·
2 ANSWERS
1998
VOLKSWAGEN GOLF
Battery Size
What Is The Biggest Battery That I Can Put In My 97 Vw Golf Gti Vr6?
Asked by
takeshi
·
10 ANSWERS
1 IMAGE
1997
VOLKSWAGEN GOLF
1992 Volkswagen Golf Battery
1992 Volkswagen Golf Manual I Keep Getting A Flat Battery Brought A New One In March 2009 Problem Seemed To Go Away Now Its Going...
Asked by
julieransom
·
4 ANSWERS
1992
VOLKSWAGEN GOLF
VIEW MORE
Ask a Car Question. It's Free!
How to Use a Test Light
Window Switch Replacement and Test
Code Read Retrieval/Clear Scion