Thursday, February 2nd, 2023 AT 9:34 AM
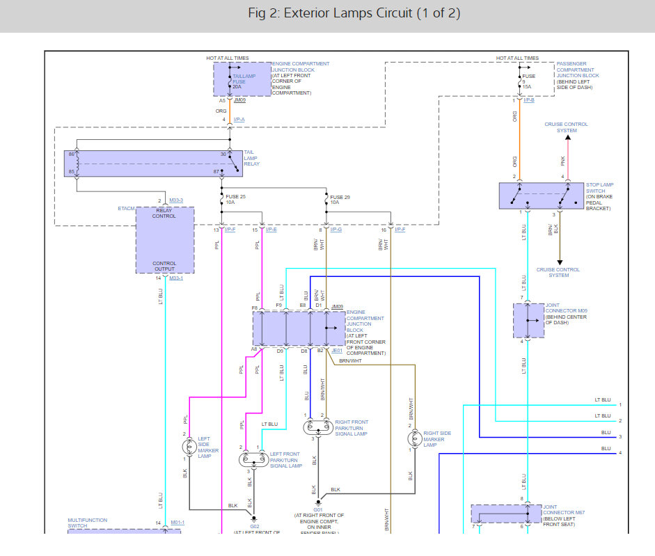
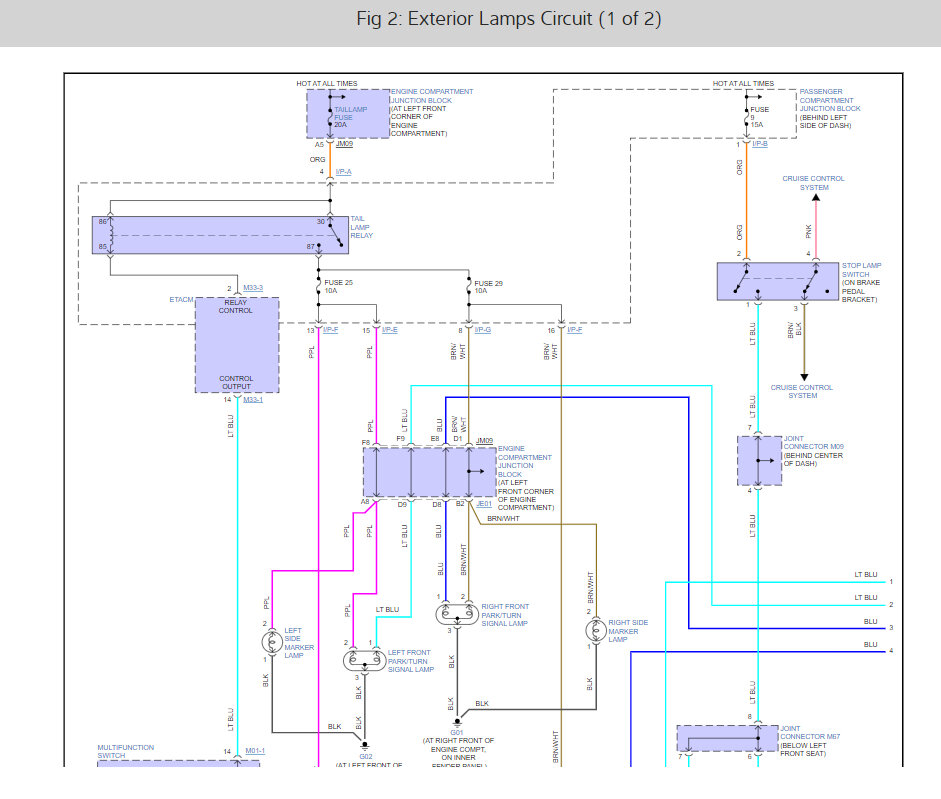
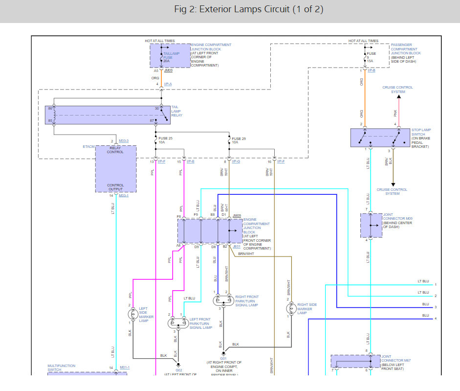
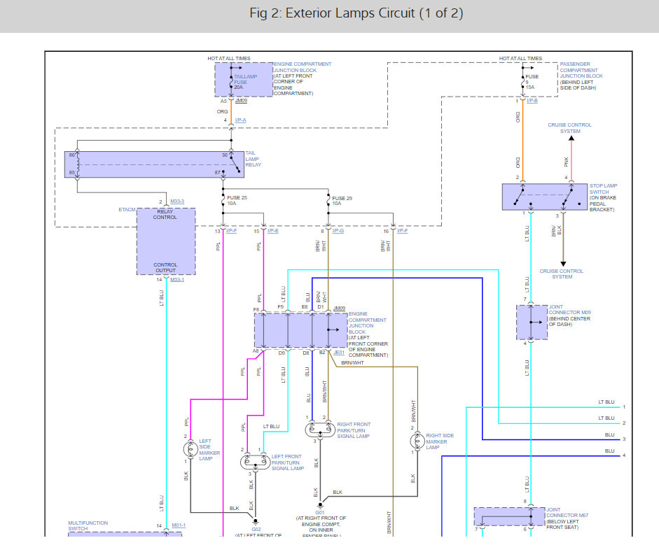
For some reason, the center high Mount Brake light comes in with the headlights running light. Therefore, the ship won't issue a lamp certificate until it's repaired. All the other lamps work. I understand there is a brake pedal switch. Is this the problem or is it something else? Thank you





