Center gear shift lights fuse

Tiny
JIMMYD588
  • MEMBER
  • 2010 FORD F-150
  • V8
  • 2WD
  • 256,000 MILES
Which fuse is used to light the center shift display? Bulbs are good.
Friday, October 23rd, 2020 AT 10:18 PM

1 Reply

Tiny
STEVE W.
  • MECHANIC
  • 15,685 POSTS
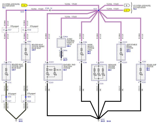
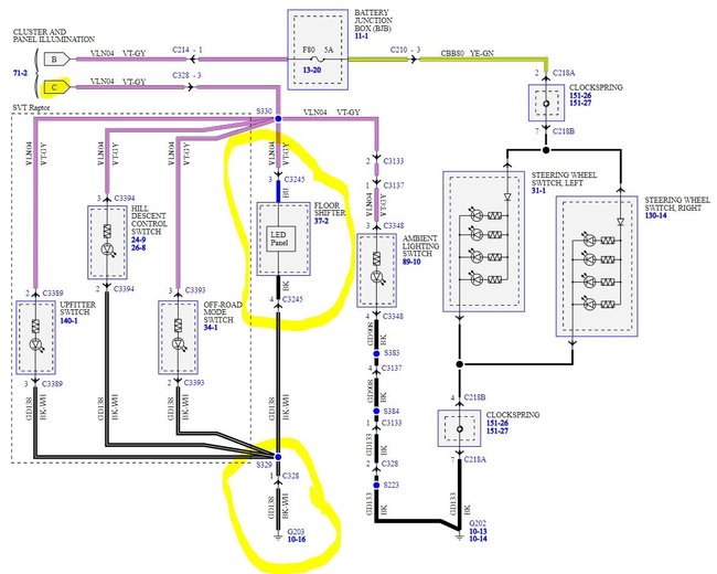
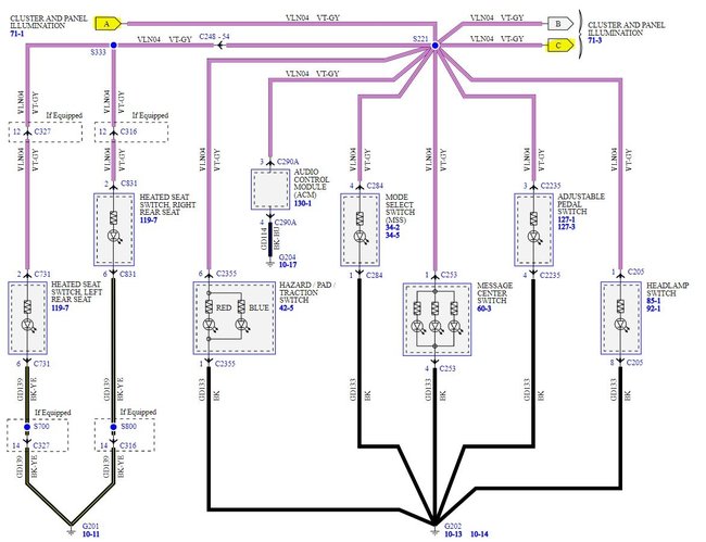
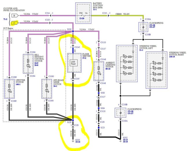
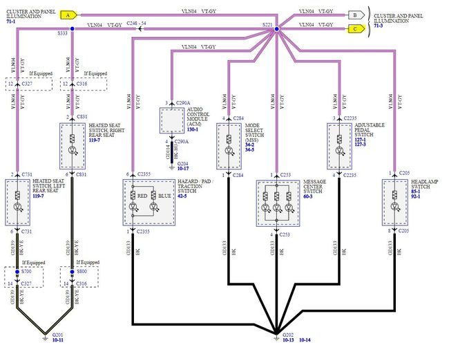
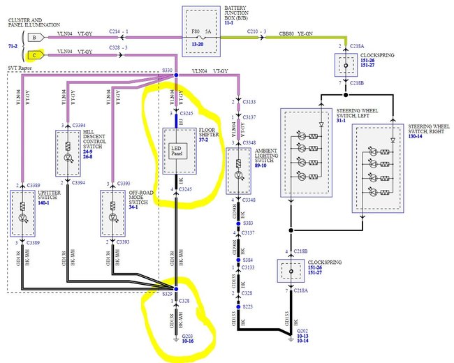
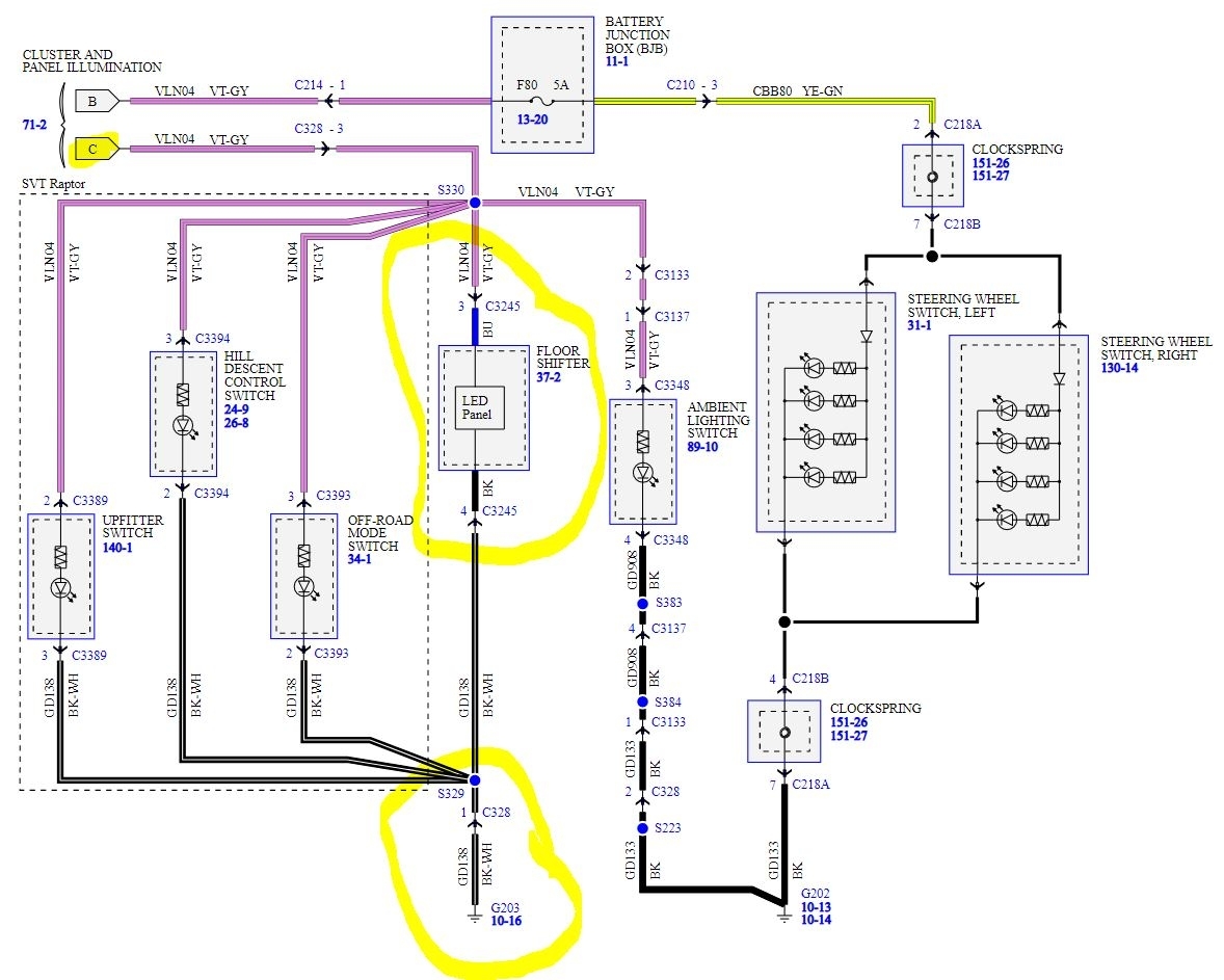
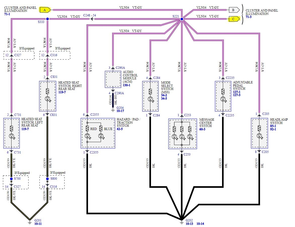
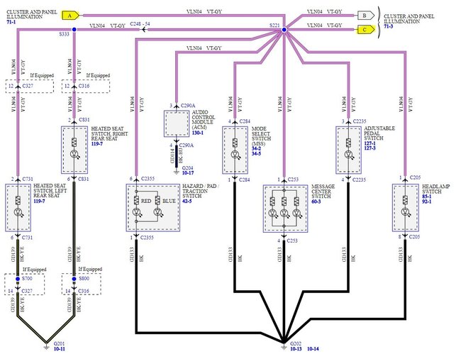
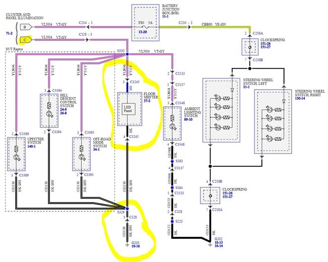
Looking at the wiring diagram I would check for a bad ground or power wire issue as the various switches and panels and interior lighting are all fed from the same fuse. If you had all the interior lights and switch lighting out then I would suspect the fuse.
A way that might tell you if it is power or ground would be to look at the ambient lighting switch if it has that option, it shares the power from that feed but not the same ground, If it is out then it's a power issue for both, if it works then it's likely a ground problem.

The ground wire travels up to a ground point at the left side of the dash. Depending on which method Ford used it could be a ring terminal or a connection where they stuck multiple wires into a bundle and crimped them all into one connection.
An easy test would be to add a ground jumper from the black wire with white stripe to a nearby good ground. If the panel lights up then the ground is bad. I would then go to that ground point and repair it, the reason being that there are multiple items grounded to it and if one has failed it could start causing the others to fail as well.
To test if it is a power issue you would need to jumper power from the violet wire with gray stripe to one of the other violet with gray wires that feed the other lighting and see if it works. There is at least one connection between those lights and the floor shifter so it could be a bad connection in that.
Was this
answer
helpful?
Yes
No
Saturday, October 24th, 2020 AT 8:51 AM

Please login or register to post a reply.