The car loses power when it drives pass 120 km/s speed

Tiny
ZULUBAFANA
  • MEMBER
  • 2012 FORD FOCUS
  • 2.0L
  • 2WD
  • AUTOMATIC
  • 166,000 MILES
Now the car it doesn't start and it doesn't crank. It make a click noise when you start it. Please help, I am from South Africa, Pretoria
Friday, November 22nd, 2019 AT 7:05 AM

4 Replies

Tiny
SCGRANTURISMO
  • MECHANIC
  • 4,897 POSTS
Hello,

This sounds like you could have a problem with a dead battery. Can you get a voltage reading across your vehicle's battery terminals using a Digital Multi-meter [DMM] for me?If you are unsure how to use a DMM, here is a guide below explaining how a DMM is used:

https://www.2carpros.com/articles/how-to-use-a-voltmeter

Please get back to us with what you are able to find out and we can go from there.

Thanks,
Alex
2CarPros
Was this
answer
helpful?
Yes
No
Friday, November 22nd, 2019 AT 8:32 AM
Tiny
ZULUBAFANA
  • MEMBER
  • 3 POSTS
Thank you Sir, the voltage reads 12.42. Electrical function still works properly.
Was this
answer
helpful?
Yes
No
Saturday, November 23rd, 2019 AT 10:56 PM
Tiny
SCGRANTURISMO
  • MECHANIC
  • 4,897 POSTS
Hello again,

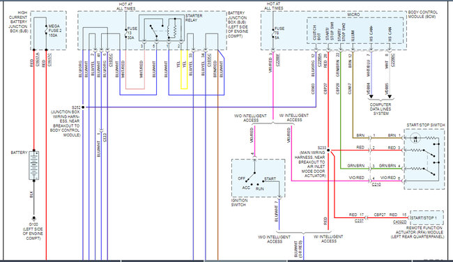
Okay, so this could possibly be a problem with your vehicle's starter relay, which is located in the Battery Junction Box [BJB], by your vehicle's battery. In the diagrams down below I have included a wiring diagram of the starting circuit in your vehicle as well as the diagram and callout of the BJB for your vehicle. Here is a link down below for you to go to explaining how to test a relay:

https://www.2carpros.com/articles/how-to-check-an-electrical-relay-and-wiring-control-circuit

Please go through these guides and get back to us with what you are able to find out.

Thanks,
Alex
2CarPros
Was this
answer
helpful?
Yes
No
Sunday, November 24th, 2019 AT 8:33 PM
Tiny
ZULUBAFANA
  • MEMBER
  • 3 POSTS
Thank you for all the help I got from you all. Starter was the problem and now the car is starting perfectly. Thank you.
Was this
answer
helpful?
Yes
No
Wednesday, December 4th, 2019 AT 8:51 AM

Please login or register to post a reply.