Engine will not turn over

Tiny
MOMMYMCT
  • MEMBER
  • 2006 HONDA CIVIC
  • 1.8L
  • 4 CYL
  • 2WD
  • AUTOMATIC
  • 131,000 MILES
My car for about three weeks has been giving me issues to start. I do not hear a clicking sound when trying to turn my key it sounds more like a gasping?
Monday, November 1st, 2021 AT 8:10 AM

1 Reply

Tiny
KASEKENNY
  • MECHANIC
  • 18,907 POSTS
When you are trying to start the engine and it does not start, you said you don't hear a click but does the engine actually turn over and just not start? Or when you turn the key, does it not do anything?

Is it possible to get a video of this? Also, does this do it all the time or at random times?

Here are a couple guides that explain the differences between these issues of a no crank no start, and a crank no start:

https://www.2carpros.com/articles/starter-not-working-repair

https://www.2carpros.com/articles/car-cranks-but-wont-start

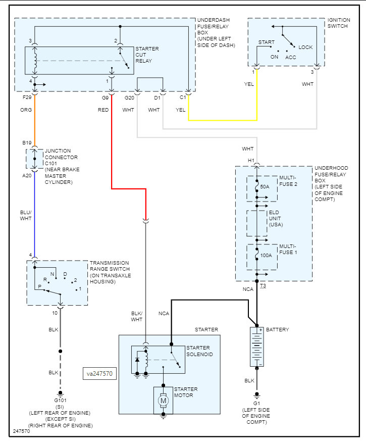
If this is not cranking, then we need to check voltage at the starter when this happens and if you have voltage on both wires then we need to replace the starter. If you don't have voltage on the trigger wire, then we need to suspect a relay issue.

However, please let us know if you can get a video and that will be sure to get us on the same page.

Thanks
Was this
answer
helpful?
Yes
No
Monday, November 1st, 2021 AT 3:30 PM

Please login or register to post a reply.