Car will not start after driving few miles.

Tiny
DANIEL MA
  • MEMBER
  • 2005 VAUXHALL ASTRA
  • 1.7L
  • TURBO
  • 2WD
  • MANUAL
  • 145,000 MILES
I had a problem with it for a long time now. It struggled to start, was often kind of choking when starting but would start eventually. Recently it got worse. When it is cold it starts fine, but after driving a while you cannot start it again on most occasions. If I come back to the car after few hours then I can start it again.
It was showing EGR valve error. I paid mechanic to clean it. But it did not help. To change EGR is so expensive especially when car is not worth a lot. I still would mind doing it if this would be definite answer, but I spoke with few friends and everyone says it could be numerous reasons.
Can you guys help please? Thanks
Friday, August 17th, 2018 AT 11:43 AM

7 Replies

Tiny
JACOBANDNICKOLAS
  • MECHANIC
  • 110,194 POSTS
Hi and thanks for using 2CarPros.com.

It could be many different reasons. However, the first thing I suspect is a failing crankshaft position sensor. Often times when they get hot, the winding inside expands causing the component to short. Take a look at this link:

https://www.2carpros.com/articles/symptoms-of-a-bad-crankshaft-sensor

Here are general directions on replacing one:

https://www.2carpros.com/articles/crankshaft-angle-sensor-replacement

Let me know if this helps or if you have other questions.

Take care,
Joe
Was this
answer
helpful?
Yes
No
+1
Friday, August 17th, 2018 AT 9:00 PM
Tiny
DANIEL MA
  • MEMBER
  • 4 POSTS
Hi, many thanks for reply. I have a little update to the story.
It did not help.
I think my describtion of the problem was slightly wrong in the first place.
When it is cold engine it is turning over and starts usually after two to three seconds after turning over repeatedly. When engine is warmed up and I switch off the car and try to start it again soon it is turning over but there were four occasions recently when it was just turning over constantly and did not start.
Second mechanic cleaned all the sensors - crankshaft etc. And it did not seem to change anything. Before leaving him I just remembered very vital piece of information. When I changed fuel filter two months ago (after not changing it for at least six years!) It was okay and car started instantly but it only lasted few days. Then problem reappeared. I mention this to mechanic and he took it all out checked inside, everything seemed to be fine. He did put it back as it was and car started without any problems again, but again for couple of days only.
So the problem seems to be around fuel filter and fuel pipes I believe. I bought today new fuel filter to replace it again and also STD diesel fuel injector cleaner. Not sure if that has anything to do with it but I thought for  5 it is worth to give it a shot. In few days when I go down with fuel in the tank to minimum. I will fill up with the best diesel out there like shell vpower or something like that and will add this cleaning liquid. I hope that will help but in the meantime do you have any other suggestions after I described the problem in more detail?
Also, is it better to put cleaning solution first and then change fuel filter after few days or change filter and then put cleaning solution? Thanks
Was this
answer
helpful?
Yes
No
Saturday, September 8th, 2018 AT 7:53 AM
Tiny
JACOBANDNICKOLAS
  • MECHANIC
  • 110,194 POSTS
I would run the cleaner first and then replace the filter. And yes, it sounds like a fuel pressure issue. Has your mechanic check pressure?
Was this
answer
helpful?
Yes
No
Monday, September 10th, 2018 AT 6:27 PM
Tiny
DANIEL MA
  • MEMBER
  • 4 POSTS
I do not think they did. I put the cleaner we will see after tankful.
Was this
answer
helpful?
Yes
No
Monday, September 10th, 2018 AT 8:17 PM
Tiny
STEVE W.
  • MECHANIC
  • 15,700 POSTS
I would agree, with a diesel, fuel pressure as it is a more important item. Your issue sounds like the pump is failing.
Was this
answer
helpful?
Yes
No
Friday, September 14th, 2018 AT 6:11 PM
Tiny
DANIEL MA
  • MEMBER
  • 4 POSTS
In my model of Astra I do not have a pump apparently. That is what one guy said who came to check for pump issue.
Was this
answer
helpful?
Yes
No
Saturday, September 15th, 2018 AT 1:12 AM
Tiny
STEVE W.
  • MECHANIC
  • 15,700 POSTS
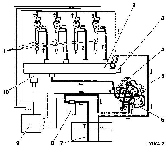
It has to have a fuel pump, the older diesels will have two pumps a lift pump to pull the fuel out of the tank and push it to the injection pump that feeds the injectors. On some vehicles these are individual pumps on others they are combined into the same unit.
On your Astra you have a common rail direct injection fuel system, these use a variation of this system but at much higher injector pressures. Yours has the low pressure feed pump and the high pressure pump combined in one unit.
You mentioned that you had not changed the fuel filter but then when you did it ran good for a while, that is what leads me to the pump issue. It is also possible that the filter is plugged again. In the first image is a breakdown of the fuel system on that engine. The filter (8) is a suction side filter. If it was plugged you would get no or very little flow. There is also a pressure regulator (3) and a pressure sensor (10). The second image is the actual pump, it is driven off the timing belt, item 8 is the low pressure suction pump and 4 shows one of the high pressure pistons (it has 2)

A scan tool should show the pressure the pump is or is not delivering. However your idea of starting with a filter is a good one.
Was this
answer
helpful?
Yes
No
Saturday, September 15th, 2018 AT 8:54 AM

Please login or register to post a reply.