Friday, May 26th, 2023 AT 2:10 PM
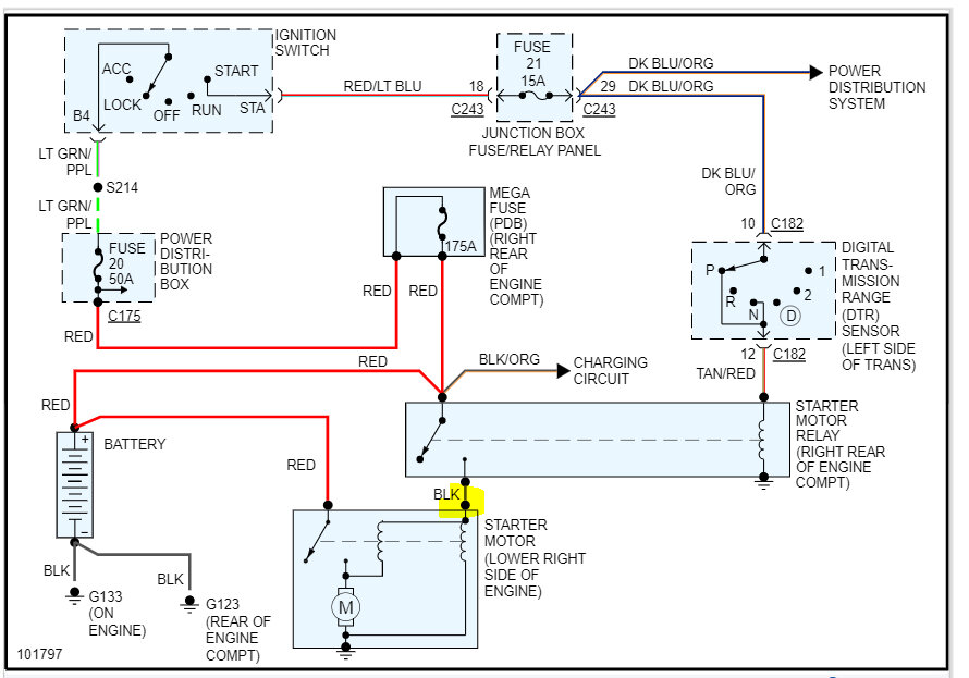
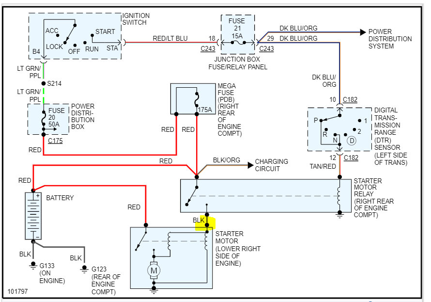
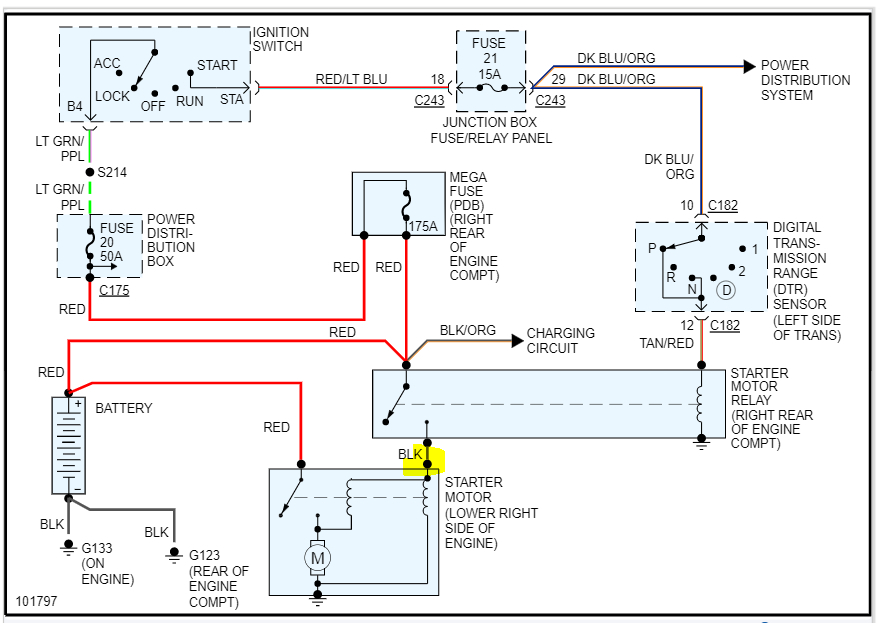
I have replaced the battery, battery cable from the starter solenoid to the starter, starter solenoid on the firewall, and the starter but all I hear when I turn the key is a single loud click. I recently ran new battery cables down to the starter because I thought that would be the issue for the click and while I ran them down there, I loosened the starter and wiggled it. After that I tightened everything back up and had her running only once. After that the vehicle started making that single loud click again.


