Thursday, November 28th, 2019 AT 3:47 PM
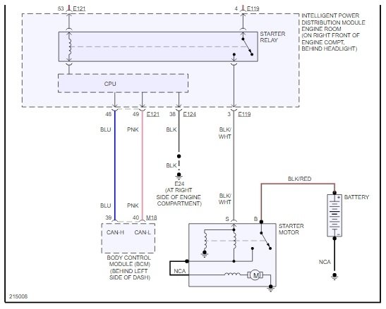
Just got this car in non running condition. Replaced starter, battery and ignition switch. When I go to turn it over all lights, fan all that works but wont crank a bit! I tested starter outside car and it works great. I'm pretty much out of ideas. Not sure if it's a relay and I checked all fuses pretty sure.






