Car will not crank

Tiny
TIMDMAN29
  • MEMBER
  • 2002 FORD TAURUS
  • 2.2L
  • 6 CYL
  • 2WD
  • AUTOMATIC
  • 145,000 MILES
I had the battery and starter checked out and changed the ignition switch, checked all the fuses but the car wont start. Headlights and brake lights come on, but no dash lights and the radio won't come on.
Thursday, January 23rd, 2020 AT 11:09 AM

1 Reply

Tiny
CARADIODOC
  • MECHANIC
  • 34,489 POSTS
First look at the old ignition switch to see if two of the terminals are black or discolored. Post a photo of the terminals, if possible.

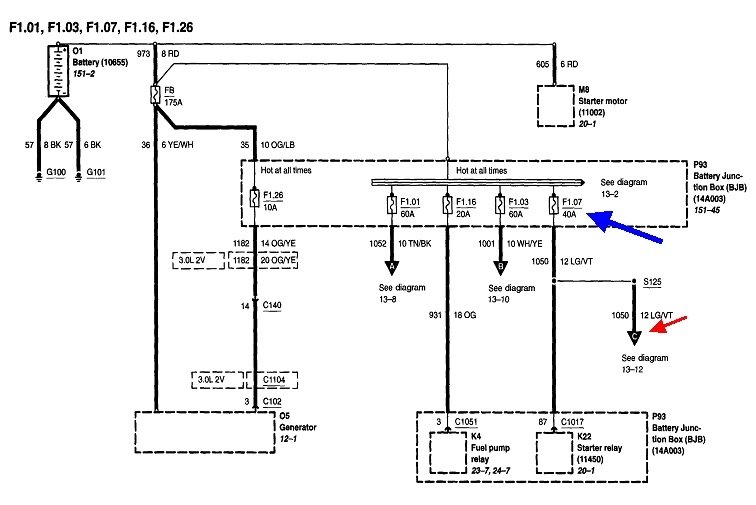
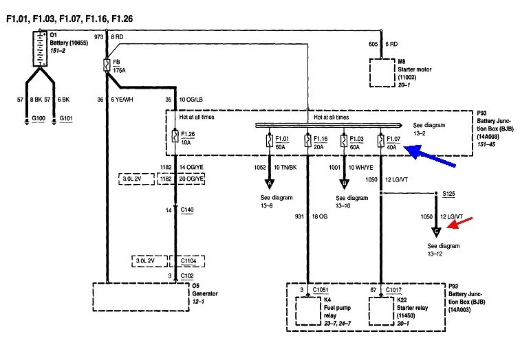
Given the combination of dead systems, all are related to the ignition switch. Double-check fuse F1.07 under the hood. There's two test points on top of that fuse. Both should have 12 volts all the time. I'm adding a link to articles about using test lights and voltmeters for the benefit of others who might be researching this same problem:

https://www.2carpros.com/articles/how-to-use-a-test-light-circuit-tester

https://www.2carpros.com/articles/how-to-use-a-voltmeter

If the fuse is okay, check for 12 volts on the light green / violet wire at the ignition switch. 12 volts should be there all the time too. You can use the voltmeter, but for some parts of these tests, with this type of problem, a cheap test light with an incandescent bulb inside can be more accurate.

Let me know what you find up to this point.
Was this
answer
helpful?
Yes
No
Thursday, January 23rd, 2020 AT 4:16 PM

Please login or register to post a reply.