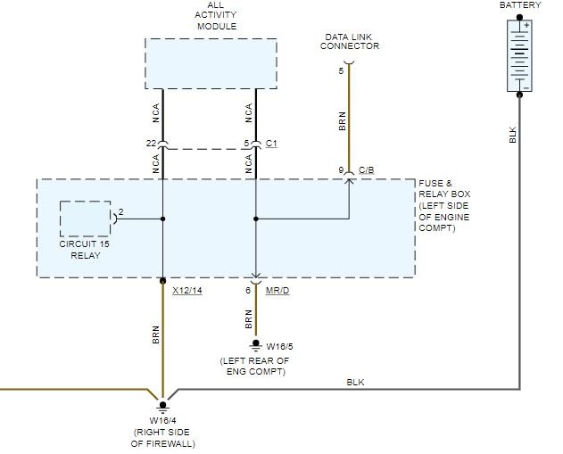
Twice now the car has stalled. All dash lights go out. No check engine light. First time I was making a slow left turn and this time I was going over a bump out of a parking lot. Then it starts up fine and drives no problem. Once it does starts it seems sluggish for a little bit. Any ideas?
Dec 28, 2018 at 6:10 PM

