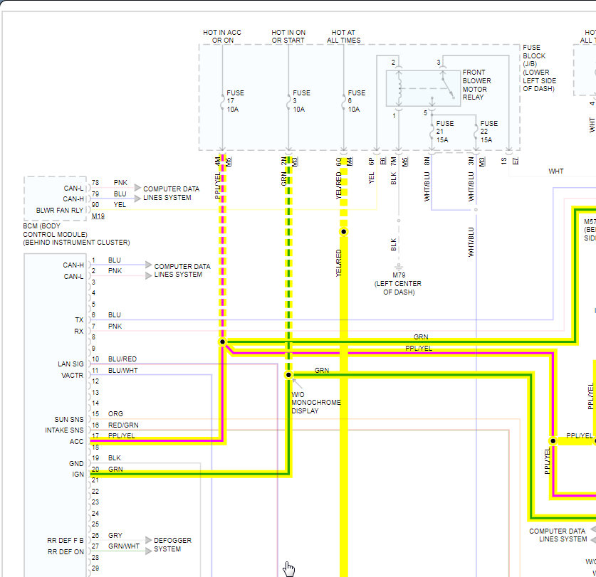
Tuesday, March 30th, 2021 AT 7:56 AM
My mechanic has my car and he just changed my evaporator and now my radio screen is blink and my A/C comes on and work, but we can’t turn it off or turn it down change anything. Help please.






