When you turn off the car, the car will not start?

Tiny
PILOTBILL
  • MEMBER
  • 2015 CHEVROLET SPARK
  • 1.2L
  • 4 CYL
  • 2WD
  • AUTOMATIC
  • 72,005 MILES
Hello, I have a question for you all. My wife has the vehicle listed above with A/C. About three (3) weeks ago the car started having the following problem. The car will start right up, the car runs good, but when you turn off the car, the car will not start, when you turn on the key, all the dash lights will come on, but the car will not start. There is no clicking or any sound at all coming from the engine. You can’t even jump start the car. It’s like the whole car is dead. We had the battery checked out at the local auto parts store and they said the battery is really good. They told me that the trouble could be the Starter, Starter Relay Fuse or Ignition Relay Fuse inside the Fuse Box under the hood. Need help please.
Can you tell me how to check all of this out step-by-step. Thank you.
Monday, August 12th, 2024 AT 7:43 AM

10 Replies

Tiny
AL514
  • MECHANIC
  • 5,584 POSTS
Hello, does the Check Engine Light come on when you turn just the key to the On/Run position when the fault is occurring? And is this a Push Button start or a key start?
Does this happen every time you turn the vehicle off? And do you have to wait a specific amount of time before it will restart?

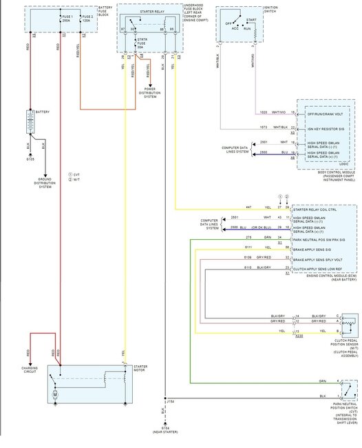
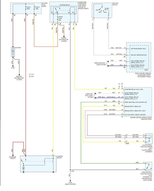
Here is the wiring diagram for checking the Starter relay and fuses with a test light hooked to battery negative,
For a quick check, find the Starter Relay in the engine compartment fuse panel, and when the fault is happening, just put your finger on the Starter Relay and have your wife try to crank the engine over, and see if you feel the starter relay click On, most likely you will not, so if you don't, take the relay out, and you will see 4 pins where the relays sits, Now when cranking the engine over, 2 out of those 4 pins should have battery power and light a test light very bright. You can see in the 5th diagram the relays pins, you will most likely find that there is only power on 1 of the 4 pins. This is the first step, also check the fuses in the 6th diagram with a test light for power on both tabs of the fuses. If there is only power on one side of the fuse then it is blown but check them all first so we have some direction and know what to test next, the Fuses with the label "Hot at all times" means that fuse should have power even with the key off.
The Body Control Module (BCM) is in control of much of the starting and ignition switch inputs then communicates that information out to the engine computer (ECM) to start. These GM/Chevy BCMs are a known failure point., but everything else needs to be checked first. You can see the Ignition Switch inputs to the BCM and it will send out a message on the Data Network to start the vehicle. It also wakes up all the other modules in the vehicle.

https://www.2carpros.com/articles/how-to-use-a-test-light-circuit-tester

https://www.2carpros.com/articles/how-to-check-a-car-fuse
Was this
answer
helpful?
Yes
No
Monday, August 12th, 2024 AT 4:04 PM
Tiny
PILOTBILL
  • MEMBER
  • 90 POSTS
Hello AL514,

To answer your three (3) Questions. This car (2015 Chevy Spark) is a Key Start. To answer your second Question, when you turn the key on to start the car, all the dash lights do come on, plus the check engine light. To answer the third question, the car will start sometimes after you wait a few hours, sometimes it will take overnight before the car will restart. Hope this will help. I will be waiting to hear back from you. Thank you.
Was this
answer
helpful?
Yes
No
Tuesday, August 13th, 2024 AT 6:39 AM
Tiny
AL514
  • MECHANIC
  • 5,584 POSTS
Okay, if the check engine light is coming on then the engine computer is being powered up, at least a part of it is. So, checking the starter relay pins for power with the relay out is your next step. Using a test light hooked to battery negative, 2 of the 4 pins in the relay socket should have power on them while you have someone else crank the engine so you can do the testing. This is very basic electrical checks on the starter relay wiring. If you have power on 2 pins, then we move to check the ground wire. But you should be able to feel the relay click when the vehicle is being cranked over, even before you take it out for testing.
Here are a couple guides to help you begin.
#39 is listed as the Starter relay.

https://www.2carpros.com/articles/how-to-use-a-test-light-circuit-tester

https://www.2carpros.com/articles/starter-not-working-repair
Was this
answer
helpful?
Yes
No
Tuesday, August 13th, 2024 AT 4:34 PM
Tiny
AL514
  • MECHANIC
  • 5,584 POSTS
If you are unsure about testing the starter relay circuits just say so, and we can go into more depth with it, I understand it can seem overwhelming at first, but this first test is just a test light hooked to the battery negative post, and watching to light up as brightly as when you touch the battery's positive post with the test light. I can even draw out a diagram for you if needed.
Was this
answer
helpful?
Yes
No
Wednesday, August 14th, 2024 AT 8:30 AM
Tiny
PILOTBILL
  • MEMBER
  • 90 POSTS
  • 2015 CHEVROLET SPARK
  • 1.2L
  • 4 CYL
  • 2WD
  • AUTOMATIC
  • 72,005 MILES
Hello AL514,

To answer your three (3) Questions. This car (2015 Chevy Spark) is a Key Start. To answer your second Question, when you turn the key on to start the car, all the dash lights do come on, plus the check engine light. To answer the third question, the car will start sometimes after you wait a few hours, sometimes it will take overnight before the car will restart. Hope this will help. I will be waiting to hear back from you. Thank You.
Was this
answer
helpful?
Yes
No
Sunday, August 18th, 2024 AT 4:03 PM (Merged)
Tiny
AL514
  • MECHANIC
  • 5,584 POSTS
Is there something about checking the starter relay you did not understand?
Was this
answer
helpful?
Yes
No
Sunday, August 18th, 2024 AT 4:03 PM (Merged)
Tiny
AL514
  • MECHANIC
  • 5,584 POSTS
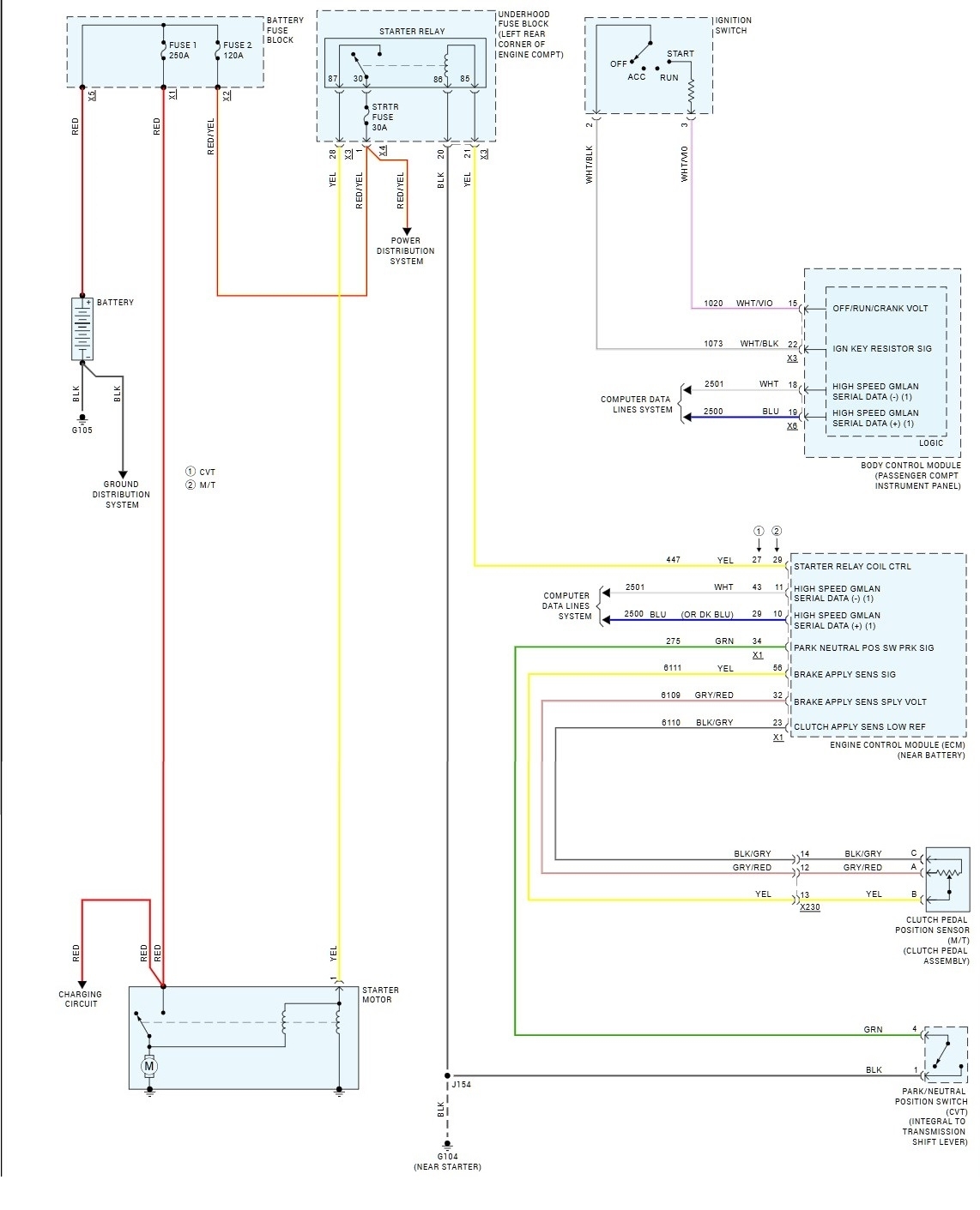
This is the entire starter circuit, the ignition switch inputs a signal into the BCM (top right of the diagram), the BCM then sends out a signal on the Computer Data Lines System (high speed GMLAN) to the engine computer (ECM), the ECM then sends power out to the Starter relay on the Yellow wire, that in turn closes the contacts on the starter relay and sends power to the Starter motor solenoid on the Yellow wire (pin 87) of the Starter relay. Therefore, there should be 2 pins where the starter relay is located that have 12volts on them during cranking. If power is missing or not dictates what is tested next, if the vehicle runs, you can take it to AutoZone or local parts store and they can scan it for any diagnostic trouble codes.
Was this
answer
helpful?
Yes
No
Sunday, August 18th, 2024 AT 4:03 PM (Merged)
Tiny
PILOTBILL
  • MEMBER
  • 90 POSTS
  • 2015 CHEVROLET SPARK
  • 1.2L
  • 4 CYL
  • 2WD
  • AUTOMATIC
  • 72,005 MILES
Hello AL514,

I am sorry for not getting back to you sooner. I have tried about ever thing we have talked about. Nothing has helped so far. A friend told me to try this, if you set behind the steering wheel and turn the car key on and off about eight(8) or nine (9) times in a round, then the car will start and the car did start. He told me, that a friend of his told him the above statement. He did say that he has no idea what causes this, but for me to try it, it did work, the car started right up. Do you have any ideal about this and what I should check now. Please help, I am out of ideals. I will be waiting to hear from you, thanks
Was this
answer
helpful?
Yes
No
Tuesday, September 17th, 2024 AT 4:39 PM (Merged)
Tiny
AL514
  • MECHANIC
  • 5,584 POSTS
That sounds like someone did a google search, and just trying the ignition switch a bunch of times got the vehicle to start, this is the Ignition switch diagram, showing the inputs into the BCM. But you havent given any results of voltage checks at the Starter Relay. The Engine Computer (ECM) controls the Starter Relay once it receives a signal from the Body Control Module to start. So without any testing of the Starter Relay, there is no way to know if the ECM is activating the Relay, So here again, on the highlighted Yellow wire the ECM should be sending out 12volts on that wire to activate the Starter Relay. If that is missing or not determines the next test.
There are way too many possibilities as to what the problem might be. You have to test the circuit. Could be a bad Starter Relay, a bad BCM, ECM, wiring issue, etc. If the Starter is not even clicking, then most likely it is not even receiving power.
Was this
answer
helpful?
Yes
No
Tuesday, September 17th, 2024 AT 5:53 PM
Tiny
PILOTBILL
  • MEMBER
  • 90 POSTS
  • 2015 CHEVROLET SPARK
  • 1.2L
  • 4 CYL
  • 2WD
  • AUTOMATIC
  • 72,075 MILES
Hello AL514
I am sorry that I have not gotten back to you sooner. I finally had to call a mobile mechanic to come to the house. He found the cause in just a few minutes. This is what he found, “THE POS. BATTERY CABLE END THAT HOOKS TO THE STARTER ITSELF WAS BAD”. I wanted to let you know what my problem was in case somebody else is having the same problem that I was having. This way you can pass this along. For parts and labor, this repair costed me $150.00 Thank You Again For all The help That You gave me.

Hello, I have a question for you all. My wife has the vehicle listed above with A/C. About three (3) weeks ago the car started having the following problem. The car will start right up, the car runs good, but when you turn off the car, the car will not start, when you turn on the key, all the dash lights will come on, but the car will not start. There is no clicking or any sound at all coming from the engine. You can’t even jump start the car. It’s like the whole car is dead. We had the battery checked out at the local auto parts store and they said the battery is really good. They told me that the trouble could be the Starter, Starter Relay Fuse or Ignition Relay Fuse inside the Fuse Box under the hood. Need help please. Can you tell me how to check all of this out step-by-step. Thank you.
Was this
answer
helpful?
Yes
No
Wednesday, October 23rd, 2024 AT 5:15 PM (Merged)

Please login or register to post a reply.