Friday, July 23rd, 2021 AT 9:36 PM
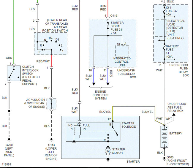
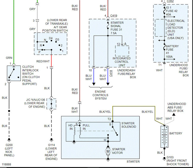
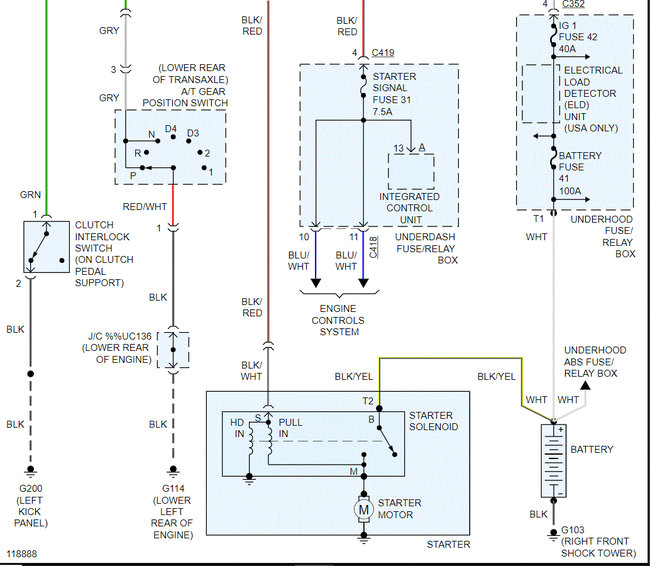
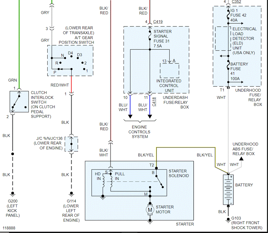
I drive perfectly no issues I parked my car, when I came back the ignition switch just lights the gauges but no crank or starter sound; just won't do anything. I only hear a click under the glove compartment that I guess is the fuel pump relay. The car was moved put in neutral, wont do anything, wont crank. Everything works, like lights windows etc, just wont crank. Any suggestions? Thank you




