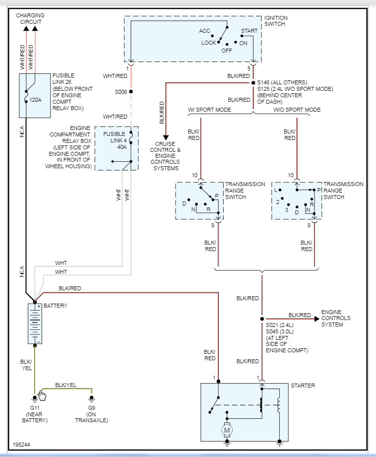
Friday, February 28th, 2020 AT 3:23 PM
I drove it to the grocery store no problems or lights on ran in for 5 minutes came back out and it was completely dead. No lights or anything will come on, doesn’t click or anything. What should I do?




