Cannot get OBD 1 codes

Tiny
BEAHLERS
  • MEMBER
  • 1995 FORD MUSTANG
  • 5.0L
  • V8
  • 2WD
  • MANUAL
  • 65,000 MILES
I have tried the jumper method and I have tried a scanner (from AutoZone); I have also tried connecting the single connector to a ground. With KOEO nothing happens. Scanner doesn't indicate it is connected to computer; with jumper method, Check Engine light stays on. I have even exchanged the ECU with a rebuilt one. I have checked continuity of the wires from the computer to the test port, and they are okay. I don't know what else to check.
Monday, March 23rd, 2020 AT 1:03 PM

15 Replies

Tiny
KASEKENNY
  • MECHANIC
  • 18,907 POSTS
Just to clarify, you are using a scanner and the jumper wire? What connector are you doing this with? Can you get a picture of and is it under the dash or in the engine bay?
Was this
answer
helpful?
Yes
No
Monday, March 23rd, 2020 AT 1:41 PM
Tiny
BEAHLERS
  • MEMBER
  • 6 POSTS
I have tried using a Ford OBD I scanner from AutoZone. I have tried a jumper from the "F" terminal for the test connector (upper right terminal when viewing the plug with the narrow side up) to the single-pin connector. I have tried a jumper from the single-pin connector to the the negative battery terminal (all suggested in various posts). All with no results. This is the standard 6-pin Ford OBD I 1981-95 connector. On my 1995 Mustang GT the connector is under the hood on the passenger side fender.
Was this
answer
helpful?
Yes
No
Monday, March 23rd, 2020 AT 3:46 PM
Tiny
KASEKENNY
  • MECHANIC
  • 18,907 POSTS
Okay. Sounds like you are getting the jumper in the correct place. Read through both attachments just to confirm this is what you are doing and you are not missing a step like pushing the clutch in and AC off.
Was this
answer
helpful?
Yes
No
-1
Monday, March 23rd, 2020 AT 4:06 PM
Tiny
BEAHLERS
  • MEMBER
  • 6 POSTS
I turned the AC off. I have tried both clutch in and clutch out. The reference to pushing the clutch in seems to apply to a different engine. Still nothing.
Was this
answer
helpful?
Yes
No
Tuesday, March 24th, 2020 AT 10:54 AM
Tiny
KASEKENNY
  • MECHANIC
  • 18,907 POSTS
Okay. With that out of the way, if when jumping the wires and the light stays on that means there is a constant ground on those wires. I know you said you checked the wiring but did you check for a short to ground? The PCM is responsible for grounding the lamp to blink it for the codes so if when jumping the wires, the light doesn't go off then that means it is getting ground from somewhere else. Try unplugging the connectors at the PCM and jumping the wires again. Clearly with the PCM unhooked it should not come on. If it comes on then the lamp is getting ground somewhere else.

Let me know if the light still comes on when the PCM is unhooked. Thanks
Was this
answer
helpful?
Yes
No
+1
Tuesday, March 24th, 2020 AT 5:01 PM
Tiny
BEAHLERS
  • MEMBER
  • 6 POSTS
The check engine light goes out when the engine is running, coming on occasionally while driving, especially at freeway speeds (the car runs fairly well with a little rough idle). When the key is turned on with the "F" terminal jumpered either to the single-pin wire or the negative battery terminal, the check engine light comes on and stays on just as when the key is turned on in normal situations.
Was this
answer
helpful?
Yes
No
+1
Thursday, March 26th, 2020 AT 12:42 PM
Tiny
KASEKENNY
  • MECHANIC
  • 18,907 POSTS
Okay. Were you able to jump the wires and then unplug the PCM and see if the light goes out? If it stays on then there is a short to ground.

Let me know and we can go from there. Thanks
Was this
answer
helpful?
Yes
No
Friday, March 27th, 2020 AT 6:35 PM
Tiny
BEAHLERS
  • MEMBER
  • 6 POSTS
I unplugged the PCM while the wires were jumped, and the check engine light went out. Where do I go from here?
Was this
answer
helpful?
Yes
No
Thursday, April 2nd, 2020 AT 11:59 AM
Tiny
KASEKENNY
  • MECHANIC
  • 18,907 POSTS
Just so I am clear, the check engine light comes on and goes off when starting the vehicle? Then when driving the light will come on at times. When you check for codes and jump the terminals, the check engine light stays on and does not blink?

It appears the lamp is operating but I suspect we are expecting it to flash the codes but I am wondering if it will work with a test light. Basically take a test light and probe one of the terminals and then use a paper clip in the other terminal and clip the alligator clip to it.

I don't think it should matter but all the info is saying to use a test light so maybe it is an operation understanding issue on our part. I don't remember doing it this way on a Mustang but this is a 1995 and that is the change over year so it may just be as simple as the check engine light doesn't flash but the test light will.

https://www.2carpros.com/articles/ford-lincoln-mercury-obd1-1995-and-earlier-diagnostic-trouble-code-definition-and-retrieval

I am not sure that there are codes if the light is not constantly on but you should be getting an 11 if there are no codes.
Was this
answer
helpful?
Yes
No
+1
Friday, April 3rd, 2020 AT 11:17 AM
Tiny
BEAHLERS
  • MEMBER
  • 6 POSTS
Test light stays lit just like the check engine light. Just to repeat, there is no indication that testing has initiated when key is turned on wires are jumpered - no clicks or other sounds that many online source says should be occurring.
Was this
answer
helpful?
Yes
No
Tuesday, April 7th, 2020 AT 12:50 PM
Tiny
KASEKENNY
  • MECHANIC
  • 18,907 POSTS
Okay. I am not sure at this point. I am going to reach out to the other experts and ask them to jump in on this one.
Was this
answer
helpful?
Yes
No
+1
Tuesday, April 7th, 2020 AT 7:31 PM
Tiny
KEN L
  • MASTER CERTIFIED MECHANIC
  • 55,112 POSTS
Hello,

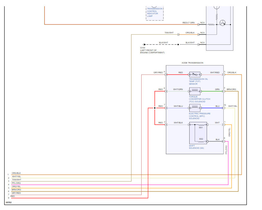
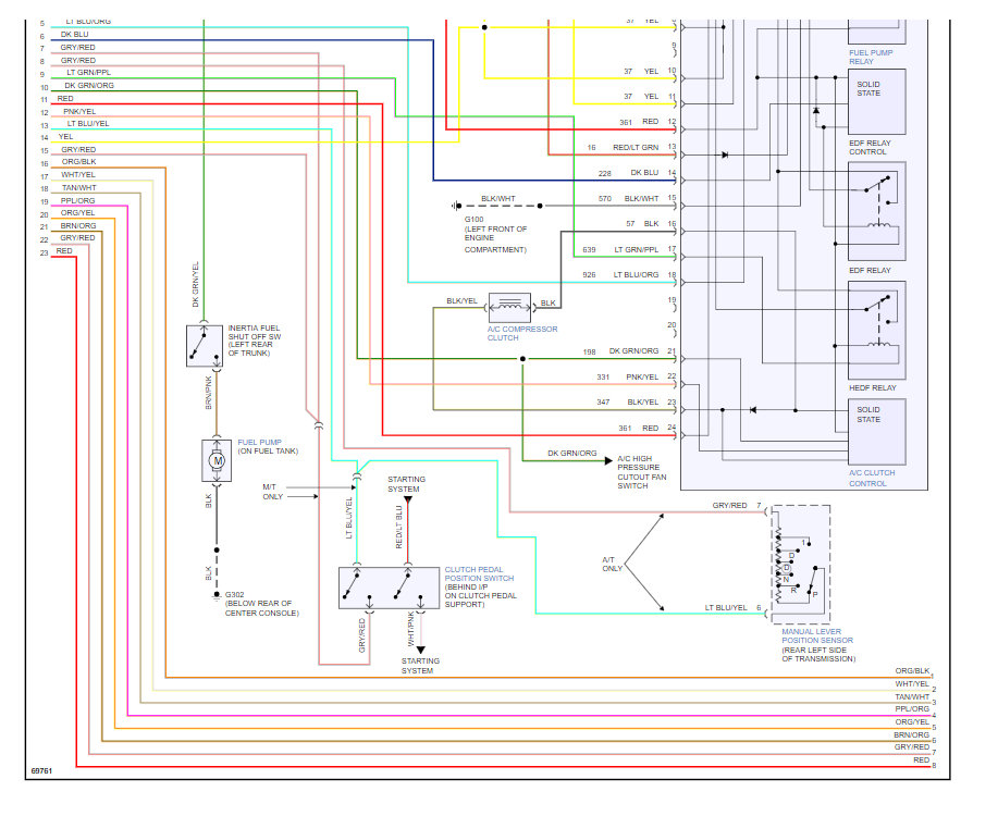
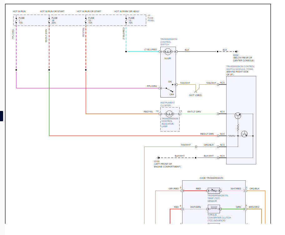
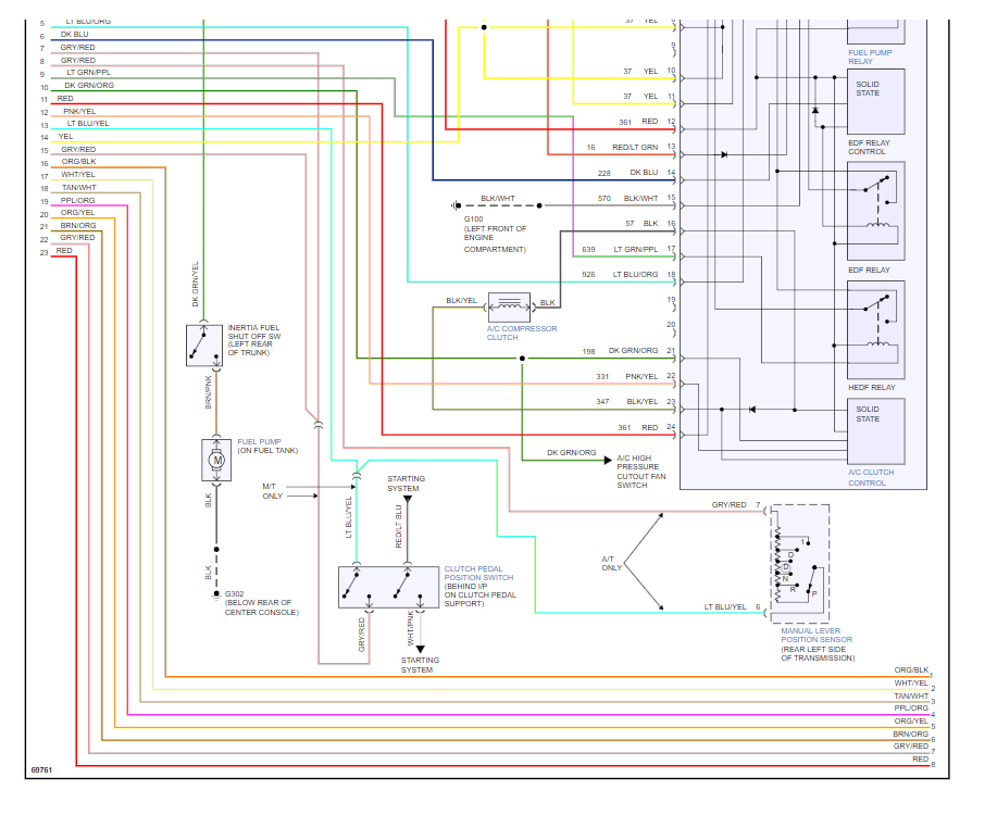
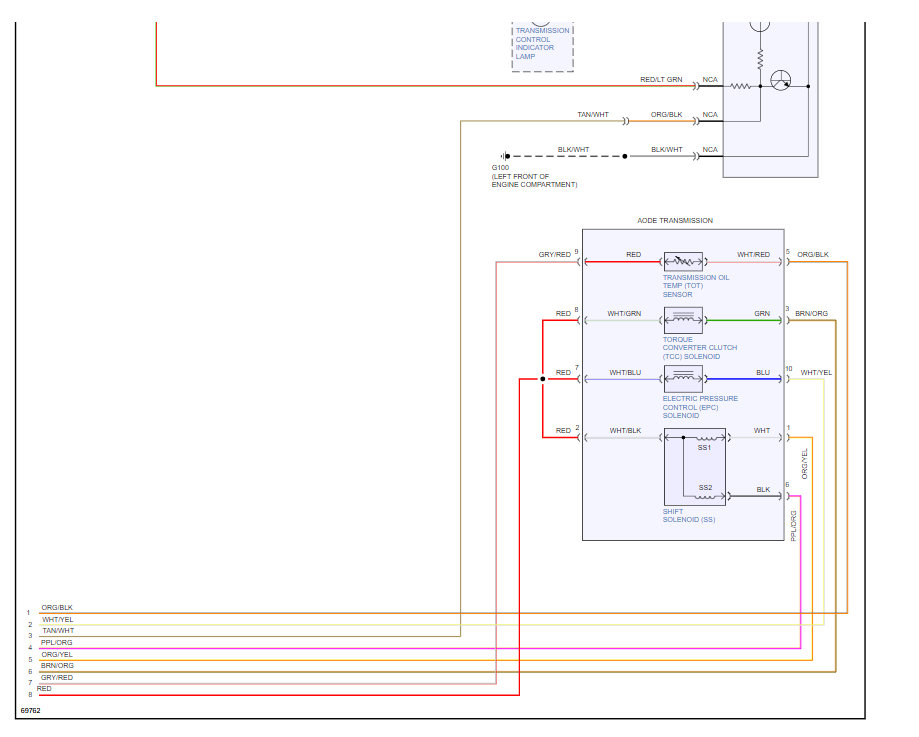
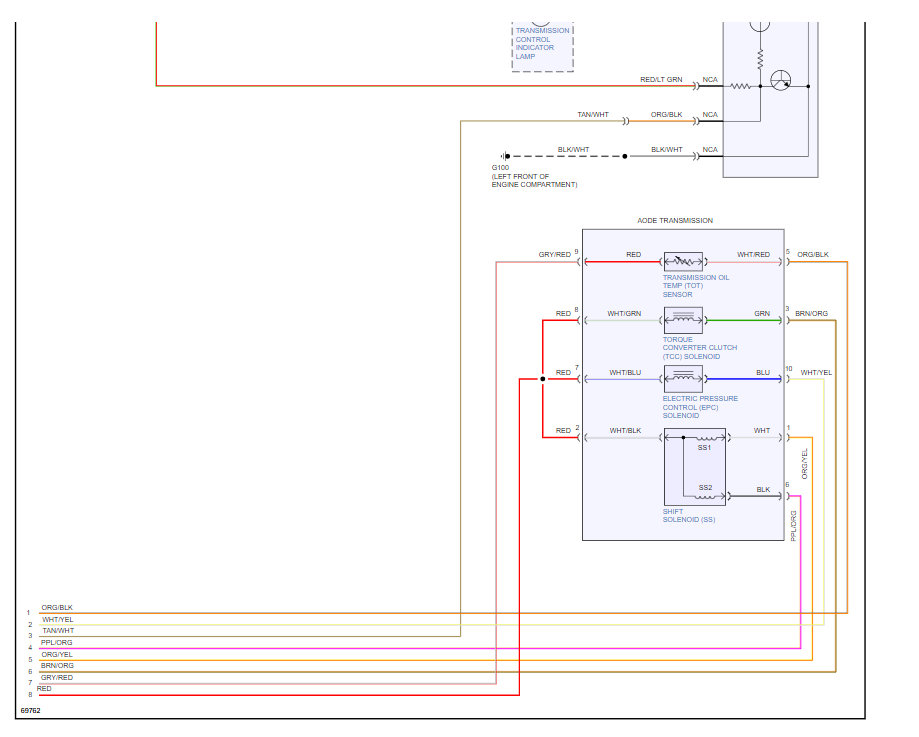
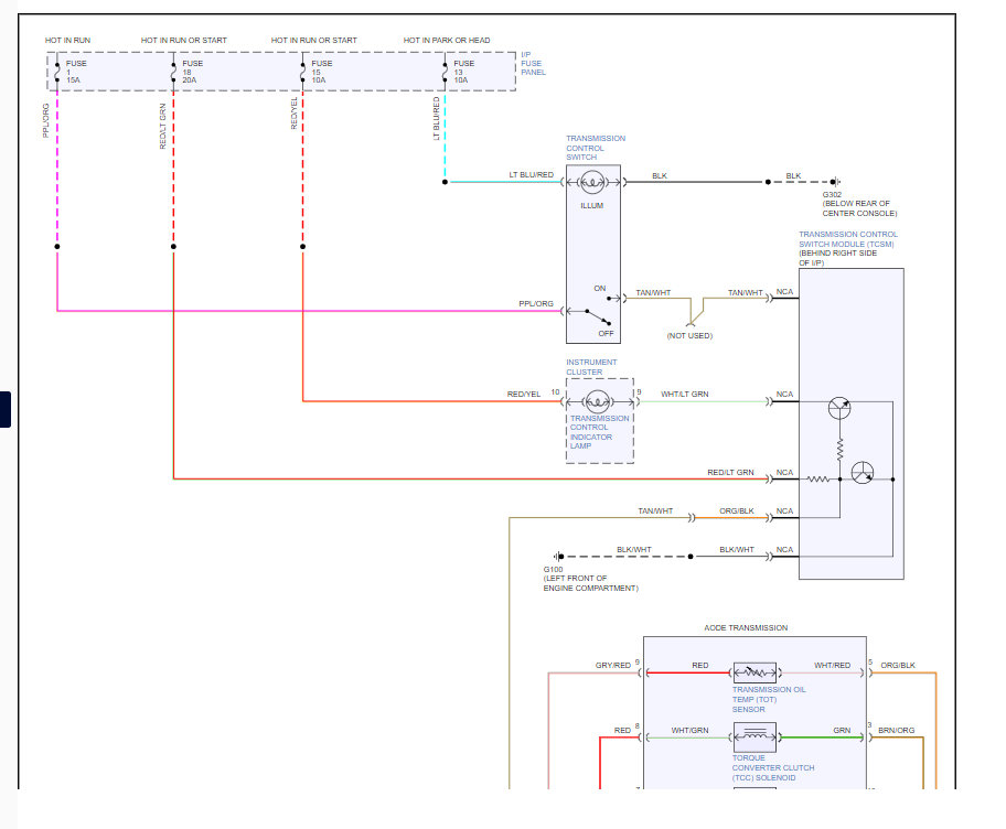
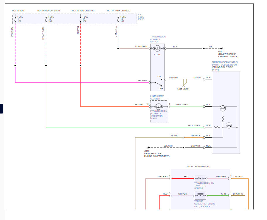
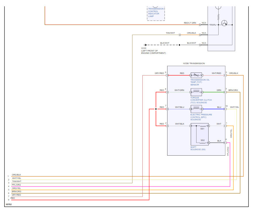
This sounds like a grounding issue. I would check all engine wiring and the ground connections as well. here is a guide to help you with the engine wiring diagrams:

https://www.2carpros.com/articles/how-to-check-wiring

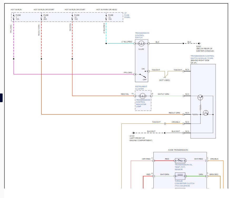
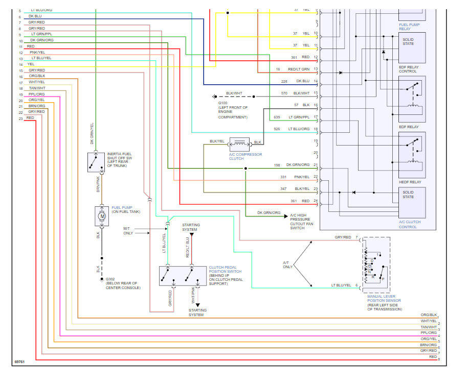
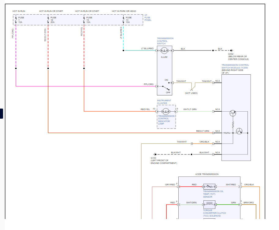
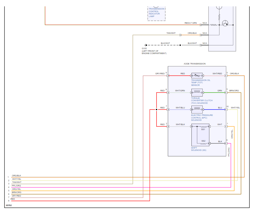
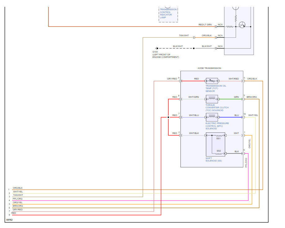
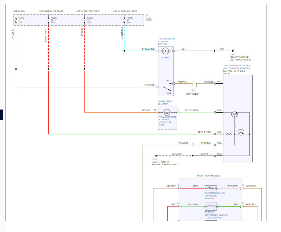
Here are the engine wiring diagrams and OBD1 wiring as well. Please follow the guide and get back to us. Check out the diagrams (below). Please let us know what happens.

Was this
answer
helpful?
Yes
No
+1
Wednesday, April 8th, 2020 AT 10:35 AM
Tiny
KASEKENNY
  • MECHANIC
  • 18,907 POSTS
Here is another response from another expert:

That should have the EEC-IV It's supposed to be an OBD 1A system. To pull codes you connect a jumper from the STI terminal to pin 2 on the OBD connector. Then take a test light and connect it to Ground and put the probe into self test output pin. The test light should glow real dim. Now go inside the car and turn on the key. This should start the check engine light and test light flashing the codes. On this car it can have 2 or 3 digit codes depending on build date and programming. It should flash each KOEOff code 3 times and in progressive order. Write them down. Then it should flash once after a few seconds, then it will flash once again after a few more seconds. Now it should flash the continuous memory codes. Write those down as well.
Now you can disconnect the light and jumper.
Start the engine and warm it up. Shut off the engine and wait 10 seconds. Now connect up the jumper between the STI and self test pins again. Start the engine and stay in the car.
The check engine light will flash a cylinder code, for the 8 cylinder this will be 4 flashes. Next should be the dynamic test, it will be one single flash that happens between 6 and 20 seconds after the cylinder code. When it happens you step on the throttle all the way to the floor and back to idle in a couple seconds. Now any stored codes will flash, these will be the KOERunning codes. Write those down and tag them KOERunning.

Have the OP post those codes and you can look them up. If it doesn't flash anything during the testing with the key on engine off or KOERunning, there is a failure in the self test system wiring.
Was this
answer
helpful?
Yes
No
+1
Thursday, April 9th, 2020 AT 9:10 AM
Tiny
JOSH RPR
  • MEMBER
  • 2 POSTS
Breathless, did you end up finding out what was wrong with your old-i? We are having the same issue with my stepsons.
Was this
answer
helpful?
Yes
No
Sunday, April 10th, 2022 AT 12:31 AM
Tiny
KASEKENNY
  • MECHANIC
  • 18,907 POSTS
Unfortunately, they never responded. However, if you are able to give us the exact details you are dealing with then I am sure we can figure something out.

However, I would suggest we get a new post started so that way we can get all your specific details.

Here is a link to this:

https://www.2carpros.com/questions/new

Let us know and we can go from there.

Thanks
Was this
answer
helpful?
Yes
No
Sunday, April 10th, 2022 AT 11:51 AM

Please login or register to post a reply.