Tuesday, February 26th, 2019 AT 7:14 AM
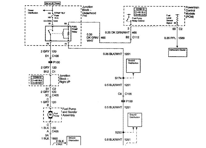
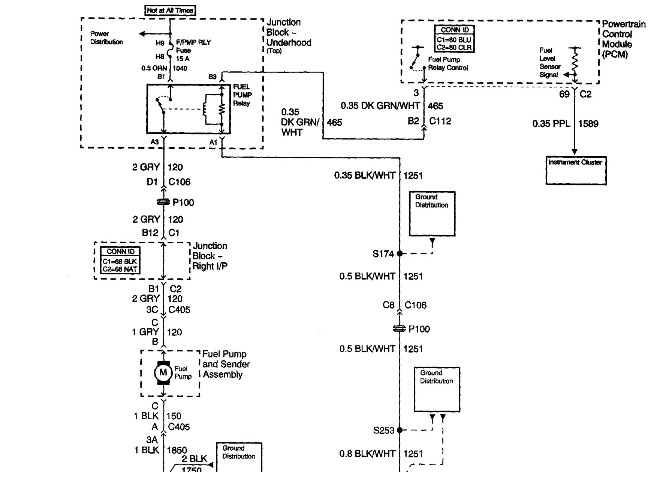
We cant get this car to start after its sat about a year. Was told the fuel pumps can go bad after sitting for so long. You can hear it turn on when you turn the key over. Took the back seats out to get to the access panel and the pump jumps when you try and start it. So we replaced the fuel pump and fuel filter yesterday and it still won't start. It doesn't have much fuel pressure from the bleeder under the hood only about five pounds of pressure. The only way to make it start and run is to hold starting fluid into the breather but as soon as you stop spraying it shuts off. Could it be the fuel regulator or what? We need help.


