Cannot fill fuel tank at the gas station's pump?

Tiny
EMME66
  • MEMBER
  • 2012 HYUNDAI VELOSTER
  • 1.6L
  • 4 CYL
  • 2WD
  • AUTOMATIC
  • 190,000 MILES
Problem - at the gas station nozzle keeps me from filling tank.
Saturday, November 12th, 2022 AT 12:45 AM

5 Replies

Tiny
STEVE W.
  • MECHANIC
  • 15,691 POSTS
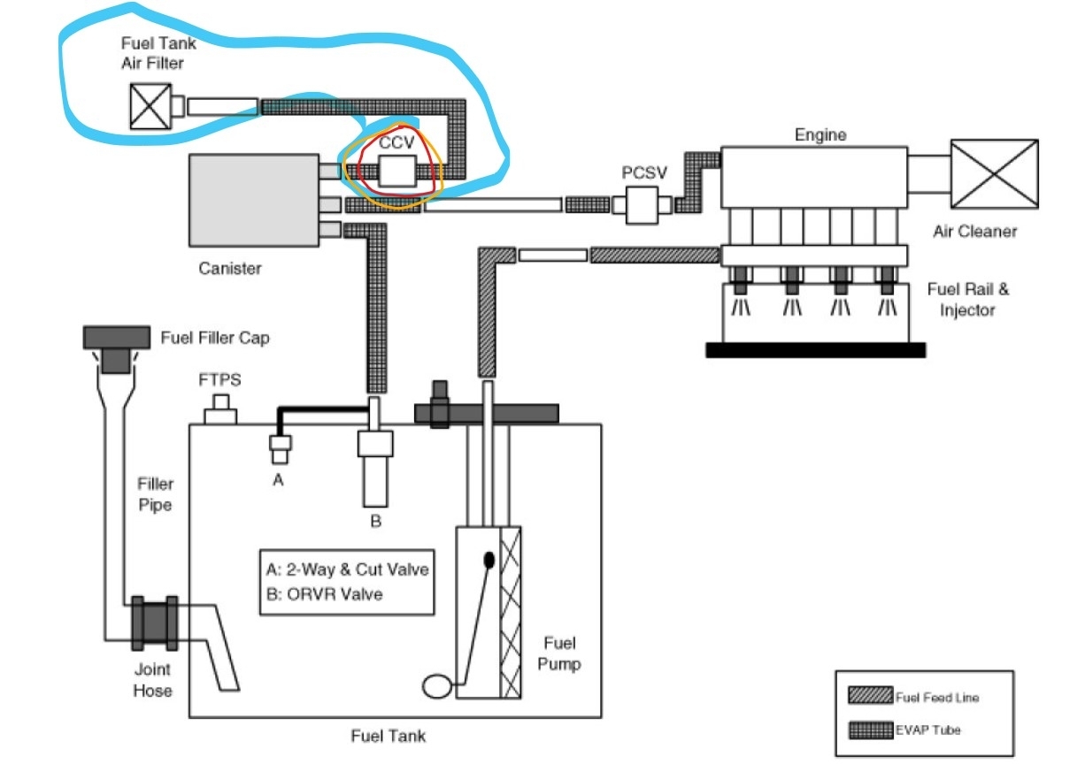
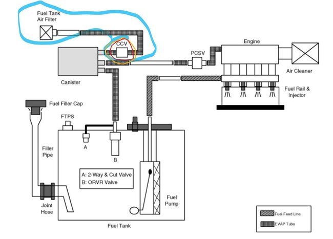
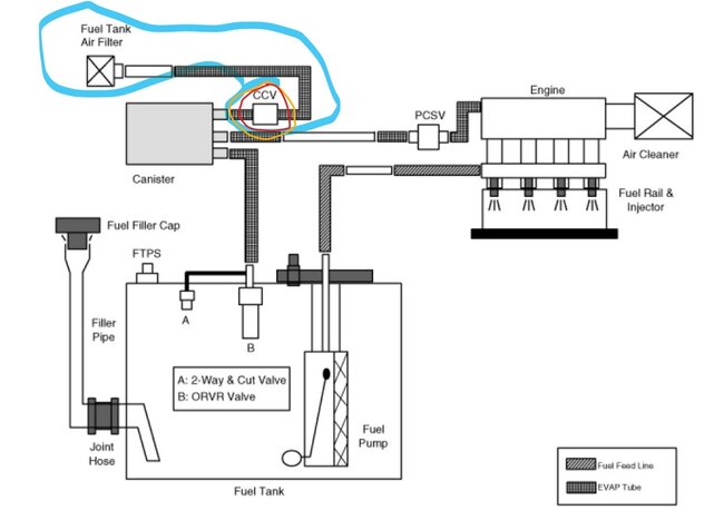
Do you mean that you start pumping gas and it clicks the pump off fast and you can only add a small amount at a time. That usually indicates that the tank vent valve or the vent is blocked. That valve is the CCV in the image attached. It has a 2-wire connector on it with a green power wire and a gray ground wire. Testing is simple, find the vapor canister under the vehicle at the fuel tank, remove the 4 bolts that hold it and disconnect the lines, remove the unit and spilt it at the control valve. Try to blow through the valve. When it is disconnected it should be open. The common issue with them is that the stem that moves the valve rusts and the valve sticks open or closed. Replace the valve and reinstall the canister, inspect it well before you put it back in as there was a recall on them for cracking around the mounting points.
Was this
answer
helpful?
Yes
No
+1
Saturday, November 12th, 2022 AT 11:14 PM
Tiny
EMME66
  • MEMBER
  • 12 POSTS
I found another problem that seems to be common.
The buttons on the steering wheel don't work. Ie: cruise control, trip reset and other side too?
Steve, I think you helped me before and saved me lots of money thank you so much.
Was this
answer
helpful?
Yes
No
Saturday, November 12th, 2022 AT 11:28 PM
Tiny
EMME66
  • MEMBER
  • 12 POSTS
Oops, I forgot to ask what kind of price am I looking at?
Was this
answer
helpful?
Yes
No
Saturday, November 12th, 2022 AT 11:30 PM
Tiny
STEVE W.
  • MECHANIC
  • 15,691 POSTS
No buttons is likely the clock spring under the wheel however you may want to ask that one as a different question, that way it can be found easier.
That said pricing will depend on where you get the part and I would have a dealer run your VIN number and see if the recall applies to your vehicle, could end up being a free repair. If not, the canister vent valve runs about 50.00 for part #314301Y000.
Was this
answer
helpful?
Yes
No
+1
Sunday, November 13th, 2022 AT 9:33 AM
Tiny
STEVE W.
  • MECHANIC
  • 15,691 POSTS
Had any luck getting so you can fill your car?
Was this
answer
helpful?
Yes
No
Wednesday, November 16th, 2022 AT 9:07 PM

Please login or register to post a reply.