Wednesday, March 28th, 2018 AT 6:53 PM
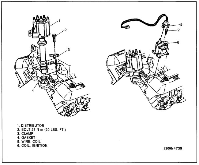
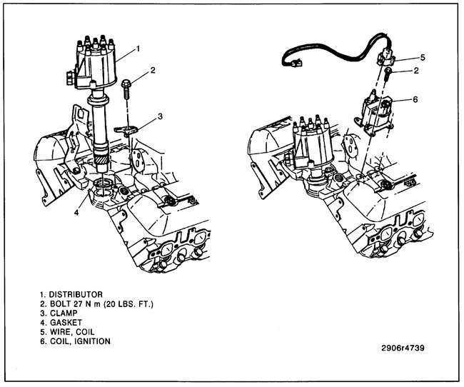
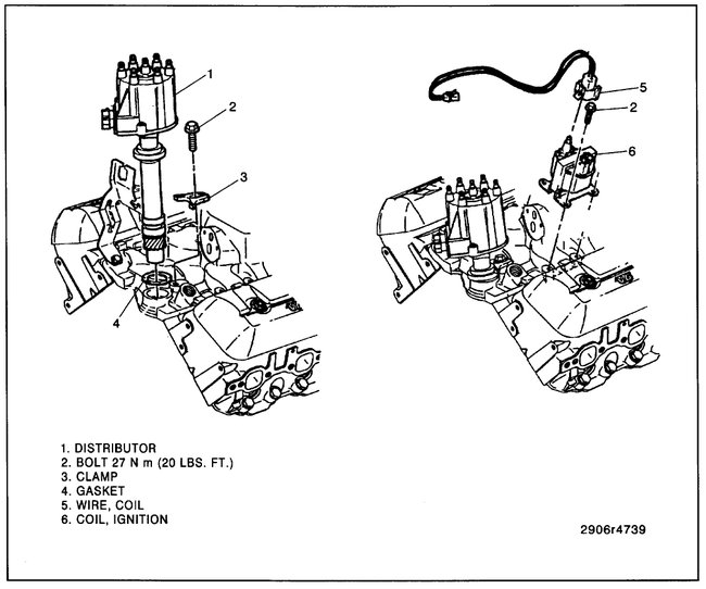
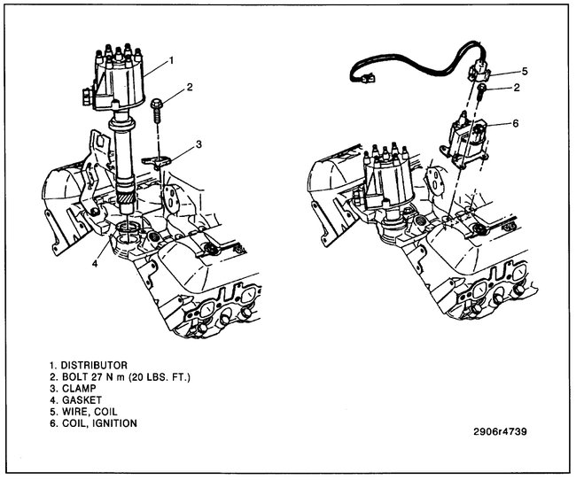
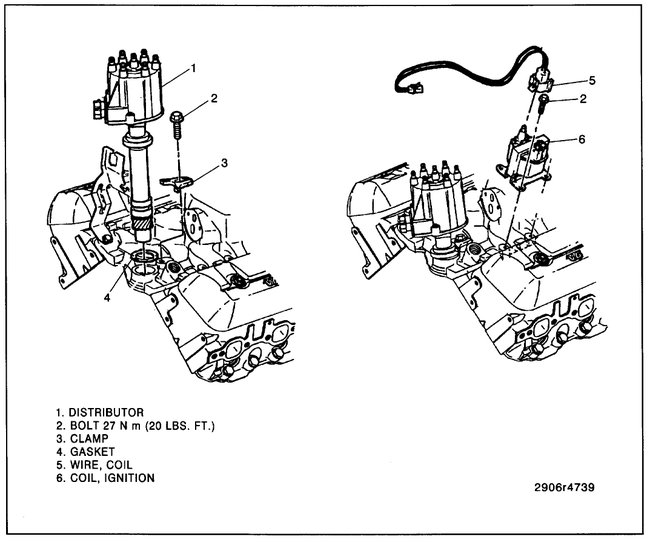
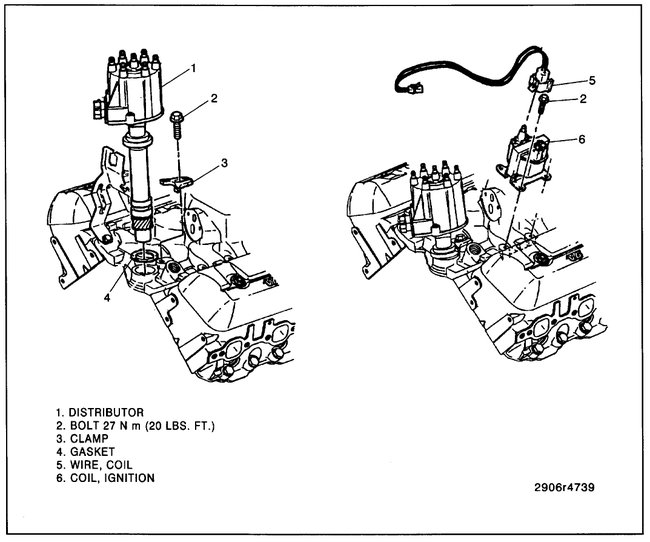
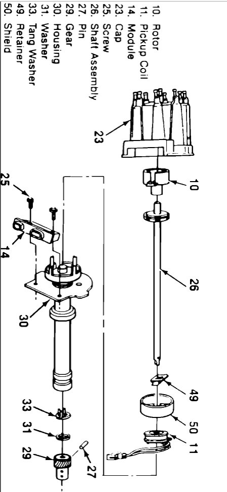
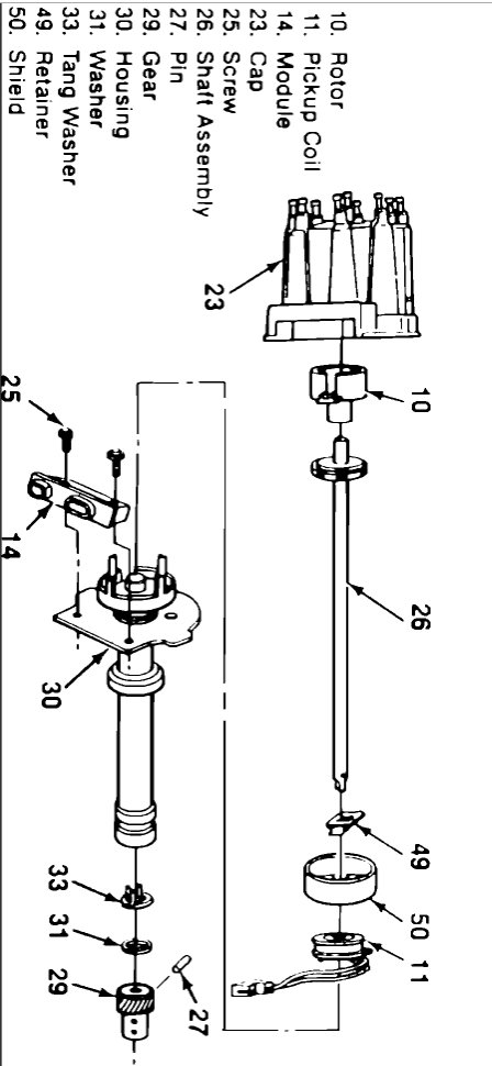
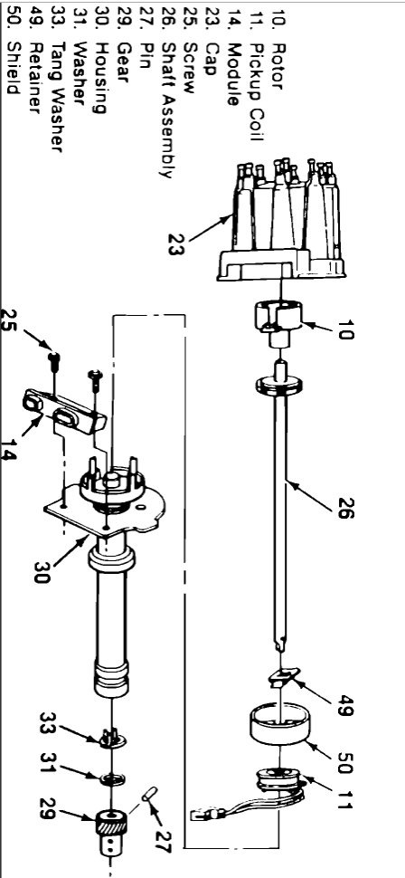
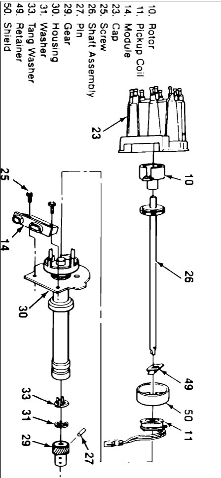
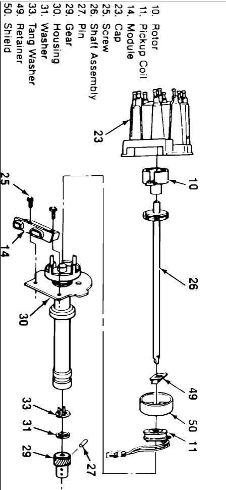
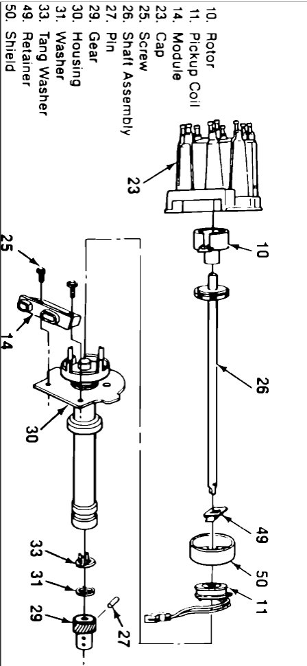
Truck (1500, 5.7 liter engine) starts no problem, but after warming up about ten minutes the rpms drop and go back for about three minutes then shuts off. It will immediately start right back up. When you drive it it will start stalling when you get up to about twenty mph then you have to feather the gas to get back home. I have changed spark plugs and wires, oil filter, oil, coolant, sensor switch, distributor cap, rotor, ignition coil, throttle position sensor, MAP sensor and still runs the same. I am out of money and ideas.










