Cannot switch from dash vents to defrost

Tiny
RMOMMER
  • MEMBER
  • 2012 FORD F-150
  • 200,000 MILES
When I change the selector from dash vents to defrost it still blows out the dash. XLT package that doesn't have dual zone heat/cool.
Saturday, December 18th, 2021 AT 4:53 PM

5 Replies

Tiny
SQM
  • MECHANIC
  • 6,383 POSTS
Hello,

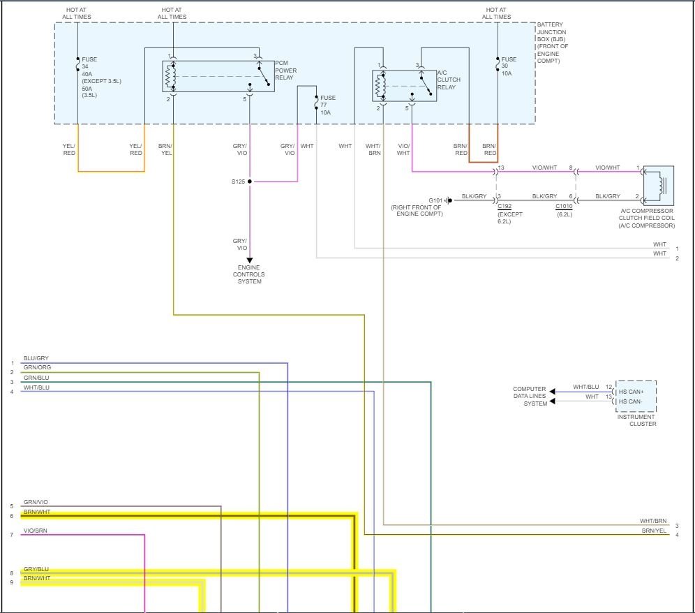
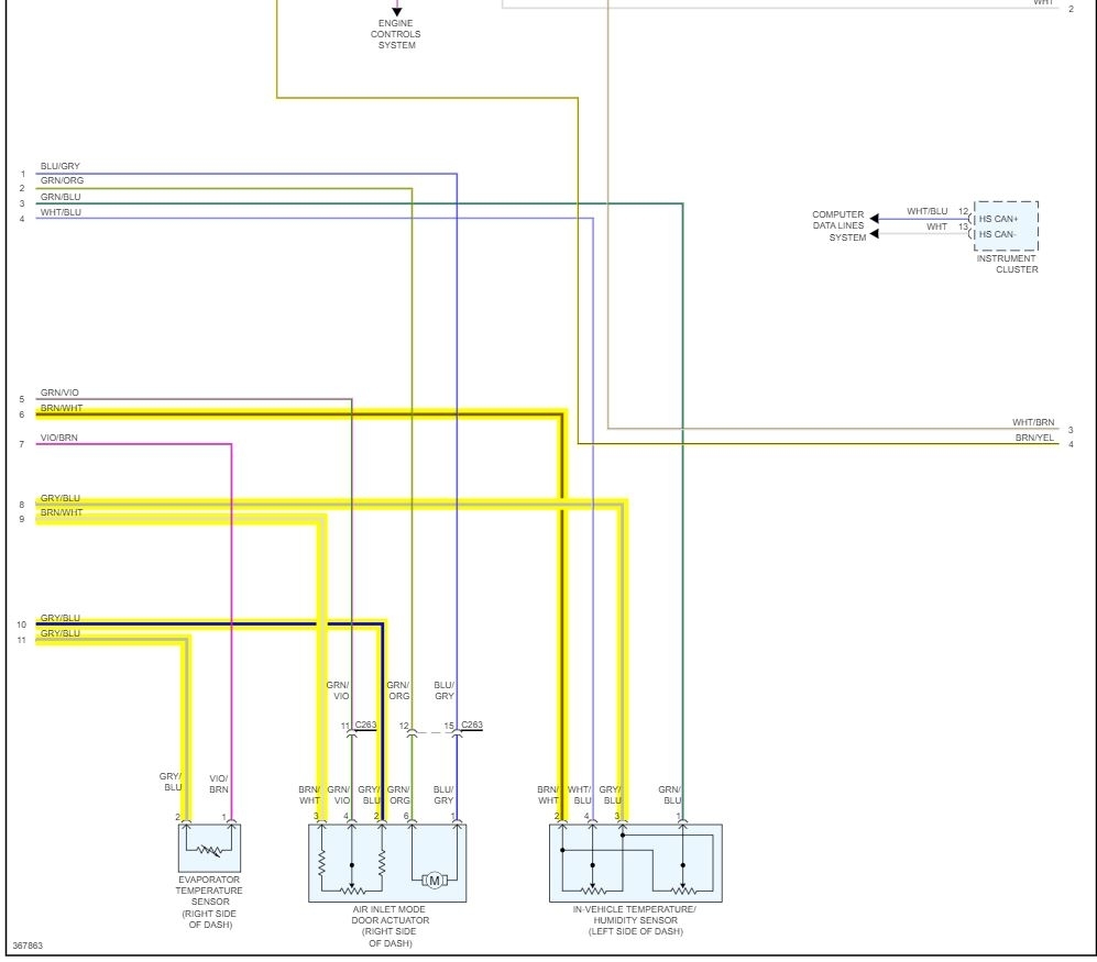
It sounds like you might have a faulty mode door actuator. The mode actuator is what changes the air flow from vent to defrost to floor.
It is likely stuck in the "on" position.
The mode door actuator is located under the dash on the driver the side footwell. Up towards the center console.

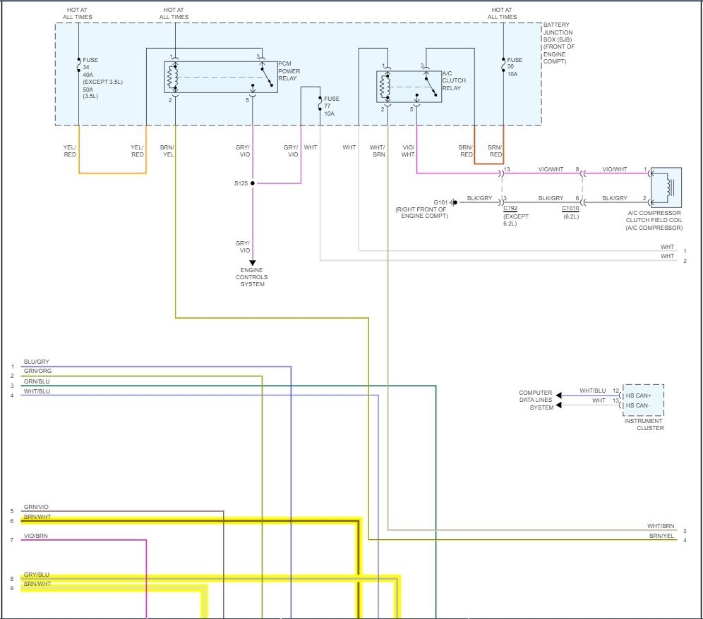
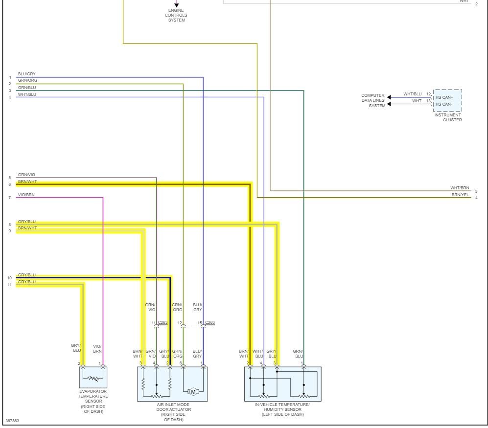
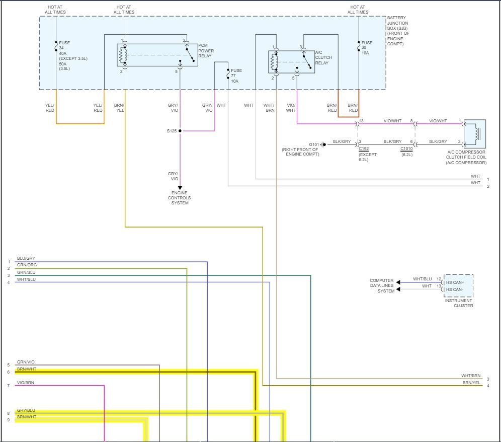
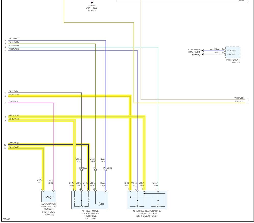
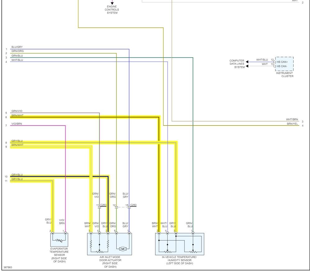
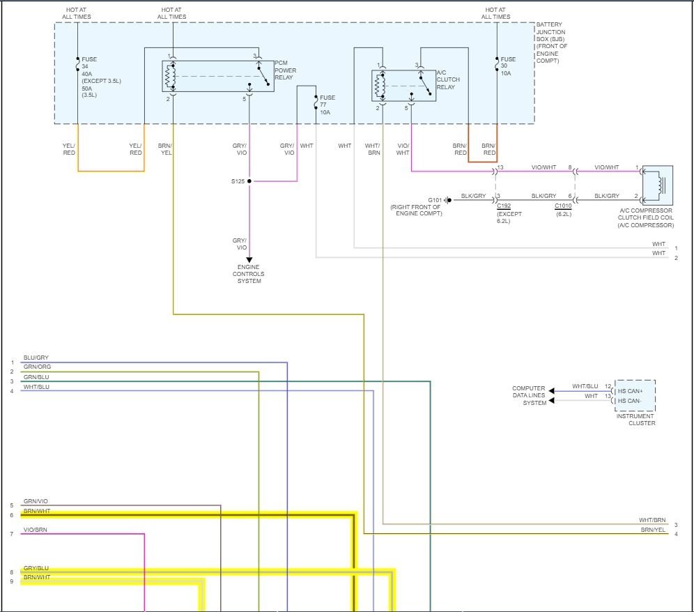
I have attached diagrams for your reference.

Please let me know if you have any questions.
Thank you.
Was this
answer
helpful?
Yes
No
Saturday, December 18th, 2021 AT 9:25 PM
Tiny
RMOMMER
  • MEMBER
  • 3 POSTS
Install a new actuator and it still does it.
Was this
answer
helpful?
Yes
No
Sunday, December 19th, 2021 AT 11:12 AM
Tiny
SQM
  • MECHANIC
  • 6,383 POSTS
The new actuator needs to be initialized properly; without it, it will not work correctly.
The ignition key must be off when replacing the actuator. Energizing the actuator before installation will cause the part to become positioned incorrectly and proper orientation will be lost. Incorrect actuator operation will result.

Another possibility is that the actual door might be jammed or has a broken gear, which does not allow it to turn even with the actuator operating correctly.
The only sure way to know would be to take apart the HVAC box and inspect/replace as necessary.
Was this
answer
helpful?
Yes
No
Sunday, December 19th, 2021 AT 11:53 AM
Tiny
RMOMMER
  • MEMBER
  • 3 POSTS
I followed all steps for initialization so it must be the actual door. I suppose it's behind the dash.
Was this
answer
helpful?
Yes
No
Sunday, December 19th, 2021 AT 12:58 PM
Tiny
ASEMASTER6371
  • MECHANIC
  • 52,796 POSTS
You will need to do some pinpoint checks to be sure the voltage is getting to the motor.

https://www.2carpros.com/articles/how-to-check-wiring

https://www.2carpros.com/articles/how-to-use-a-voltmeter

I attached the diagram for you to view. Check the connector for power with the key on.

Roy
Was this
answer
helpful?
Yes
No
Monday, December 20th, 2021 AT 8:31 AM

Please login or register to post a reply.