Can I get wiring diagrams for Blind Spot, SRS, Turn Signals and Cruise Control?

Tiny
SPEEDRACER3
  • MEMBER
  • 2012 MERCEDES BENZ R350
  • 3.0L
  • V6
  • 4WD
  • AUTOMATIC
  • 200,000 MILES
I have a random sporadic inop of blind spot, turn signal and cruise control, as well as SRS fault. I can't connect scan tool because DLC is inop as well. The fuse seems fine but clearly something is taking down the CAN network. I found water in the trunk from a worn-out seal and found corrosion on the fuse/relay panel on the trunk floor. However, I don't see any real damage and the wiring was taken apart and cleaned. I suspect it may have affected other controllers (i.E. The SAM(s). I did not see any obvious signs of damage or corrosion on the rear SAM or front SAM.
I am trying to see what is common on these systems to narrow down the search.
Monday, December 23rd, 2024 AT 9:25 AM

12 Replies

Tiny
KEN L
  • MASTER CERTIFIED MECHANIC
  • 55,322 POSTS
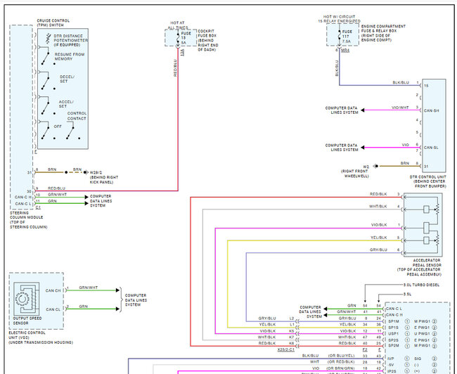
We are working blindly without the DLC working so we should concentrate on that first. Let's check fuse #58 7.5 amp with the ignition system on to see if the fuse has power. This guide can help:

https://www.2carpros.com/articles/how-to-check-a-car-fuse

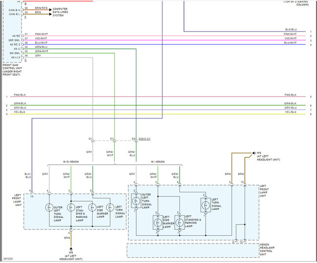
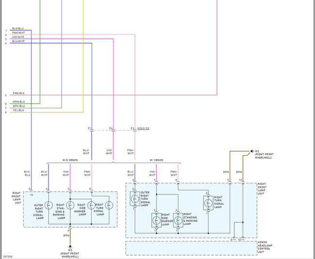
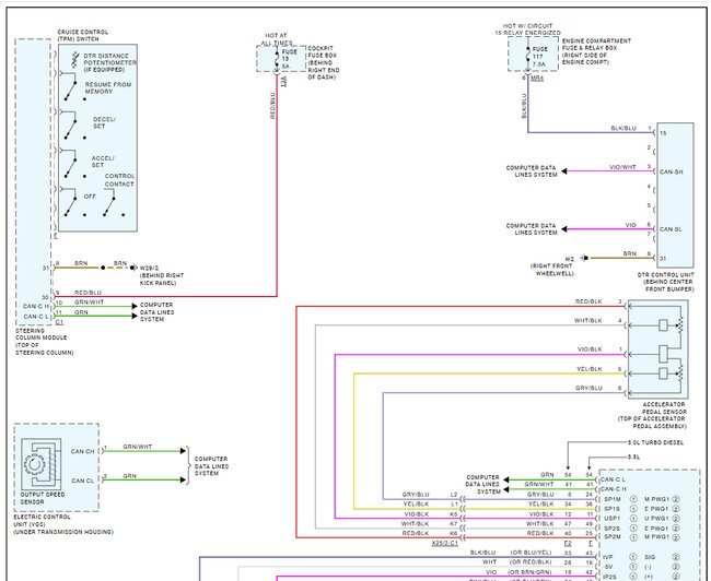
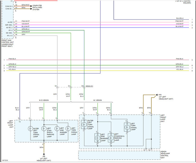
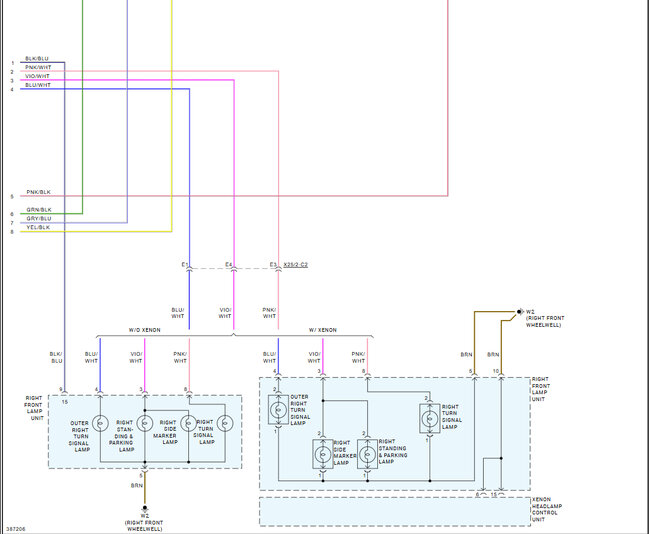
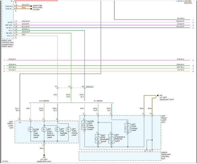
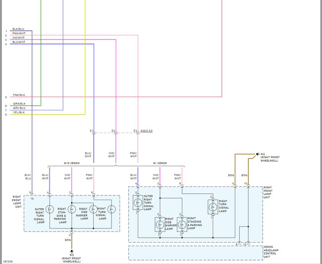
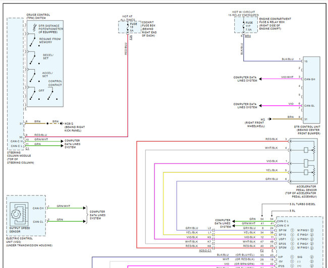
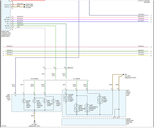
Both brown wires on the DLC need to be grounded as well. Here is the wiring diagrams so you can see how the connector works. Check out the images (below). Please let us know what happens.
Was this
answer
helpful?
Yes
No
Tuesday, December 24th, 2024 AT 11:22 AM
Tiny
SPEEDRACER3
  • MEMBER
  • 25 POSTS
I've already checked that. That was the first thing I did. I have power and the fuse is good. But I will use these diagrams to check everything at the DLC - power, ground and Bus voltage levels (this will also tell me if there is a faulty node taking down the network).
Was this
answer
helpful?
Yes
No
Tuesday, December 24th, 2024 AT 4:42 PM
Tiny
SPEEDRACER3
  • MEMBER
  • 25 POSTS
But I know for a fact I have multiple systems affected and I suspect it's from water ingress (again). If I want to see where these systems are controlled from, I can find common point to inspect.
Was this
answer
helpful?
Yes
No
Tuesday, December 24th, 2024 AT 4:43 PM
Tiny
KEN L
  • MASTER CERTIFIED MECHANIC
  • 55,322 POSTS
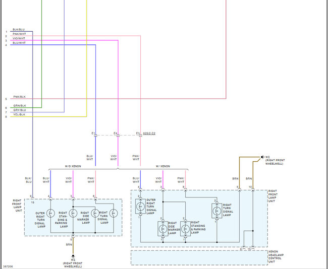
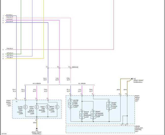
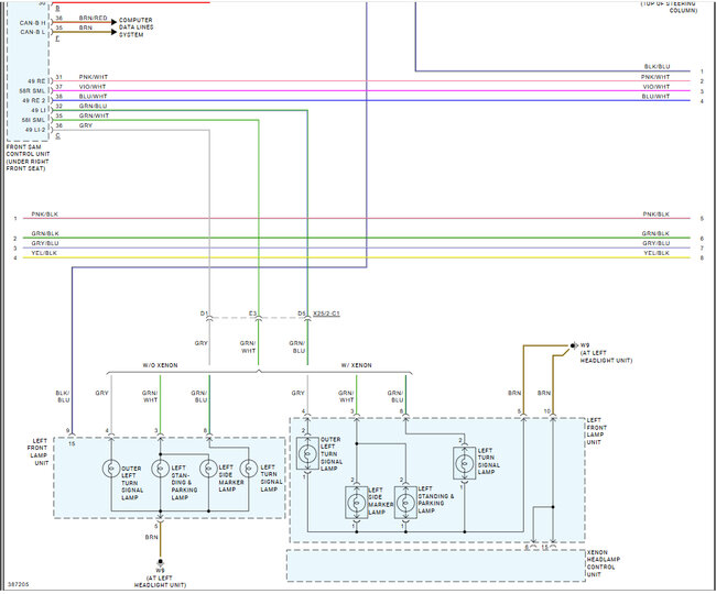
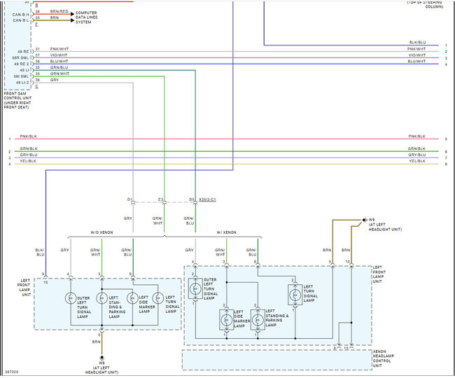
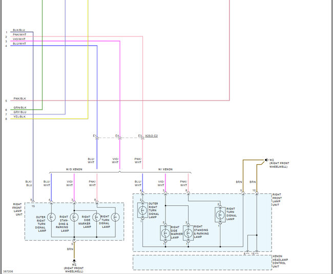
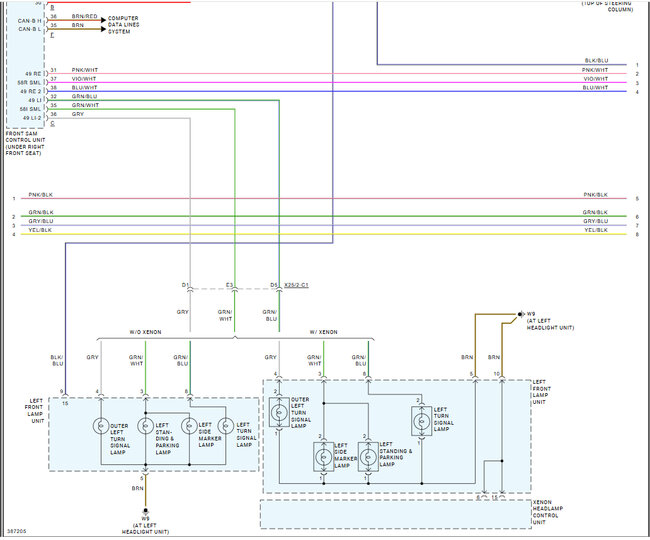
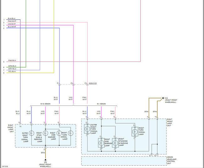
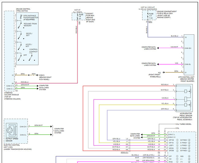
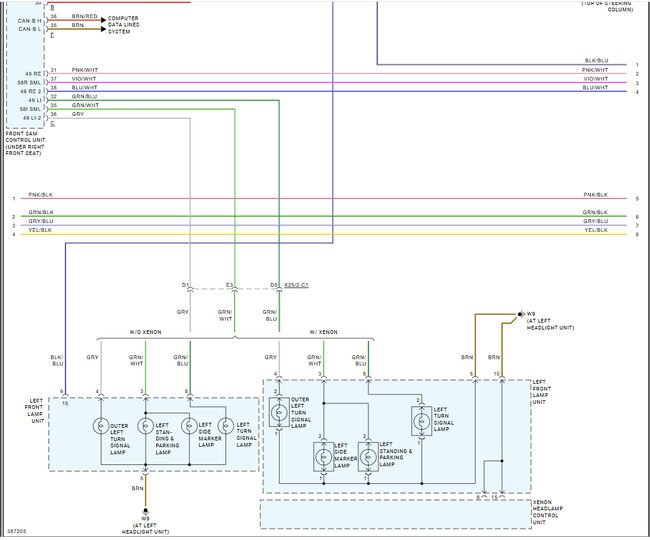
Sure, here are the wiring diagrams for the blind spot, SRS, turn signals and cruise control. Check out the images (below). Let us know how it goes.
Was this
answer
helpful?
Yes
No
Wednesday, December 25th, 2024 AT 10:37 AM
Tiny
SPEEDRACER3
  • MEMBER
  • 25 POSTS
Progress has been made; The common line to all these systems was the Central Gateway. It had no power (same as the DLC connector). I found that the two wires from Fuse 58 were broken at the terminal crimp site (was not obvious until you pulled them out with some force). This was the cause for the DLC not having power and the second wire from this fuse powered the Central Gateway. This is explained why I had no CANbus and everything was going haywire. A quick and dirty test of connecting those wires to power brought everything back online and working again.
That said, there is a ton of corrosion and damage on the bottom of the fuse/relay panel and each one needs to be removed and cleaned or repaired. Other wires are broken from corroding for so long. Is it possible to have wiring diagrams of the fuse/relay panel in the cargo area (trunk)?
Also, would anyone happen to know what terminal type is used in the connectors for this panel? They look like they could be (MQS)MQP 2.8, but I'm not entirely sure. The locking system seems different.
Was this
answer
helpful?
Yes
No
Wednesday, January 8th, 2025 AT 12:48 PM
Tiny
KEN L
  • MASTER CERTIFIED MECHANIC
  • 55,322 POSTS
Sorry don't know the terminal connectors, I would reach out to the Mercedes parts department. Here are the fuse panel wiring diagrams, good find on the wiring issue.
Was this
answer
helpful?
Yes
No
Thursday, January 9th, 2025 AT 10:54 AM
Tiny
SPEEDRACER3
  • MEMBER
  • 25 POSTS
I have a bit of a puzzling issue now and I can't tell if it's related to the water damage issue I had earlier, but I can't seem to clear some faults from the ESP: 5379 (check coding 'airmatic' in N93 [central gateway], 5556 (no CAN message was received from N93), 5539 (one or more signals sent from N51 [airmatic with ADS] via CAN bus is implausible), and 6001 (supply voltage is too low).
The central gateway seems to be running find after I corrected the power supply issue from the corroded lines in the cargo area fuse/relay panel. All systems, including airmatic, seem to be functioning correctly.
I can access N51, airmatic module, and take output readings.
I just can't clear the codes. I inspected all the wires in the fuse/relay panel and did a pull tests. Repaired any that were broken, cleaned the corrosion as much as possible and sprayed some dielectric in there to seal them off from further corrosion and any other water ingress.
Anyone have any ideas?
Was this
answer
helpful?
Yes
No
Wednesday, January 29th, 2025 AT 6:36 PM
Tiny
KEN L
  • MASTER CERTIFIED MECHANIC
  • 55,322 POSTS
Yes, the airmatic module could be functioning correctly but not processing the feedback data for the CAN BUS. You may need to replace it, or at least remove it and double check the connectors for corrosion and water damage.
Was this
answer
helpful?
Yes
No
Thursday, January 30th, 2025 AT 11:59 AM
Tiny
SPEEDRACER3
  • MEMBER
  • 25 POSTS
Seems with was some kind of software fault. I did a hard reset on the ABS module (disconnected the harness and plugged it back in after a bit) and I was then able to clear the codes. There are no issues now.
Was this
answer
helpful?
Yes
No
Monday, February 3rd, 2025 AT 1:52 PM
Tiny
KEN L
  • MASTER CERTIFIED MECHANIC
  • 55,322 POSTS
Nice work, the old hard reboot does wonders! Here is a guide to show others what you did to fix it:

https://www.2carpros.com/articles/step-by-step-guide-performing-a-hard-system-reboot-for-your-vehicles-electronics-systems

Thanks for letting us know, we are here to help, please use 2CarPros anytime.
Was this
answer
helpful?
Yes
No
Tuesday, February 4th, 2025 AT 8:58 AM
Tiny
SPEEDRACER3
  • MEMBER
  • 25 POSTS
This car is the gift that keeps on giving. Is there any info on the rear/cargo fuse panel that explains the wiring for the P1-P6 connectors, pinout, and wire size? I need to know where a broken wire goes - only info is color, size and I know it's from P6. But I also need to trace other wires from connector P5, P4 and so on.

As well, need to wiring diagram for Adblue fill level sensor to test whether the sensor is actually the problem or if there is a wiring issue that I can trace back to the fuse panel that went swimming.

Cheers
Was this
answer
helpful?
Yes
No
Monday, August 4th, 2025 AT 2:42 PM
Tiny
KEN L
  • MASTER CERTIFIED MECHANIC
  • 55,322 POSTS
Yep, it happens, sorry, we only handle one problem per thread, please post your new question here, you must be logged in.

https://www.2carpros.com/questions/new

Cheers, Ken
Was this
answer
helpful?
Yes
No
Tuesday, August 5th, 2025 AT 8:16 AM

Please login or register to post a reply.