Can I bypass ECU to fuel injectors?

Tiny
STEVEN GRIBBINS
  • MEMBER
  • 26 POSTS
Alright buddy, I'm sorry to keep bothering you with all these questions. I bet your telling yourself "Man, what kind of Frankin-bus does this guy have going on". Well, after getting those wiring diagrams I've come to find out that after ruining the two wires of the two ECU plugs I rewired it all wrong and apparently rewired them back to the wrong wires, so now what I have is a bad ECU that came with the bus originally in an ovary see you that when I plug the two ECU wiring plugs into it causes my fuel injectors to spray fuel. So, something tells me that there's a slight chance in heck that my older ECU from an 88 model may be good. It's got to the cow pack and a prone pack in it. By chance would you be able to give me the wiring diagram to this ECU so I can remote my plugs to work on that one? Thank you very much and sorry to bother you.
Was this
answer
helpful?
Yes
No
Monday, June 6th, 2022 AT 1:29 AM
Tiny
STEVEN GRIBBINS
  • MEMBER
  • 26 POSTS
Could there be any other reason why my injectors are receiving any post to them like my distributor could it be bad even though it's new and how do I check if this is distributor causing the problem?
Was this
answer
helpful?
Yes
No
Monday, June 6th, 2022 AT 1:44 AM
Tiny
AL514
  • MECHANIC
  • 5,596 POSTS
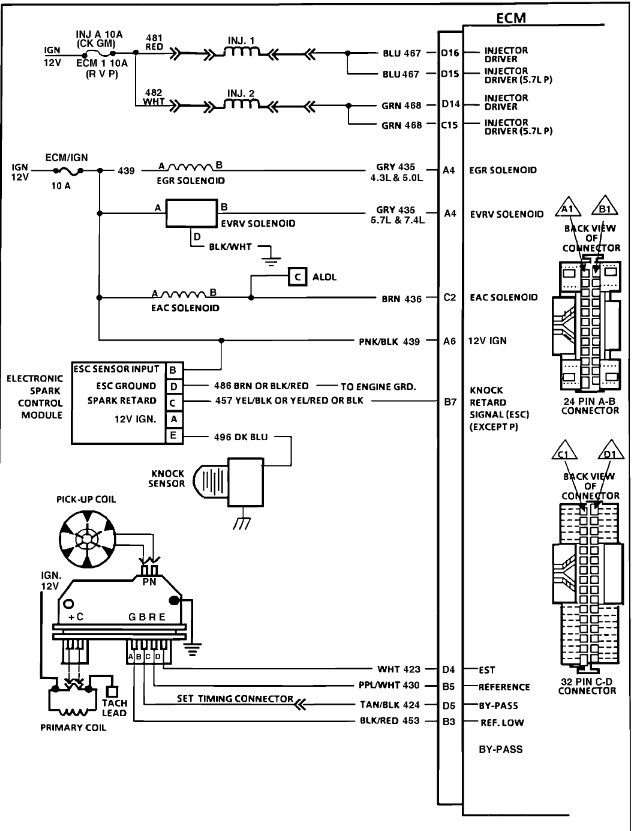
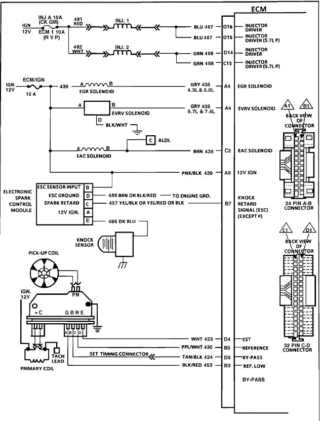
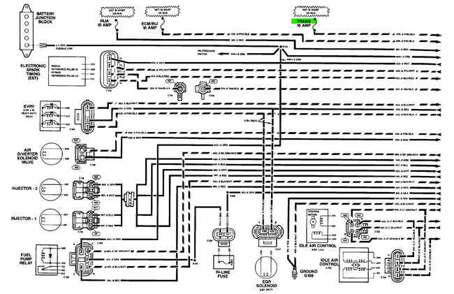
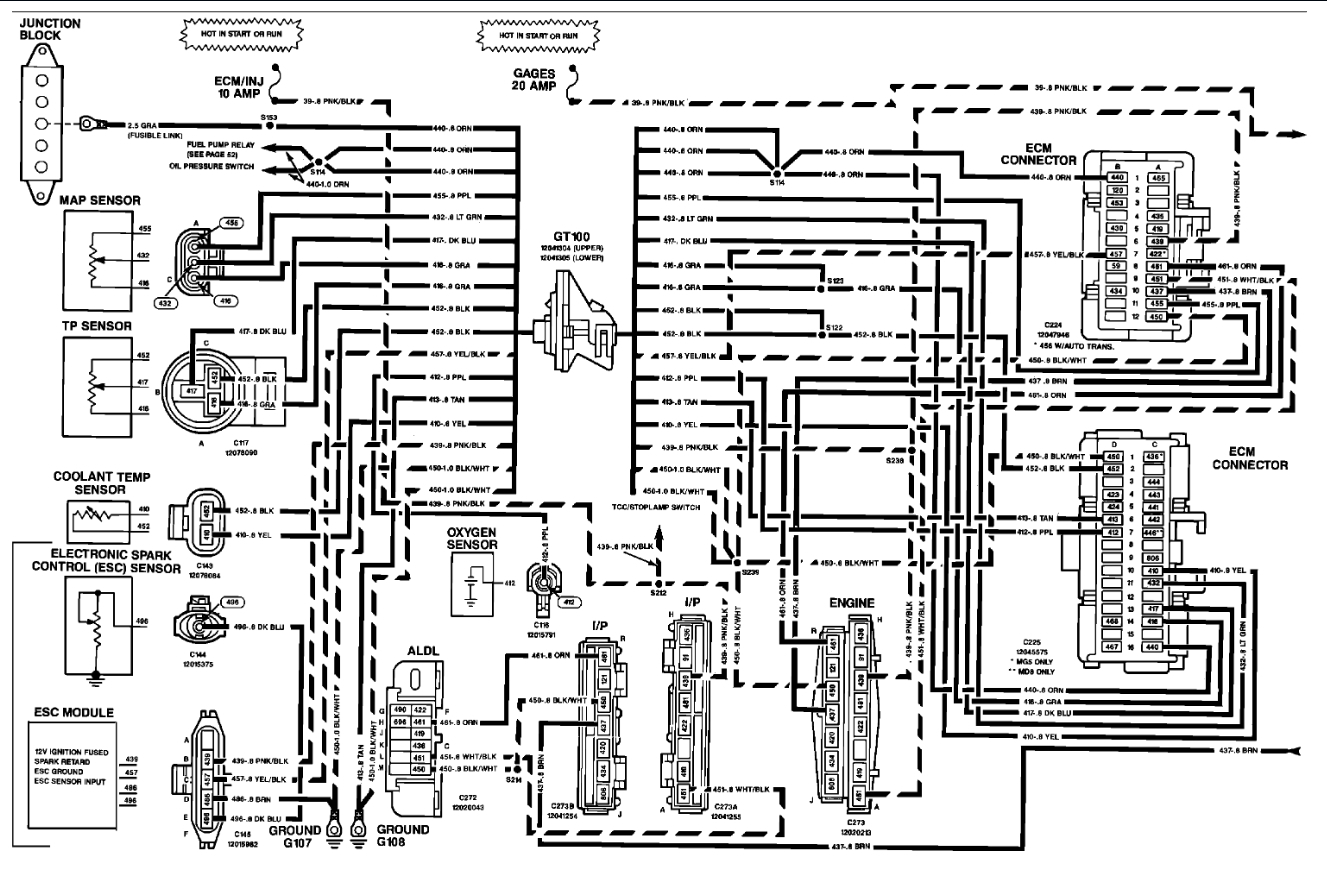
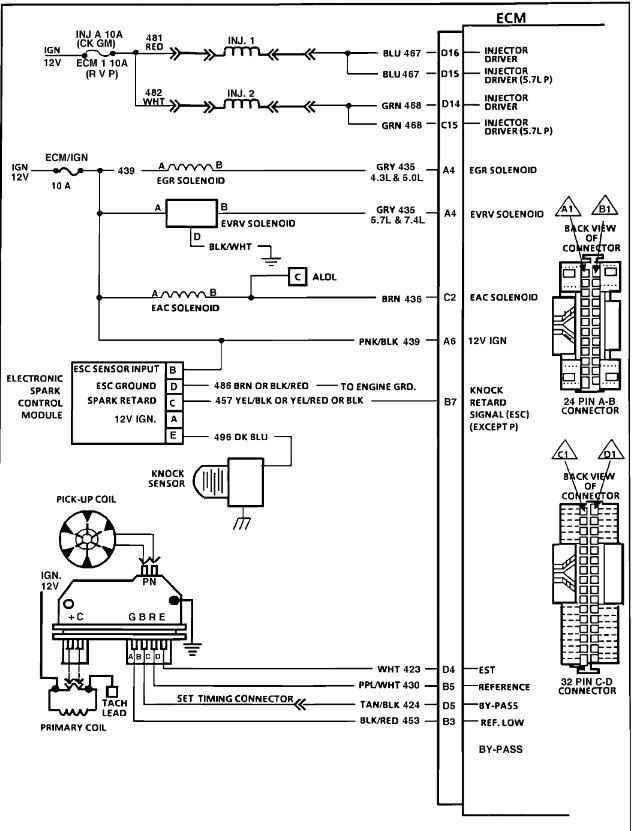
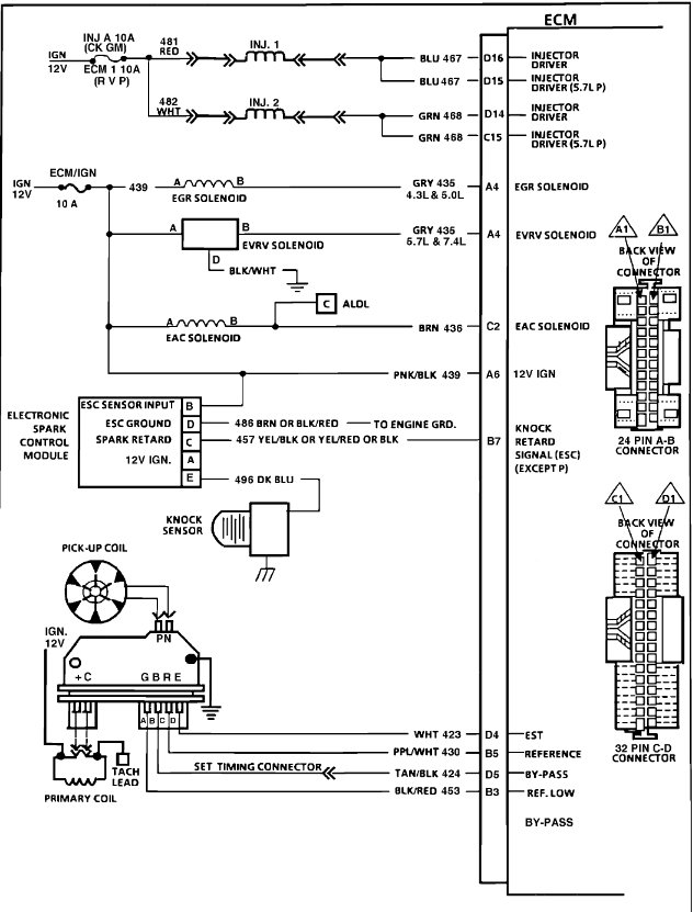
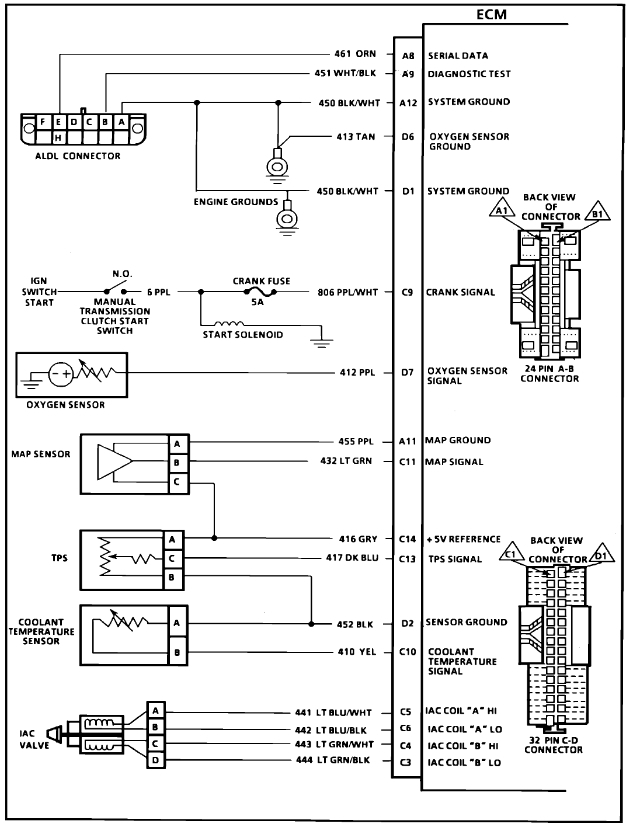
Okay, so, you're asking why the injectors are not getting pulsed? And what year ECM are you working with now? The 1992 or 1988'? And is the 1988 from a G-30 van as well? From the diagrams for the 92' the pickup coil in the distributor is where the timing signal comes from, for example newer vehicles use a crankshaft position sensor to reference timing and then sometimes a cam sensor to reference the #1 cylinder's TDC. So, in a distributor sets up the pickup coil or coils do the same thing. That will be the reference for spark timing and injector pulse.
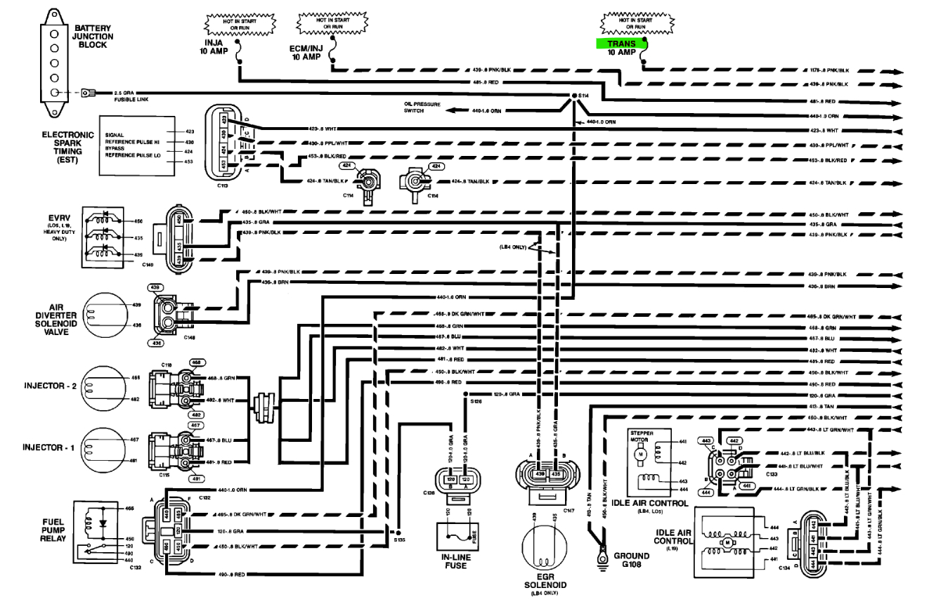
I did find wiring diagrams for a Chevy G-30 van, 5.0l and 5.7l and actually these diagrams are a lot better than the 1992' ones.
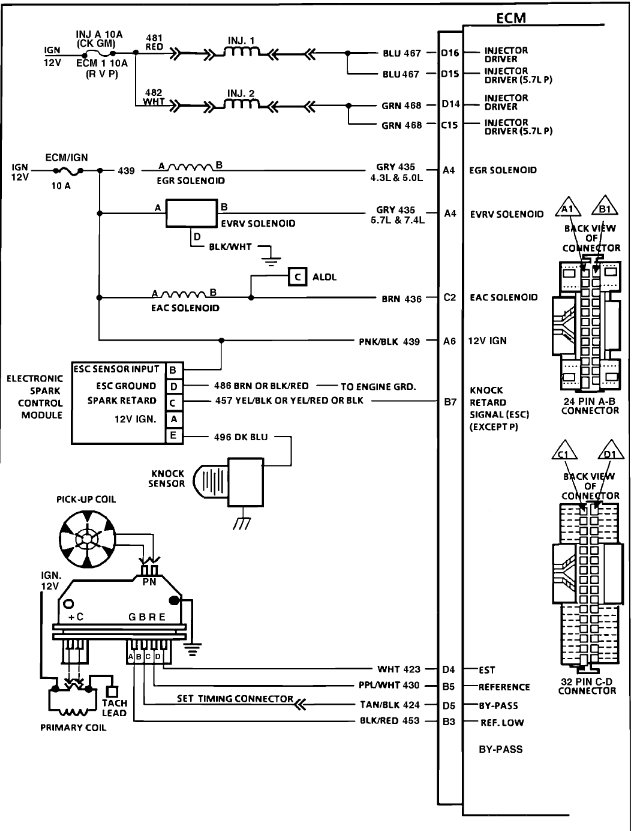
And to check for the timing reference you can put a test light attached to Battery Positive and while cranking the engine touch the test light to the negative side of the Ignition Coil. The ignition coil has 2 circuits built into it. The 2 wires attached to the coil are battery positive and ground. That is the ignition coil's Primary circuit, when the ECM pulses the Ground side (or Control side) of the coil, this induces high voltage into the coils Secondary circuit which the spark plug wire is connected to. So, with a test light attached to battery positive and touching the negative (Ground/Control) side of the coil, your test light will flash, because the ECM is continuously turning the control side off and on to induce the high voltage into the Secondary circuit.
You notice that older models have that wire running to the distributor that has a connector you unplug to set base timing with a timing light. That is the EST circuit. It's the ECMs control of spark timing to the Distributor. When it's unplugged the ECM no longer has control of ignition timing. The ignition control module has control of spark timing then.

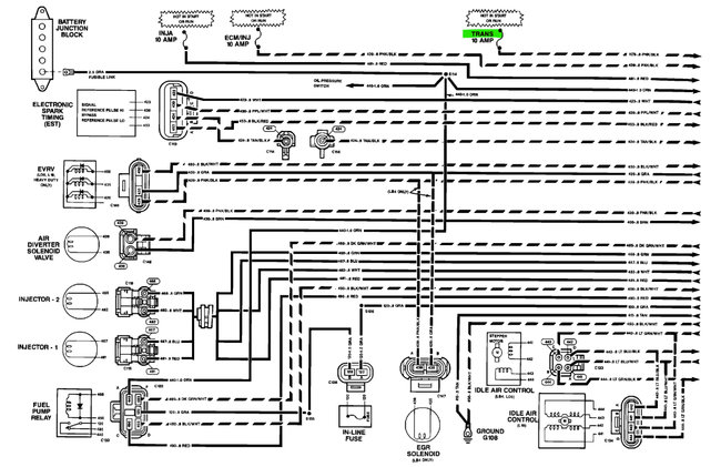
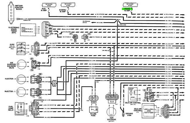
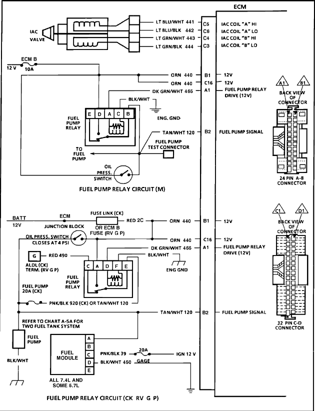
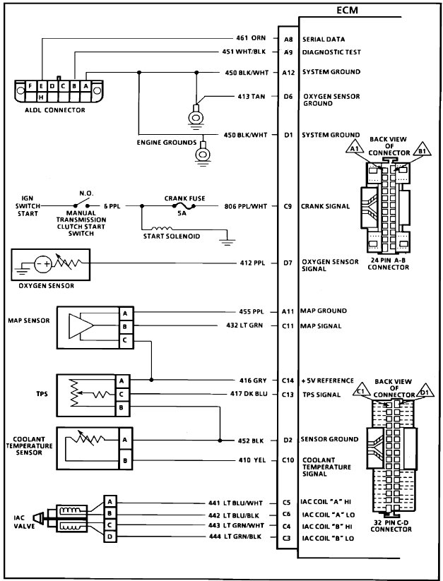
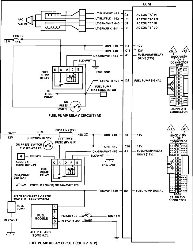
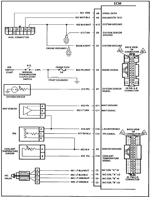
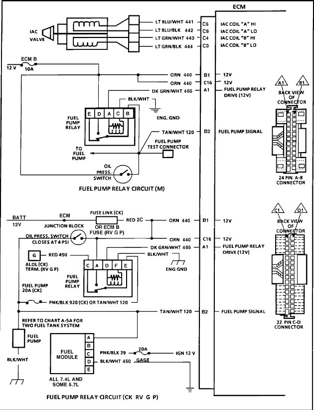
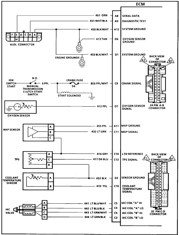
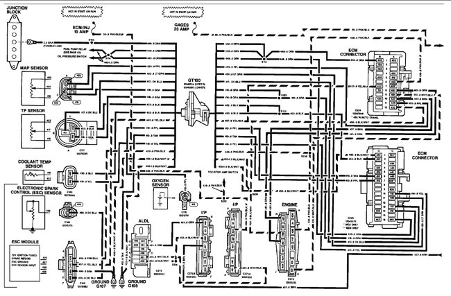
These diagrams are the ECM from a 1988 Chev G-30 5.0 liter. Notice on diagram 4 the Pick-up coil and the Ignition Coil + and C(control). This has a separate Electronic Spark Control Module. A common GM setup back then. There are also break down wiring diagrams of each system, Fuel Control and Idle Air Control- Ignition System- Throttle Body Injection (TBI).
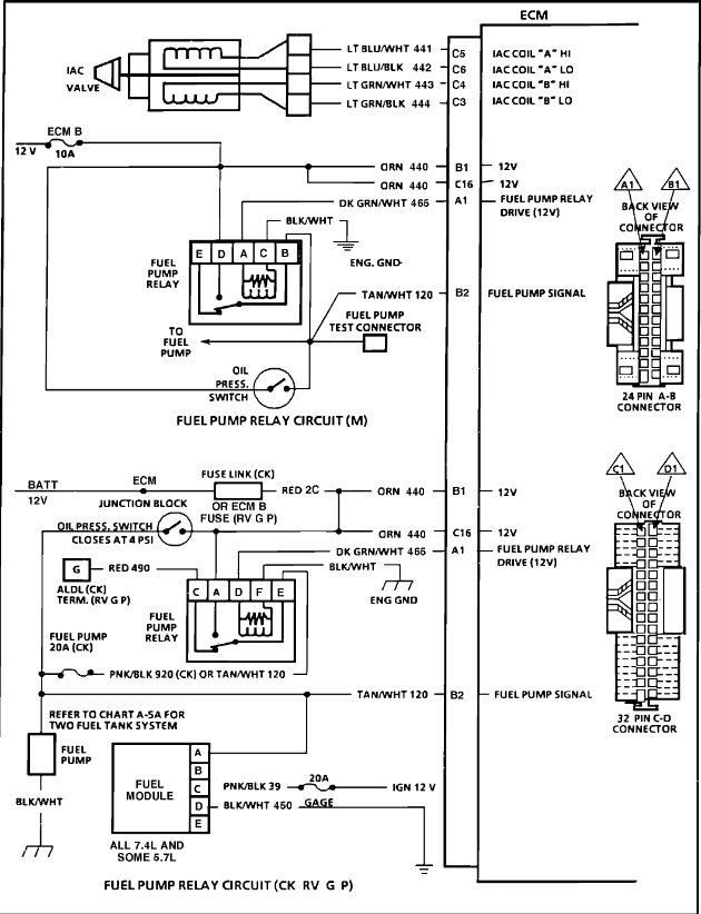
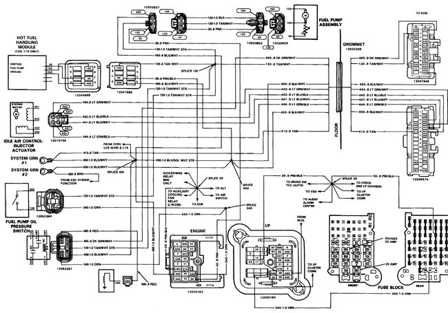
5th Diagram is the Fuel Control.
Was this
answer
helpful?
Yes
No
Monday, June 6th, 2022 AT 1:16 PM
Tiny
STEVEN GRIBBINS
  • MEMBER
  • 26 POSTS
I need a wiring diagram for 1977 Jeep cj 7 if it's possible.
Was this
answer
helpful?
Yes
No
Saturday, June 11th, 2022 AT 5:35 PM
Tiny
AL514
  • MECHANIC
  • 5,596 POSTS
No, there are no wiring diagrams for that at all. There's a vacuum line diagram, but it's almost impossible to see anything on it, it's so old.
Was this
answer
helpful?
Yes
No
Saturday, June 11th, 2022 AT 9:53 PM
Tiny
STEVEN GRIBBINS
  • MEMBER
  • 26 POSTS
Okay, back to my bus. I've finally learned how to read these wiring diagrams. I needed to just slow down and focus. So, here's where I'm at: I'm trying to wire this ECU to bus the serve number is 1227747 that's the ECU I need to pinout for, or a wiring diagram should I say.
Was this
answer
helpful?
Yes
No
Sunday, June 12th, 2022 AT 12:51 AM
Tiny
STEVEN GRIBBINS
  • MEMBER
  • 26 POSTS
Whoever you are I sure appreciate your help, it's been a lot of help.
Was this
answer
helpful?
Yes
No
Sunday, June 12th, 2022 AT 12:51 AM
Tiny
AL514
  • MECHANIC
  • 5,596 POSTS
It's all good, that's why we're here. To help people out. As for the ECM, I can't really identify an ECM by is serial number. I'd need to know what the ECM is designed for. Is it for the 1992 G-30 5.7 liter? I did a search on that number for ECMs and came up with a C1500 Chevrolet ECM 4.3L, 5.0L, 5.7L, 1988, 89, 90, 91'.
But just so you know, the engine that will be going with this ECM, needs to have the correct number of teeth on the crankshaft reluctor wheel. Or the correct pick in the distributor if that's what it has for a setup. The ECM is expecting to count a certain number of pulses from the crankshaft position sensor, or it will not trigger the ignition and/or fuel injectors correctly.
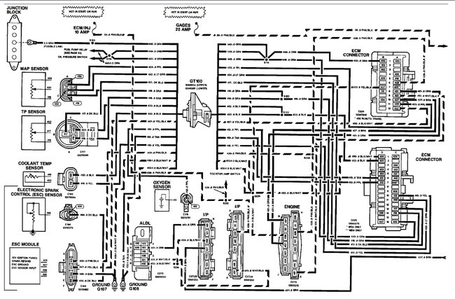
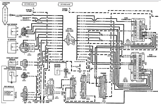
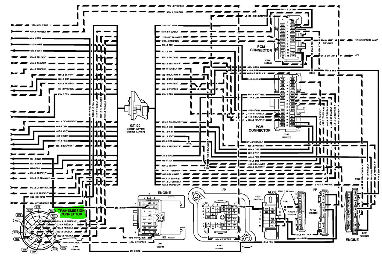
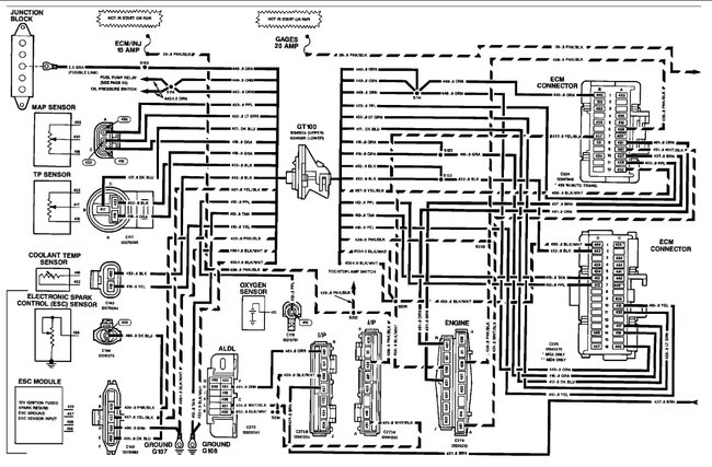
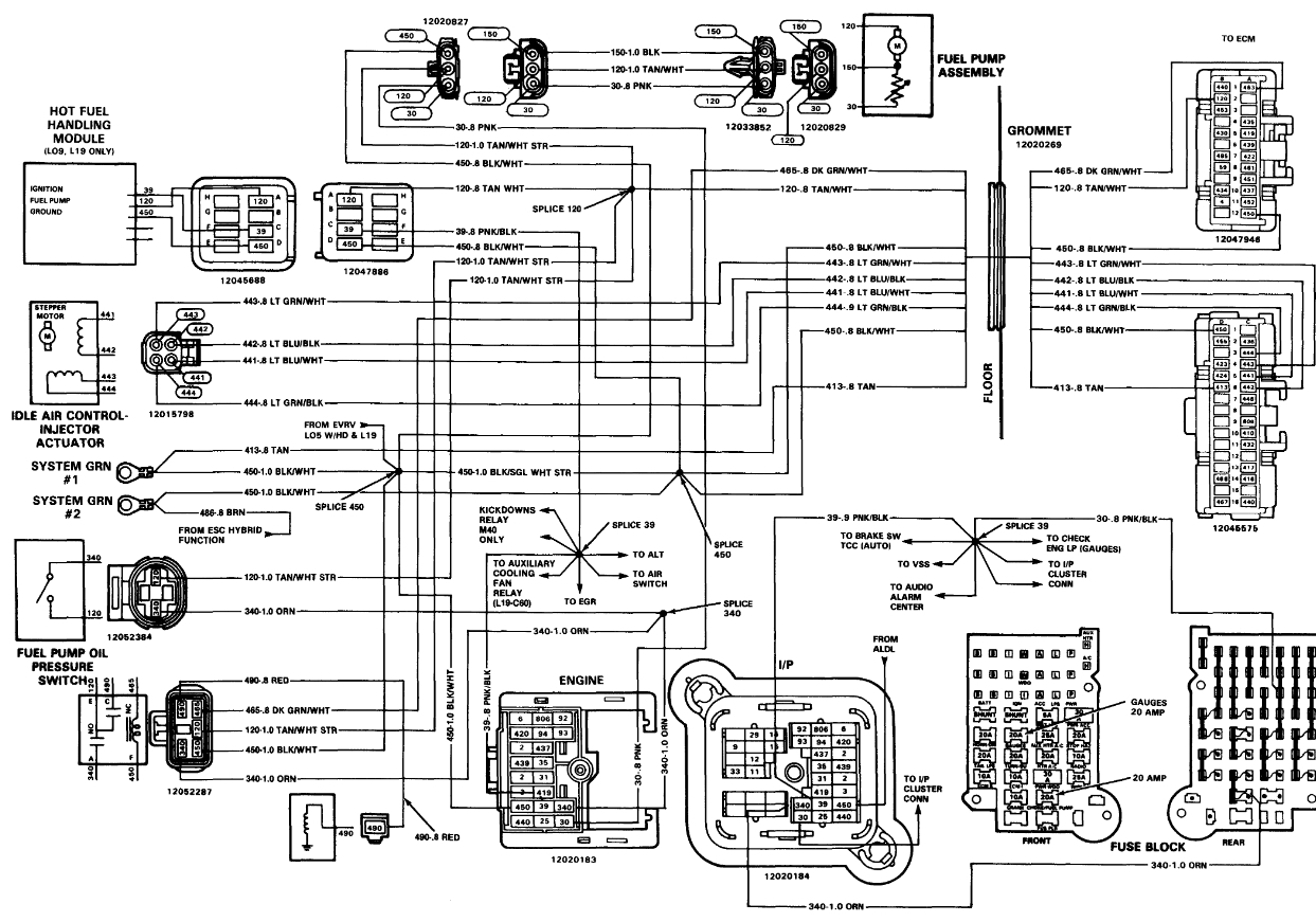
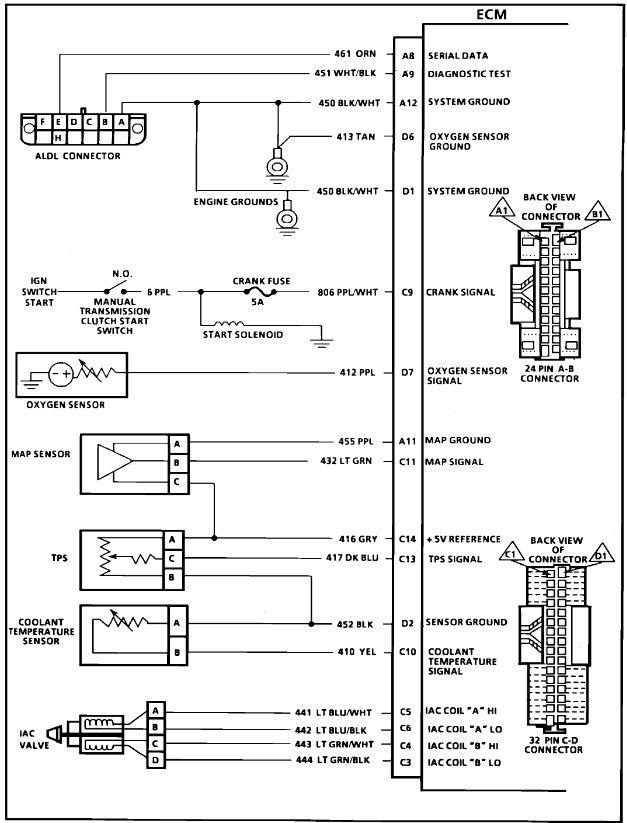
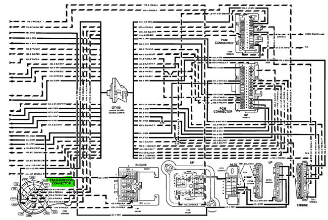
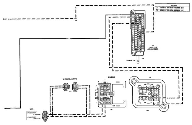
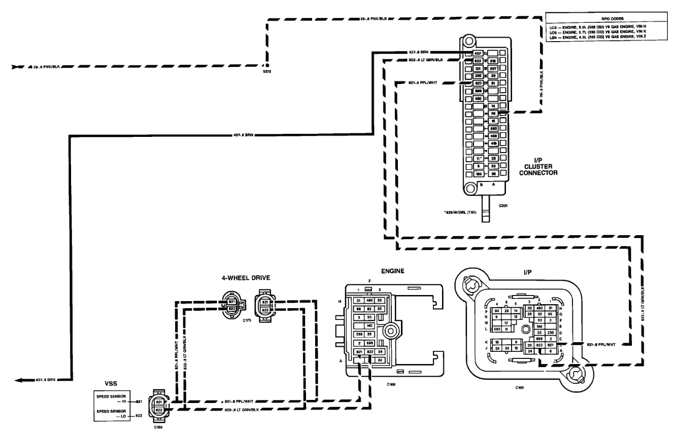
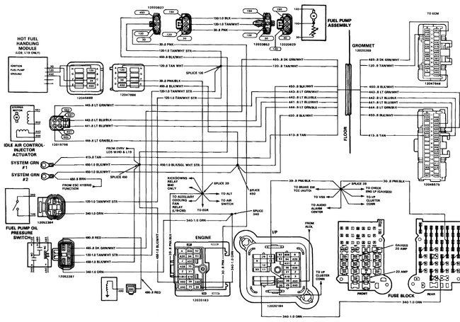
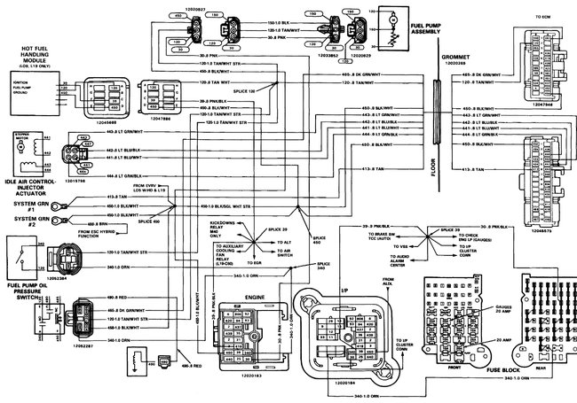
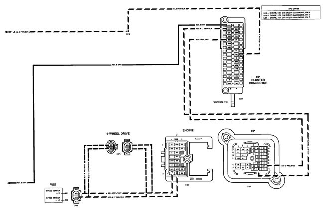
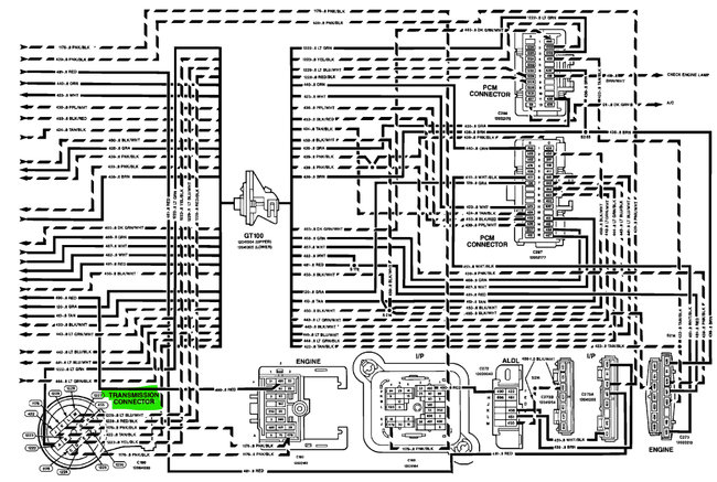
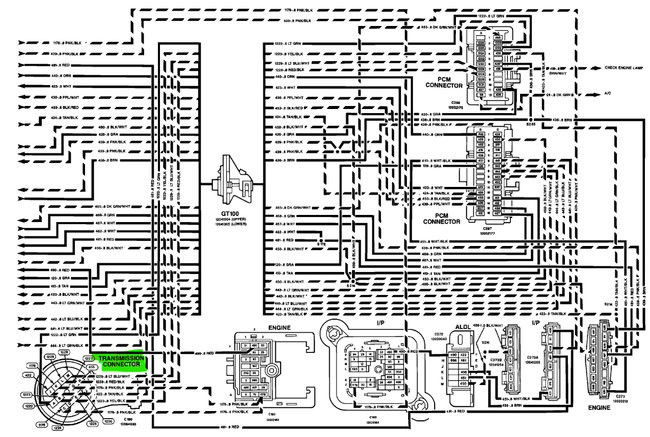
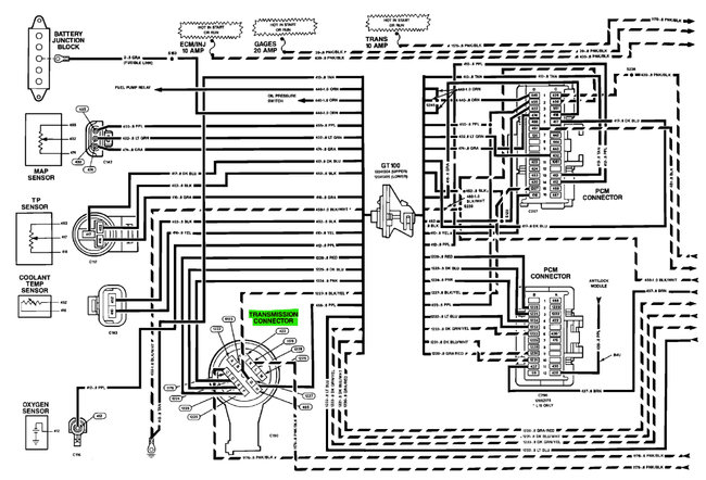
So, I looked up a 1991 Chevrolet C1500 5.0liter, and there are some different options, for example there are diagrams for just the ECM and sensors, then there are diagrams which are more like the whole harness type of diagram. Also, there is listed ECM 1 and ECM 2 but I don't see much difference in the two ECM diagrams. I'll give an example of each one below.
So, pages 1 and 2 are just the ECM by the number you gave. Pages 3 and 4 are just the computer and sensors. No bulk connectors or anything like that, Pages 5 and 6 are the Engine Harness type diagrams.
Was this
answer
helpful?
Yes
No
Sunday, June 12th, 2022 AT 9:41 AM
Tiny
STEVEN GRIBBINS
  • MEMBER
  • 26 POSTS
Hey buddy, not really off the subject or nothing but this bus has a 4l80e in it I remember one time before I had a 2001 with a 4L80E in it and I wired it for 100% line pressure and shifted it manually through the gears and I've done just fine for a couple years like that. Is there any by chance you can possibly get me some kind of wiring diagram to wire this thing for 100%-line pressure carburetor on there, so I can get rid of all this other stuff with a fuel pressure regulator and go on like that. If it's all possible maybe you can walk them through by chance.
Was this
answer
helpful?
Yes
No
Sunday, June 12th, 2022 AT 1:33 PM
Tiny
AL514
  • MECHANIC
  • 5,596 POSTS
The fuel pressure regulator on the fuel rail should be vacuum operated. It actually only really increases the fuel pressure by about 5-8PSI. That computer though is going to need a pulse from the pickup coil anyway to fire the ignition coil. And are you only referring to fuel pressure or line pressure in the transmission? The diagrams that are here for that computer also have transmission input pages 1 and 2 and output pages 3 and 4.
But I think you're trying to throw too much together that in the end you're going to end up with more issues to deal with than you want. Really putting on a throttle body that has two fuel injectors will actually be easier since that computer is already set up for that.
Was this
answer
helpful?
Yes
No
Sunday, June 12th, 2022 AT 3:05 PM

Please login or register to post a reply.