Can I bypass ECU to fuel injectors?

Tiny
STEVEN GRIBBINS
  • MEMBER
  • 1992 CHEVROLET 3500
  • 5.7L
  • V8
  • 2WD
  • AUTOMATIC
  • 68,000 MILES
Because only one side is working. The new motor, new PCM and it's not starting, it's not getting old fuel, something is wrong with the bus. I've gone through everything on it. I don't know what else to do. It's like it's it was running now it's not getting fuel now it's not I don't know I'm so sick of it I'm miserable.
If you can help me, please, I need it badly.
Friday, April 29th, 2022 AT 9:08 AM

30 Replies

Tiny
AL514
  • MECHANIC
  • 5,596 POSTS
Hello, sorry for your frustration. I think we've all been there. So, you're only getting one fuel injector working? And what BUS are you referring to too? Are you scoping some kind of network? If you replaced the PCM, did you switch over the prom chip and the network calibration resistor (calpak) from the old PCM as well if it has either one?

https://www.2carpros.com/articles/can-scan-controller-area-network-easy
Was this
answer
helpful?
Yes
No
Friday, April 29th, 2022 AT 10:24 AM
Tiny
STEVEN GRIBBINS
  • MEMBER
  • 26 POSTS
I replaced everything has to the prom and cal chips.
Was this
answer
helpful?
Yes
No
Friday, April 29th, 2022 AT 3:12 PM
Tiny
AL514
  • MECHANIC
  • 5,596 POSTS
Well, the old eprom chips on these need to go into the new ECM from the old ECM. This is such an old design. So, are you losing injector pulse on just one injector or both, what's happening exactly?
Was this
answer
helpful?
Yes
No
Friday, April 29th, 2022 AT 4:00 PM
Tiny
STEVEN GRIBBINS
  • MEMBER
  • 26 POSTS
I've lost injector pulse on both now.
Was this
answer
helpful?
Yes
No
Saturday, April 30th, 2022 AT 7:16 AM
Tiny
AL514
  • MECHANIC
  • 5,596 POSTS
But you had it on one for a while? Can you give us the whole story here? Does the Tachometer move while you're cranking the engine over? Does the check engine light come on while cranking? Also, I would check right at the ECM to see if you have injector control there. That way you'll know if you're losing it in the wiring harness or if it's an input or an ECM issue.
Was this
answer
helpful?
Yes
No
+1
Saturday, April 30th, 2022 AT 9:02 AM
Tiny
STEVEN GRIBBINS
  • MEMBER
  • 26 POSTS
Can I just get the ECM that came with the bus program to go with this motor?
Was this
answer
helpful?
Yes
No
Saturday, April 30th, 2022 AT 11:37 AM
Tiny
AL514
  • MECHANIC
  • 5,596 POSTS
Are you asking if we supply parts?
Was this
answer
helpful?
Yes
No
+1
Saturday, April 30th, 2022 AT 2:08 PM
Tiny
STEVEN GRIBBINS
  • MEMBER
  • 26 POSTS
No, I'm just asking if it's possible to have the ECU programmed to the motor I installed that has a cam.
Was this
answer
helpful?
Yes
No
Saturday, April 30th, 2022 AT 2:54 PM
Tiny
AL514
  • MECHANIC
  • 5,596 POSTS
I have no idea. With an older ECM like that, there wasn't much for having to reprogram ECMs back then. We would go through check the powers and grounds of a failing/failed ECM then change over the eprom chip inside. You can try Flagship One and see if they can help you out with something like that. They provide plug and play ECMs now that don't require any scan tool to program the VIN or anything. They don't have ECMs for every vehicle, but they do have one for a 96' Chev C/K series 5.7l. You can ask them if they can alter ECM coding, they might be able to. Or at least direct you to someone who can. I thought you were having issues with fuel injectors cutting out. But here is a link to their site and the ECM for that truck:

https://www.fs1inc.com/1992-chevrolet-c-k-series-3500-5-7l-pcm-engine-computer-ecm-ecu-programmed-plug-play.html
Was this
answer
helpful?
Yes
No
Saturday, April 30th, 2022 AT 3:15 PM
Tiny
STEVEN GRIBBINS
  • MEMBER
  • 26 POSTS
I was having problems with the fuel injectors cutting out, but I think what I done was I took direct wire from my alternator to the PCM pink and black wire and now nothing's working.
Was this
answer
helpful?
Yes
No
Saturday, April 30th, 2022 AT 3:18 PM
Tiny
AL514
  • MECHANIC
  • 5,596 POSTS
The pink/black wire that goes from ECM IGN Fuse 10amp to the ECM? And why did you do that? Did you verify that the injectors were losing power? If it was not a power issue and it was a control issue on the injectors due to a faulty input sensor somewhere. Have you checked that there are no blown fuses, its never a good idea to run power to any ECM pins. Finding a lack of power to the ECMand diagnosing why the injectors are cutting out is the proper method. If you lost only one injector first, then another later, that points to a wiring issue more than an ECM driver issue. I would suggest going through every fuse to begin with. If there was a short to ground causing the ECM issue to begin with and you put direct power from the alternator down that circuit, there's no telling what happened.
Was this
answer
helpful?
Yes
No
+1
Saturday, April 30th, 2022 AT 3:34 PM
Tiny
STEVEN GRIBBINS
  • MEMBER
  • 26 POSTS
These ports that are clogged are to my MAP sensor the original motor out of bus only had 68,000 miles and the year is a 1992 but it burnt a ring up and I believe this is the corporate for it same place where ring burnt up on piston.
Was this
answer
helpful?
Yes
No
Saturday, April 30th, 2022 AT 10:37 PM
Tiny
AL514
  • MECHANIC
  • 5,596 POSTS
I'm not sure what you are asking. You're original question was about bypassing fuel injectors. What information do you need?
Was this
answer
helpful?
Yes
No
Sunday, May 1st, 2022 AT 8:57 AM
Tiny
STEVEN GRIBBINS
  • MEMBER
  • 26 POSTS
Still working on the bus original problem was a ring broke so I put in a motor that was out of a 88 Chevy and it had a cam so I cut and splice the ECU and put an older style ECU on the bus the bus is on 92 still wasn't running right it was running but it was running real bad was having problems getting equal amount of pulse to the injectors so my only resolution was to pull that motor out and put it in another motor that I had that's just a GM crate motor bone stock just like what I took out of it but I had to rewire the ECU that originally went with the bus now I'm not getting any pulse to the injectors can you give me a path to follow something to take off with on it.
Was this
answer
helpful?
Yes
No
+1
Thursday, May 19th, 2022 AT 1:46 PM
Tiny
AL514
  • MECHANIC
  • 5,596 POSTS
I'm not really sure how to help you. You can't just put any GM ECM with any engine and expect it to work together. If anything, is there a camshaft position sensor on the engine? Or a crankshaft position sensor, I would think on an older engine like that, those are going to be your two main inputs for ignition and injector timing. But some crankshaft position sensors have a different amount of teeth on the crankshaft, so it depends on how the ECM is programmed. If the ECM, for example, is looking for 53 pulses from the crankshaft position sensor, but is getting a different amount, nothing is going to fire correctly. And how do you know if you're splicing the correct wires to the correct pins of the ECMs connectors? If you knew exactly what the engine was out of, year, make and model, then you would have to get an ECM for that vehicle. Then you might be able to make this work. But I have no idea what 1992 wiring diagrams to give you. If you can figure out what the engine is out of, I can try to find you a wiring diagram.
Was this
answer
helpful?
Yes
No
+1
Friday, May 20th, 2022 AT 9:14 AM
Tiny
STEVEN GRIBBINS
  • MEMBER
  • 26 POSTS
My 92g 30 bus has the 28 pin ECU, but I picked up the 32 pin ECU. Can I get the pin out for the 28 pin ECU and the pin out for the 32 pin ECU? Please and thank you.
Was this
answer
helpful?
Yes
No
-1
Wednesday, June 1st, 2022 AT 8:21 AM
Tiny
AL514
  • MECHANIC
  • 5,596 POSTS
The only way I can get you any pinouts for ECMs is if you have a VIN number for the vehicle the ECM came out of. I understand you're saying it's a bus, but All Data and/or Pro Demand requires a year, make, and model. Or a VIN to get any wiring diagrams, under 1992 GMC Truck there are 22 models listed.
There is listed a 1992 G 1500 1/2 Ton Van, G 2500 3/4 Ton Van, and G 3500 1 Ton Van. Under these three models there is listed for v8's- 305 5.0L, 350 5.7L,

Listed under Chevrolet Truck, there is listed a G-10 Van, G-20 Van, G-30 Van. V8's- 305 5.0L, 350 5.7L, so if you want the G-30 Van, I can get that, but there's no Buses listed.
The ECM pinouts are the older style also, so it listed as ECM Inputs, then a different one for ECM outputs.
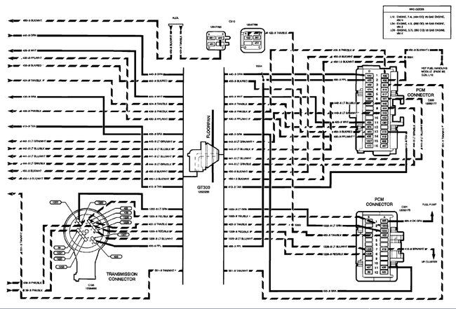
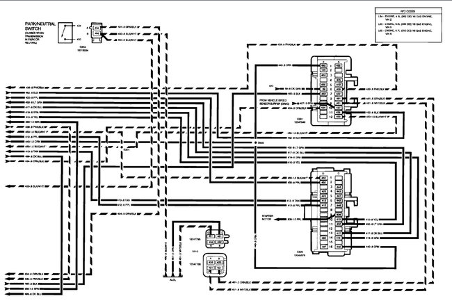
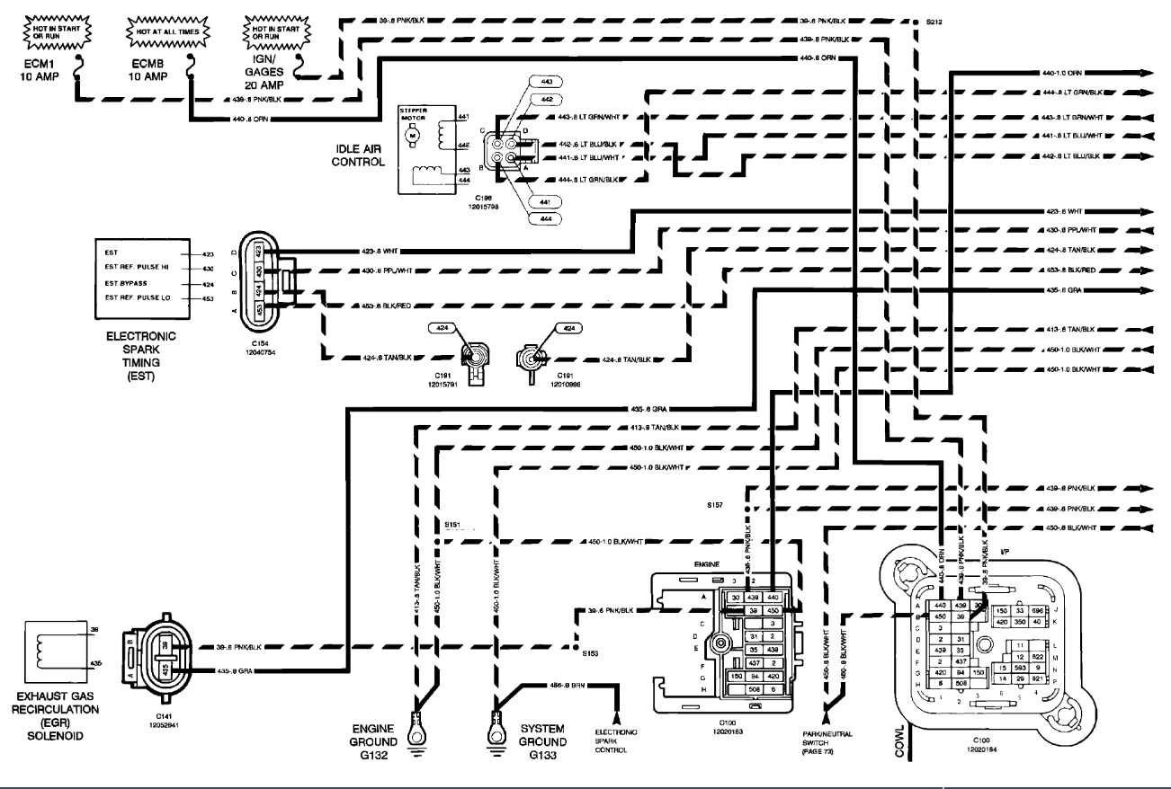
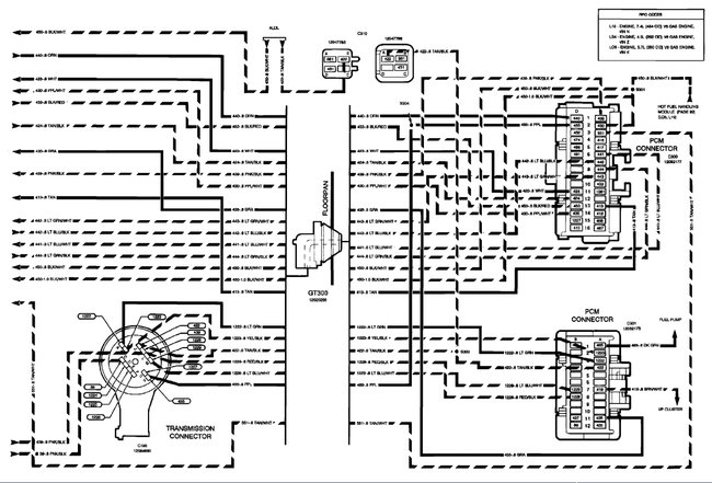
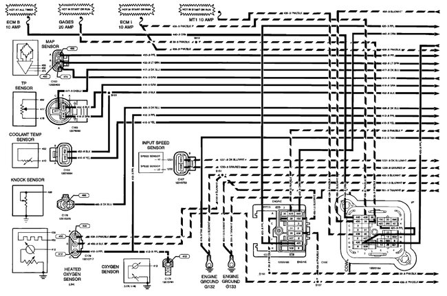
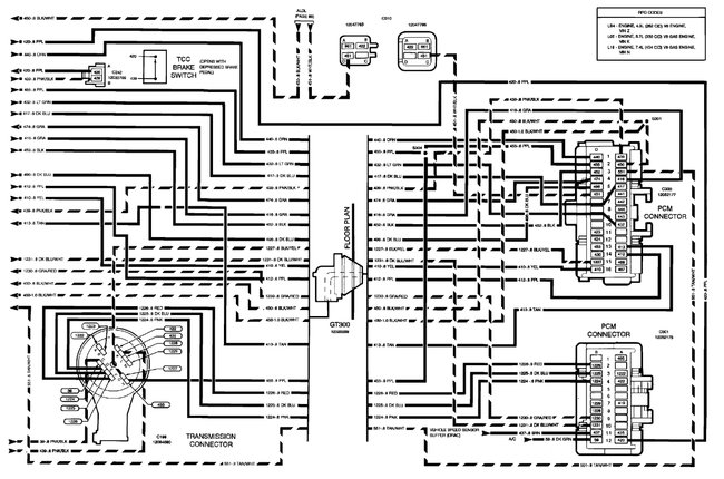
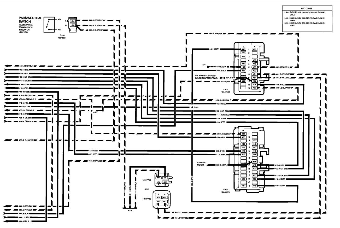
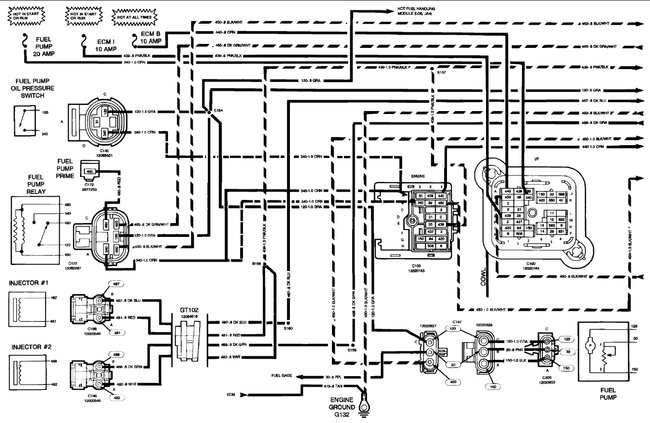
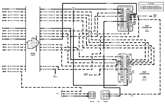
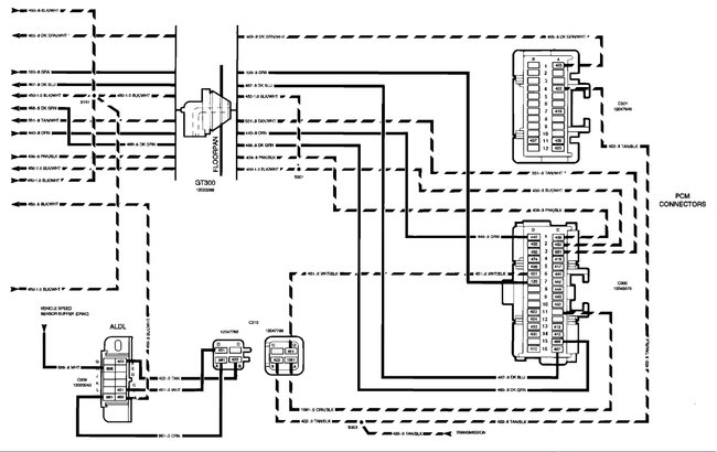
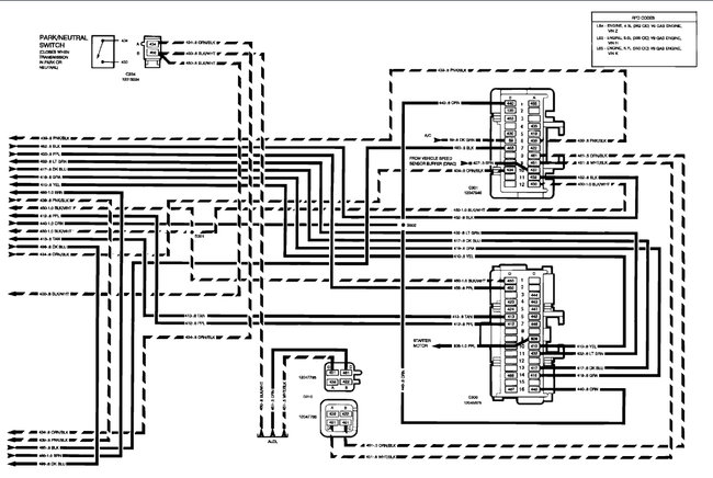
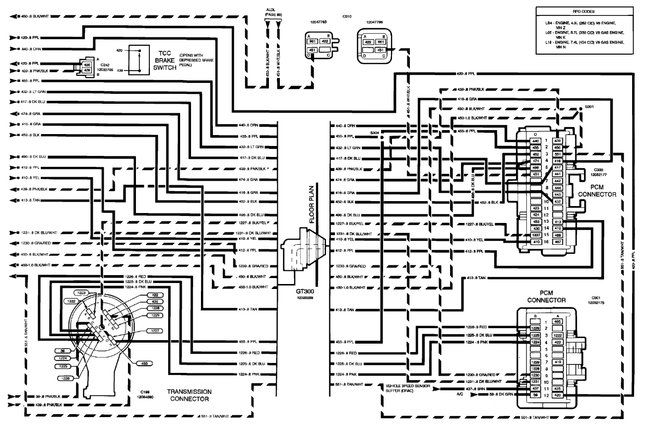
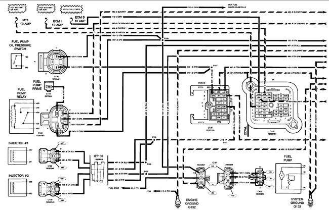
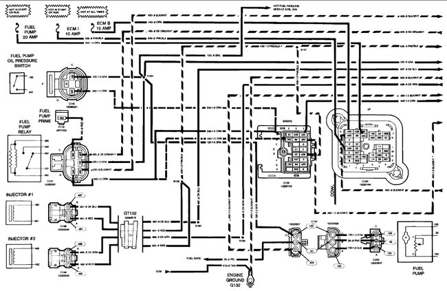
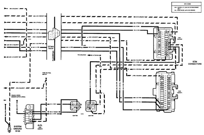
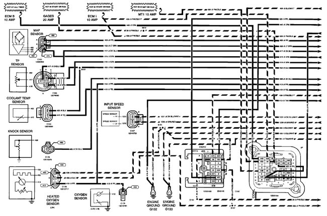
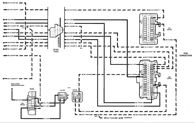
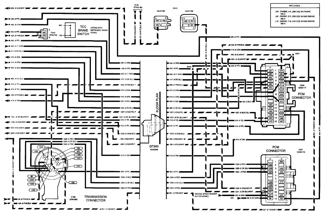
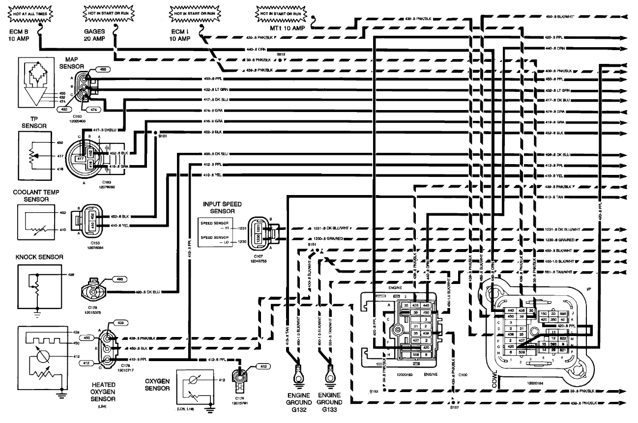
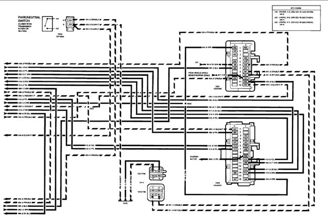
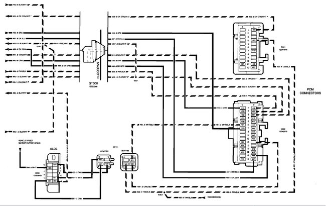
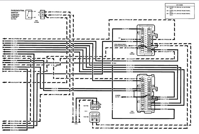
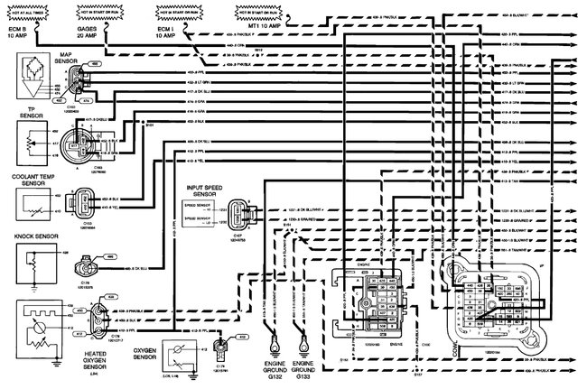
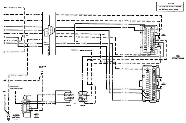
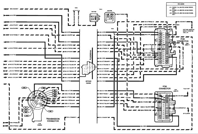
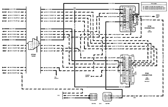
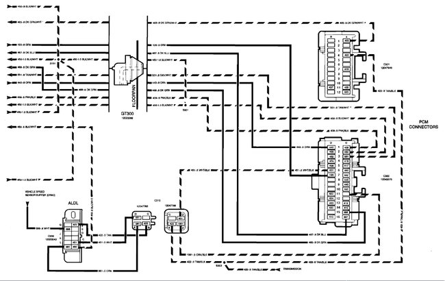
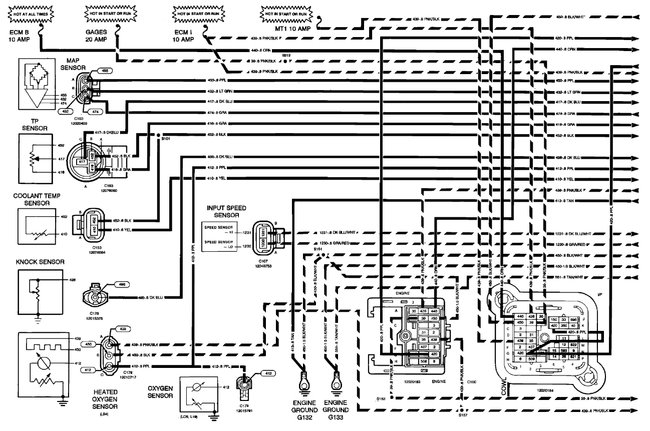
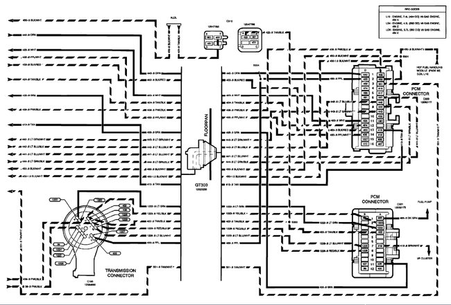
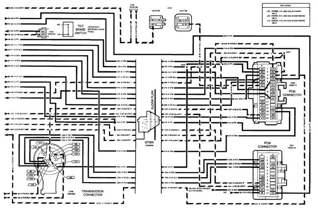
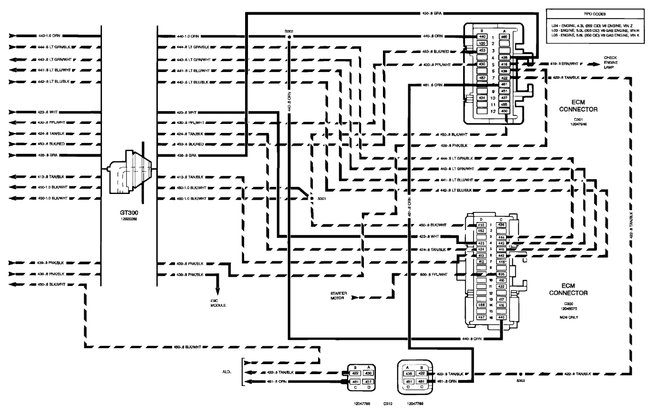
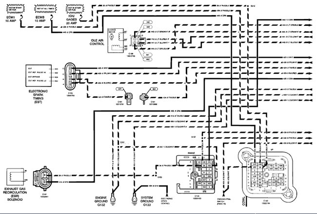
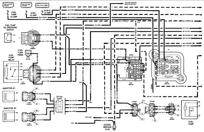
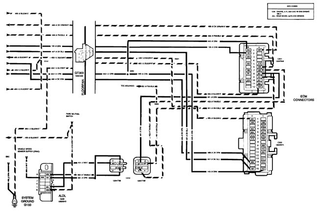
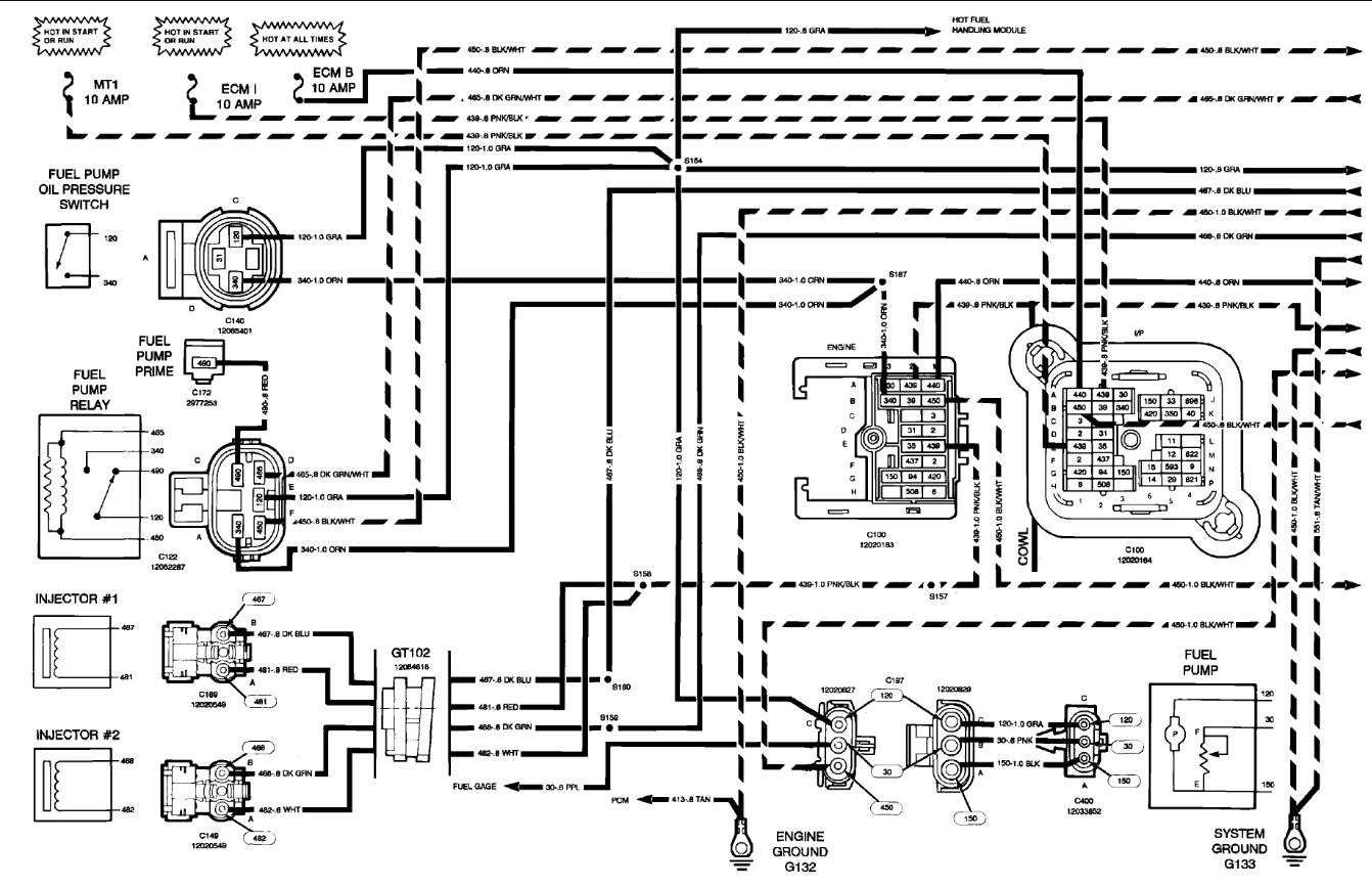
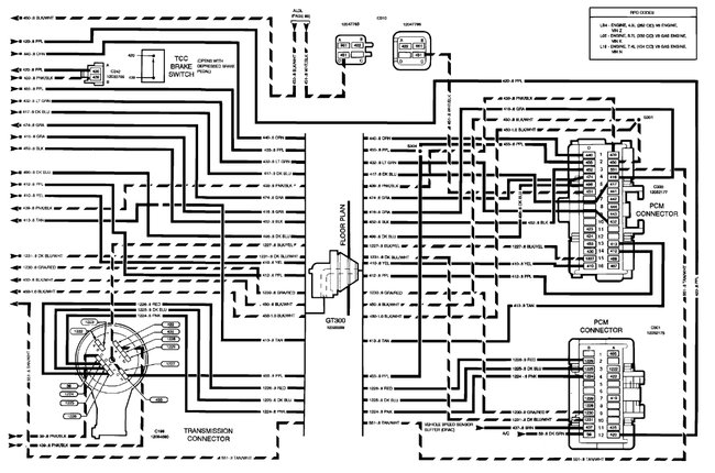
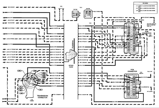
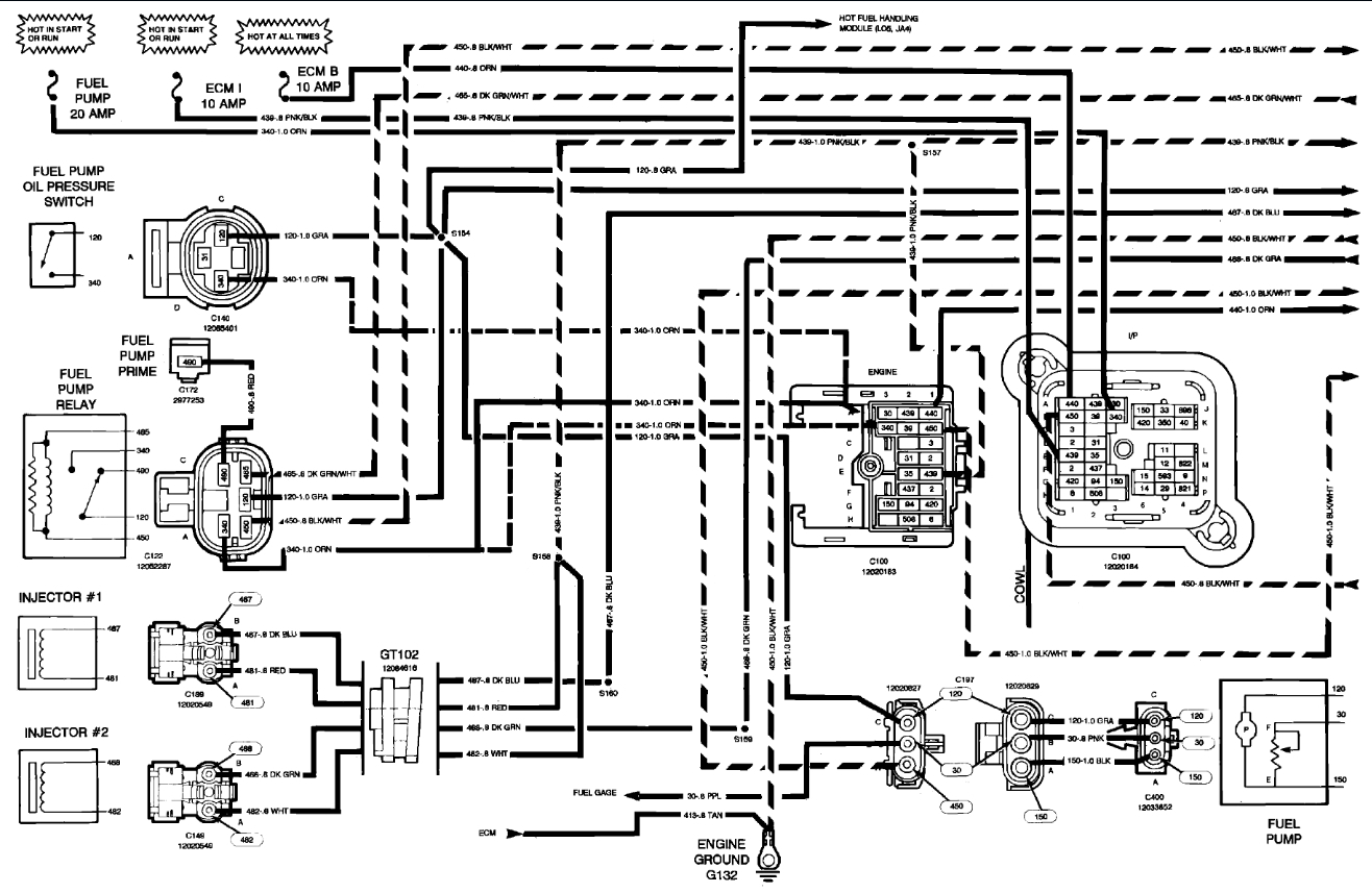
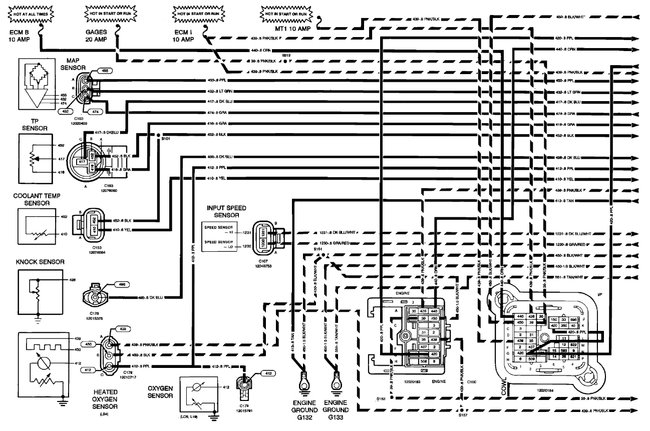
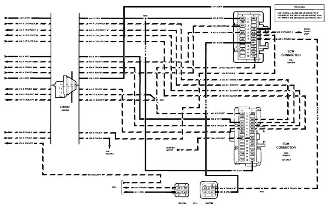
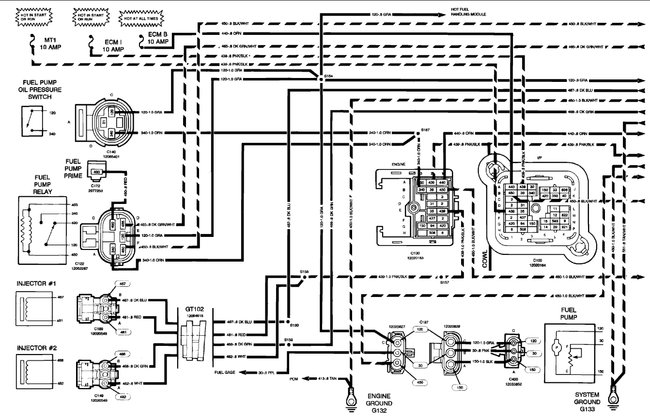
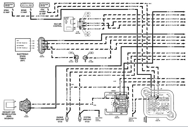
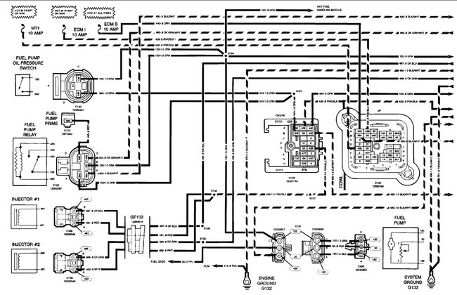
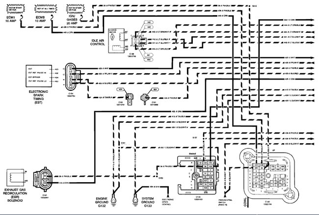
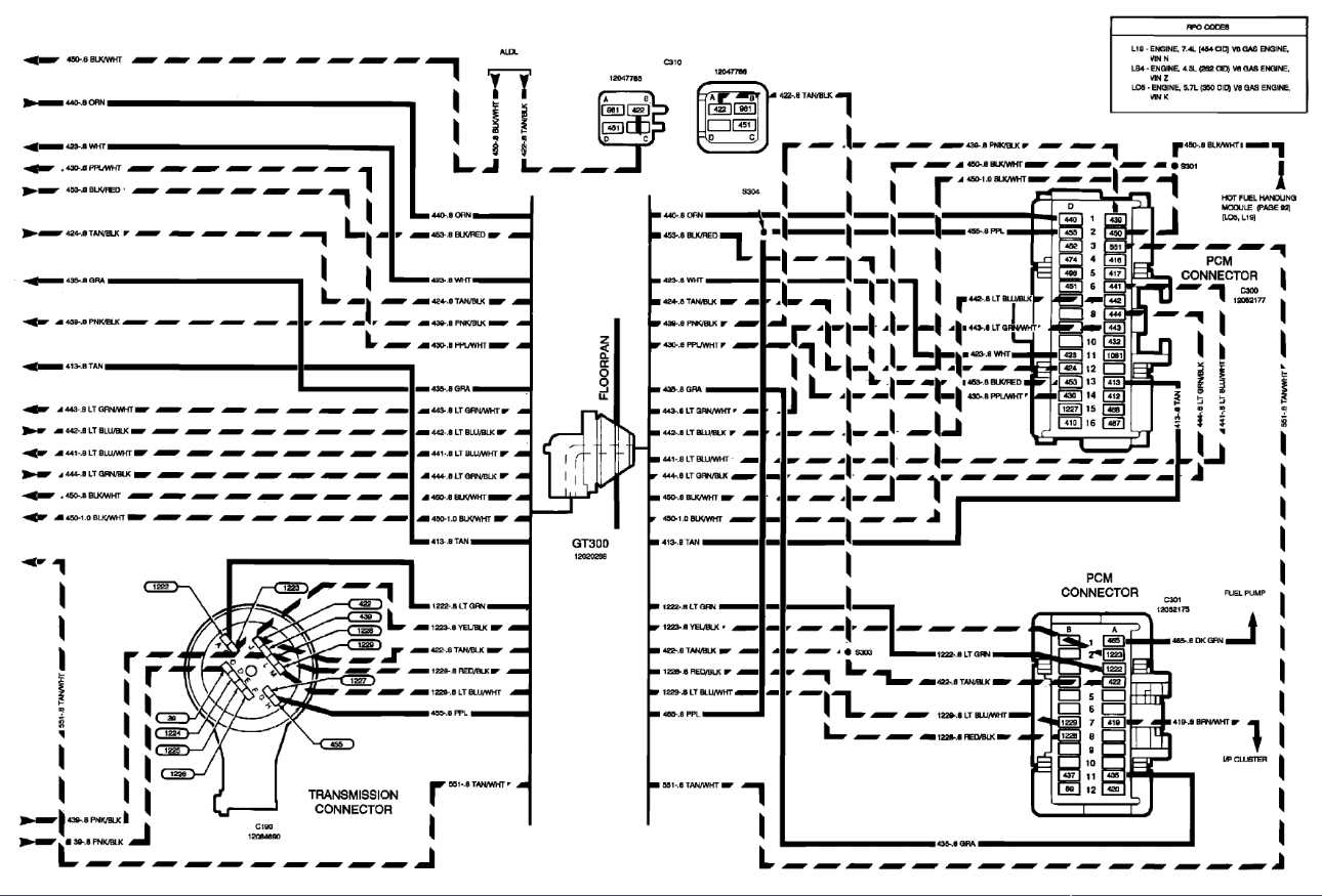
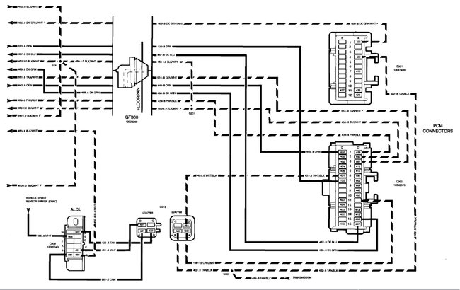
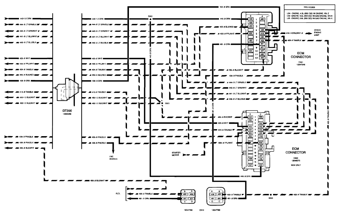
Here are the ECM wiring diagrams for a 1992 G-30 5.7 liter. The other V8's are 6.2 Liter and 7.4 Liter. The first 3 diagrams are ECM Inputs. The last 4 are ECM outputs. These are listed in order directly from All Data, so save the first 3 in a separate folder so they don't get mixed up. I don't know how many pins this ECM has.

Under Powertrain management there is also listed. Fuel Control, Hot Fuel Handling Module, Ignition Controls, Powertrain Controls, Torque Converter Clutch (TCC), Transmission Control Module (TCM), Vehicle Speed Sensor Buffer (DRAC).

So, for example, under Ignition Control, it shows the ignition coil setup, EST Module (Electronic Spark Timing), the pickup coil, etc. Whereas in the ECM Outputs diagram it will only show the EST harness plug. So, these other diagrams break down each individual system. I'm assuming you will want the Fuel Control extra diagrams as well. Let me know.
Was this
answer
helpful?
Yes
No
Wednesday, June 1st, 2022 AT 1:26 PM
Tiny
STEVEN GRIBBINS
  • MEMBER
  • 26 POSTS
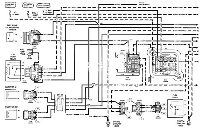
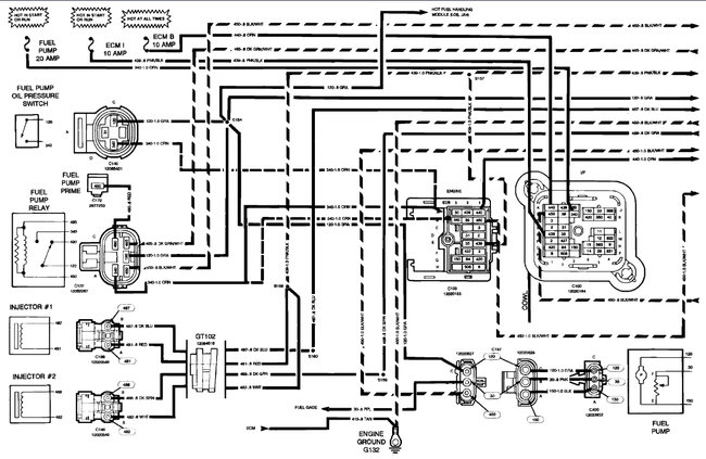
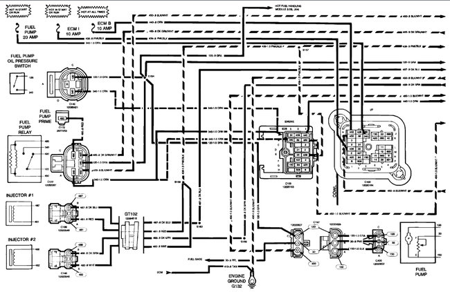
Yes, I need the wiring diagram for the fuel control as well.
Was this
answer
helpful?
Yes
No
Friday, June 3rd, 2022 AT 6:12 PM
Tiny
STEVEN GRIBBINS
  • MEMBER
  • 26 POSTS
Can I even get this bus going without taking it to a dealer to have ECU programmed?
Was this
answer
helpful?
Yes
No
Friday, June 3rd, 2022 AT 6:14 PM
Tiny
AL514
  • MECHANIC
  • 5,596 POSTS
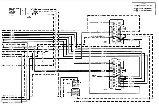
These are the fuel system diagrams, with systems this old, I remember having to change over the PROM chip inside the from the old ECM to the new. Whether it be the PROM, CALPAK, MEMCAL, those chips contain the information about the vehicle, ie engine, transmission, vehicle weight, etc, I'll post the PROM info below. Since you don't have an old ECM to switch any chips over, that's where you're going to have an issue. Unless you can find a company online that might be able to help with programming an older system like this. There seem to be companies doing all kinds of programming these days, but a 1992 is pretty far back. Or you may be able to call and try ordering a chip, give them the year, make and model, and any information off the new ECM, as well as the project you're working on.
Was this
answer
helpful?
Yes
No
+1
Saturday, June 4th, 2022 AT 2:17 PM

Please login or register to post a reply.