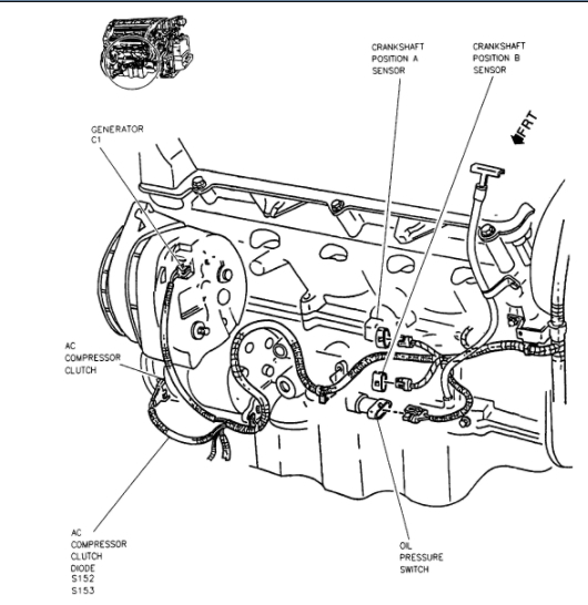
Here is the information you requested. You have 2 crankshaft position sensors on your vehicle sensor 'A' and sensor 'B'. Here are a few tutorials for you to view on how to change a crankshaft position sensor and related symptoms:
https://www.2carpros.com/articles/crankshaft-angle-sensor-replacement
https://www.2carpros.com/articles/symptoms-of-a-bad-crankshaft-sensor
I've attached a few picture steps below on how to replace a crankshaft position sensor including their locations on your car. Hope this helps and thanks for using 2CarPros.
Was this helpful?
Yes
No
Monday, June 14th, 2021 AT 10:49 PM



