How many catalytic converters does my car have

Tiny
HUSTONTX
  • MEMBER
  • 2010 HYUNDAI ELANTRA
  • 0.6L
  • 4 CYL
  • 2WD
  • AUTOMATIC
  • 200,000 MILES
Does my car have two catalytic converters?
Sunday, March 24th, 2019 AT 10:32 AM

1 Reply

Tiny
JACOBANDNICKOLAS
  • MECHANIC
  • 110,192 POSTS
Welcome to 2CarPros.

This vehicle has one. It is part of the exhaust manifold. Here are three links that discuss symptoms, how to test one, and how in general one is replaced:

https://www.2carpros.com/articles/bad-catalytic-converter-symptoms

https://www.2carpros.com/articles/how-to-test-a-catalytic-converter

https://www.2carpros.com/articles/catalytic-converter-replacement

_____________________________________

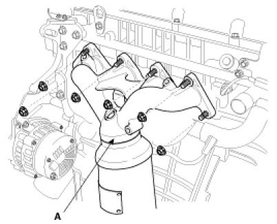
Here are the directions specific to your vehicle. I attached three pics to help you locate and identify the components.

____________________________________

Removal

1. Remove the engine cover.
2. Disconnect the front oxygen sensor connector.
3. Remove the front muffler.

Tightening torque
39.8 - 58.8Nm (4.0 - 6.0kgf.m, 28.9 - 43.4lb-ft)

4. Remove the heat protector.
5. Remove the exhaust manifold and catalytic converter assembly(A).

_________________________

Let me know if this helps or if you have other questions.

Take care,
Joe

Was this
answer
helpful?
Yes
No
-1
Sunday, March 24th, 2019 AT 4:30 PM

Please login or register to post a reply.