Codes C0450, C0561, C0040, no Traction Control and ABS light on?

Tiny
STEVE W.
  • MECHANIC
  • 15,671 POSTS
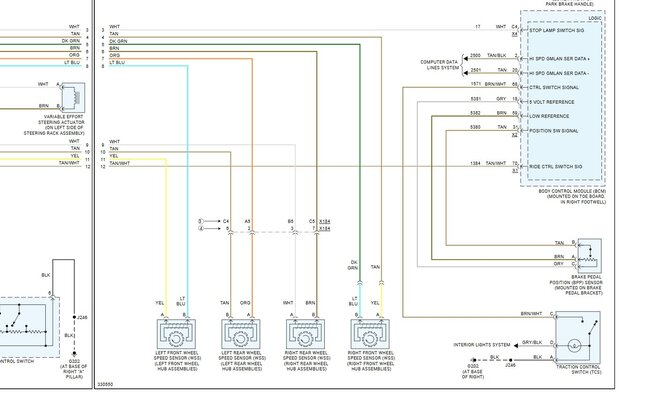
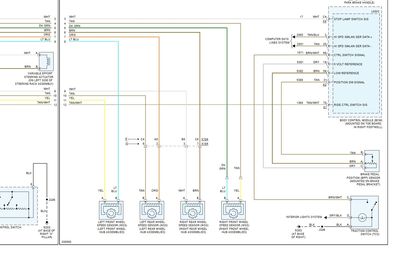
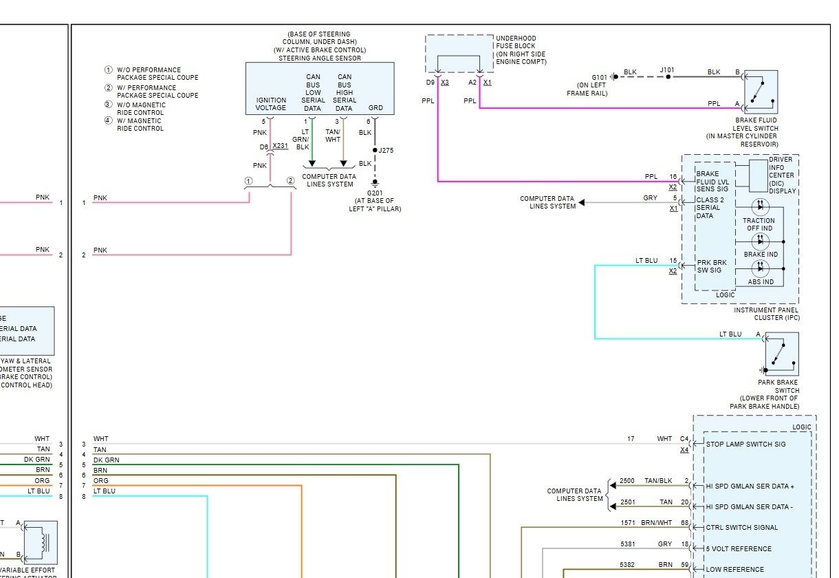
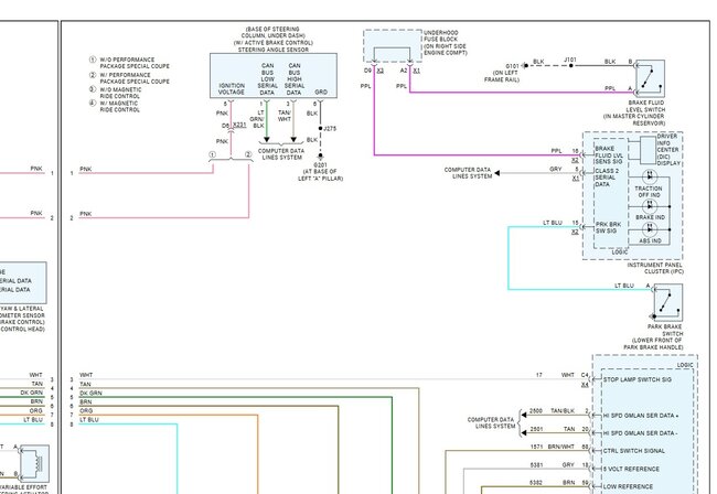
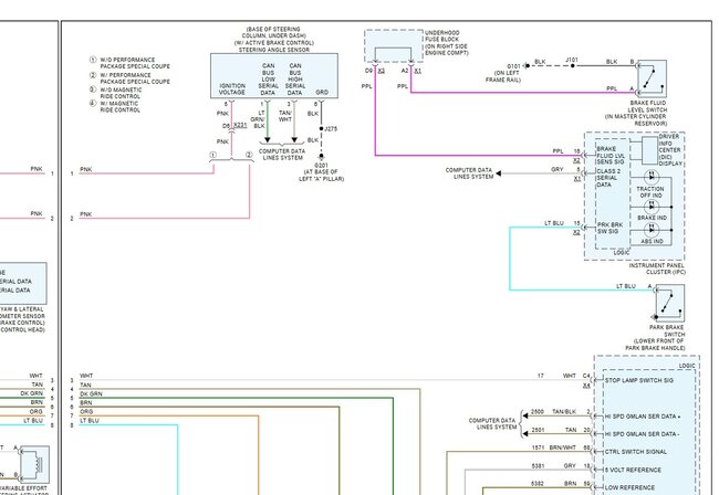
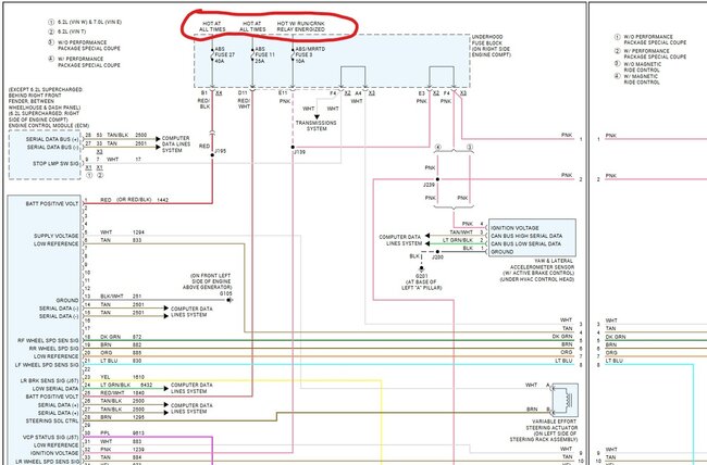
Well all of those codes including the new 0450 code are from the EBCM. IE the ABS brake control module. It is a known failure item on many GM vehicles.
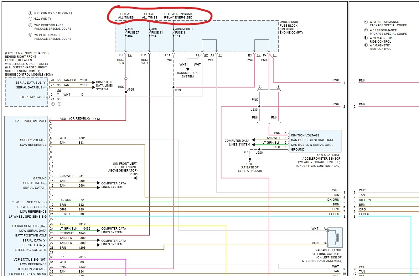
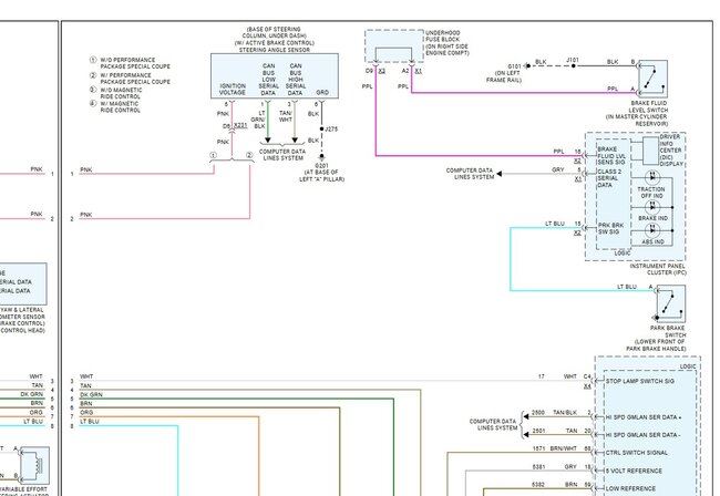
I would check the fuses for it first, verify it has power. Then check the grounds. Both go to the same spot, the ground point on the block near the power steering pump. If it is corroded, you can get all of those codes.
Was this
answer
helpful?
Yes
No
Monday, May 19th, 2025 AT 7:43 AM
Tiny
JOHNKUEHNE
  • MEMBER
  • 27 POSTS
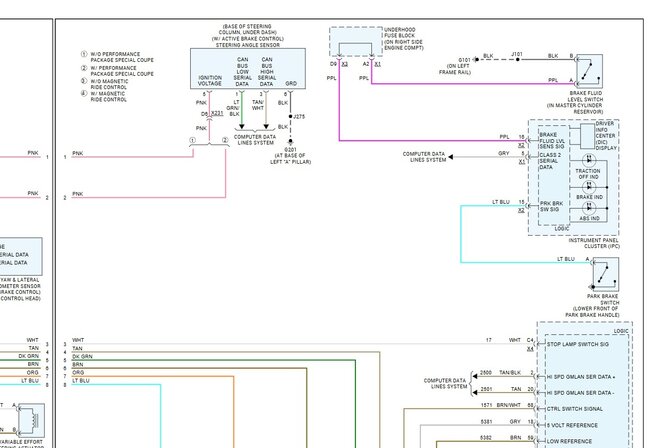
Removed EBCM connector tested and found +12VDC on two end connectors and found ground on opposite two end connectors, cleaned female and male connections with electronic cleaner, let dry and reconnected. Checked nearby chassis bolted ground, wire good, ground good, cleaned and reconnected.

I am still getting Service Vehicle Soon, Service Active Handling System, Service Antilock Brakes, and Service Traction System in the message window of instrument cluster and the following codes: U2100-00, U0101-00, U0100-00, U0140-00, C0450-5A, C0561-71, P0300-00 (will address at another time).

Is it time to get a new Electronic Brake Control Module Kit? If so, do I have good used/reman. Options or should I source new? Can the factory part number be provided as I may only need the EBCM kit and not ABS Pressure Modulator Valve?
Was this
answer
helpful?
Yes
No
Tuesday, May 20th, 2025 AT 4:47 AM
Tiny
STEVE W.
  • MECHANIC
  • 15,671 POSTS
If the powers and grounds are good then it's likely that the EBCM is bad. The part number for the original is 25994201. That replaces the module and the solenoid coils pack. However you also need a scan tool and J2534 programming link and a GM account to be able to program the new unit to match your car.
Was this
answer
helpful?
Yes
No
Tuesday, May 20th, 2025 AT 5:19 AM
Tiny
JOHNKUEHNE
  • MEMBER
  • 27 POSTS
I will plan to purchase a new 25994201 EBCM, since programming is not guaranteed on used units. It seems my TOPDON Phoenix Plus 2 does not support J2534 programming. I can get a TOPDON R-Link J2534 ($240) pass-through programmer + PC + AC Delco TDS subscription ($40 per VIN). Does that seem like a valid approach any more guidance? Any guidance on the best way to purchase or get a discount for a EBCM through GM that retails for over $1K?
Was this
answer
helpful?
Yes
No
Wednesday, May 21st, 2025 AT 5:52 AM
Tiny
STEVE W.
  • MECHANIC
  • 15,671 POSTS
As you only have the single unit it might be cheaper overall to have a shop that can do the programming do it. That way you don't have a dust collector. As for the EBCM, I wish I knew of a place to get new ones for less money.
Was this
answer
helpful?
Yes
No
Wednesday, May 21st, 2025 AT 6:32 AM

Please login or register to post a reply.