Friday, December 20th, 2024 AT 10:10 AM
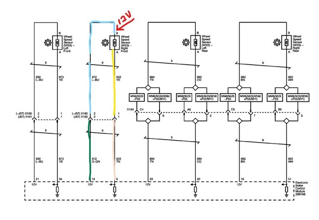
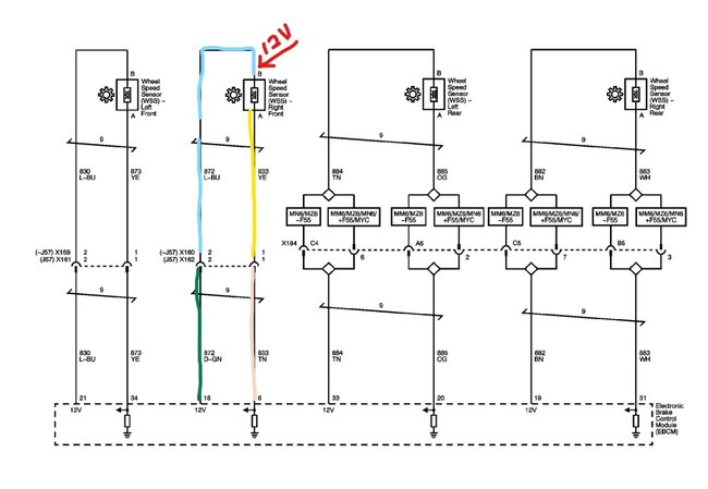
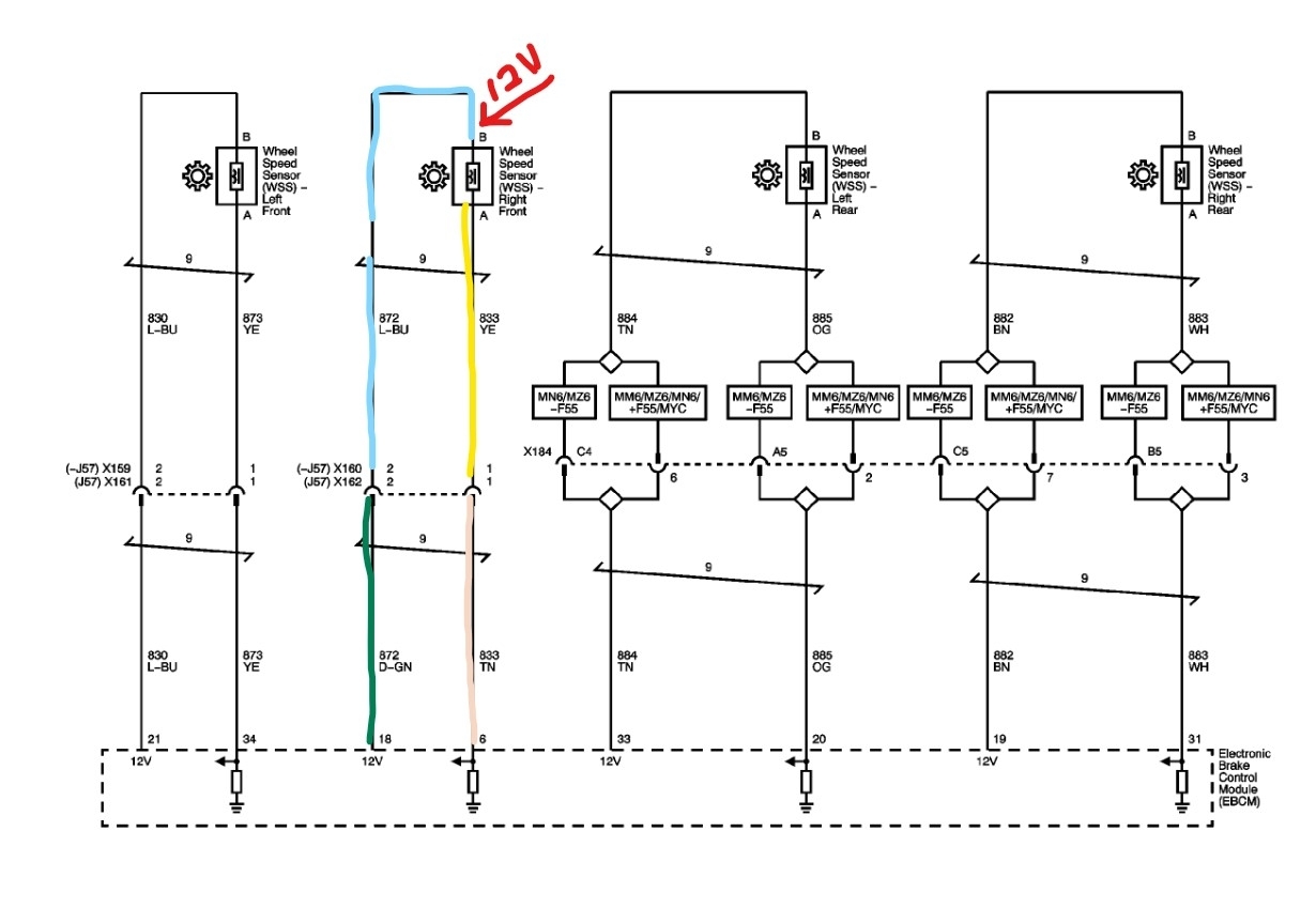
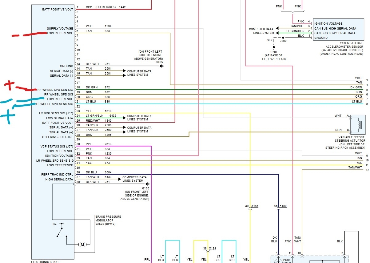
C6 Corvette. I would get loss of traction control periodically and engine restart would reset and allow traction control to work. The problem got worse and then ABS trouble light and check engine light would both come on. OBD2 codes: C0450, C0561, C0040. Replaced all (4) wheel hub assemblies with built in wheel speed sensor - issue improved slightly. Traction control worked again somewhat but began to require engine restart to reset and now both check engine and ABS light on all the time and no traction control (message on dash always notes get vehicle serviced at start up). I get code for ABS controller. I expect it needs to be replaced, but Question#1: Is there a way to validate with testing (Have OBD2 and HP Tuners, but neither seems to have a way to check each wheel speed sensor or ABS controller - should I get a bi-directional scanner, if so which one?). Question#2: Since I still see code for ABS controller and replaced all wheel speed sensors and have "vehicle serviced" message when car starts up should I replace the ABS Controller? New is $800 - for AC Delco GM Original Equipment 25994201 Electronic Brake Control Module, used/untested 76K is $300, or should I try to get mine rebuilt?



















