Engine wiring I'm trying to figure out how to fix my wiring harness?

Tiny
KATRINA RANDKLEV
  • MEMBER
  • 1998 CHEVROLET VENTURE
  • 3.4L
  • 6 CYL
  • 2WD
  • AUTOMATIC
  • 242,600 MILES
I'm trying to figure out how to fix my wiring harness.
Thursday, March 25th, 2021 AT 4:26 PM

1 Reply

Tiny
JACOBANDNICKOLAS
  • MECHANIC
  • 110,194 POSTS
Hi again,

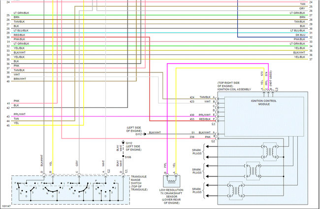
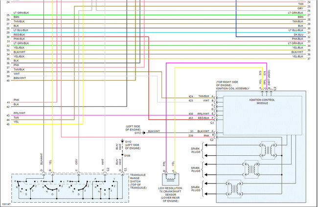
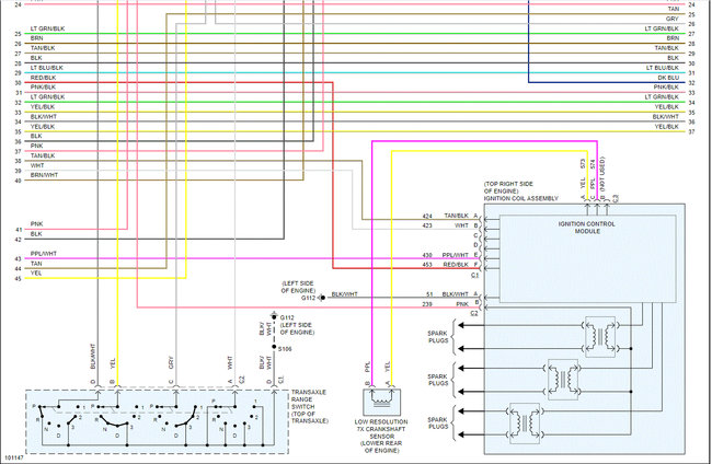
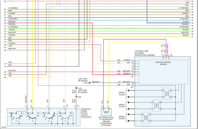
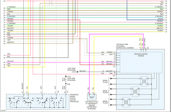
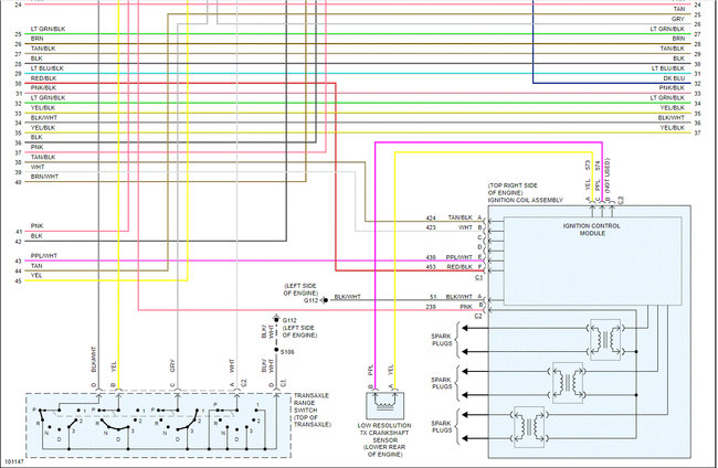
I wanted to add the wiring schematics for the powertrain management. Hopefully, they will help.

I had to cut the pics in half to make them readable. However, I did overlap them so you can follow from one to the next.

I hope they help. Also, here is a link you may find helpful:

https://www.2carpros.com/articles/how-to-check-wiring

Take care and let me know if you have other questions.

Joe
Was this
answer
helpful?
Yes
No
Wednesday, April 28th, 2021 AT 10:22 AM

Please login or register to post a reply.