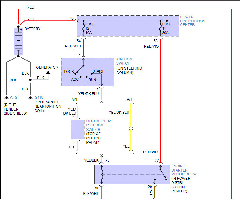
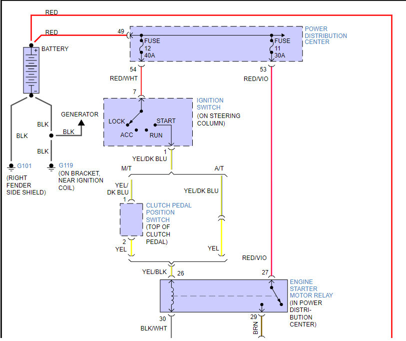
starting intermittently and cranking slowly after multiple switch
attempts. Battery is good, and I bench tested pretty new starter and solenoid and they worked fine.
So, I just up and bypassed start wiring with separate push button
ignition switch and wiring without a relay etc.
It's just battery, solenoid (to starter) and ignition switch (no relay).
Battery cable runs from battery to input terminal on solenoid. From that terminal with the battery, cable, ran 8-gauge wire to push button ignition switch, and from switch back to small terminal on solenoid. Wires are some longer than they need to be.
Still intermittent as before. After multiple switch tries with a 'very'
slight click, it would finally hit and start good. After a few tries and
starts like this, the click stopped and both the ignition switch and
solenoid burnt up with lots of smoke from both till I unhooked the
battery. The switch burnt closed, and the solenoid seems to be burnt open.
Any ideas what I did wrong? Thanks
Thursday, October 28th, 2021 AT 8:56 AM







