Friday, August 27th, 2010 AT 7:50 AM
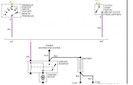
Bought new starter and installed it but car wont start. Im getting a clicking sound and can feel it clicking in the cruse control. If I jump the starter with cables the car starts with key in on position yet wont start using key. Is it in the cruse control or other elect part?


