Monday, November 1st, 2010 AT 12:23 PM
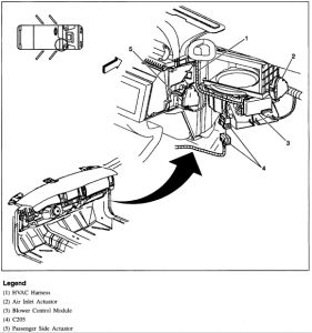
I recently bought this car. A/C was not really cold so I recharged freon and A/C seems to work well now. But with cold weather, I find that there is no heat coming from vents. Only cold air. Fan works at all speeds and dash controls change airflow directions normally from floor to middle to windshield. Air flow is great and variable by dash controls. Problem is the air is not heated even after the engine is 200 deg F. All else seems well. Visual inspection tells me nothing because I don't really know where heater valves, etc. Are located. Everything under the hood seems fine at first glance. Idon't know what or where to check.



