Saturday, July 28th, 2007 AT 9:41 AM
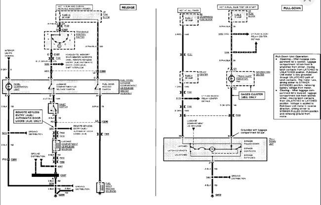
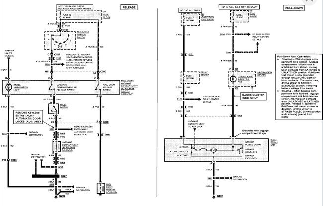
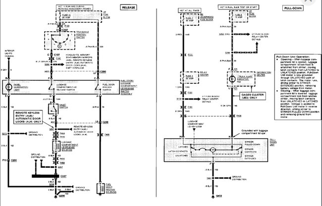
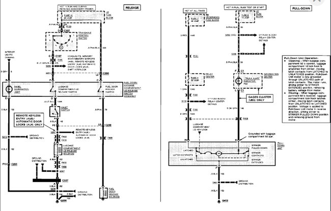
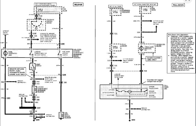
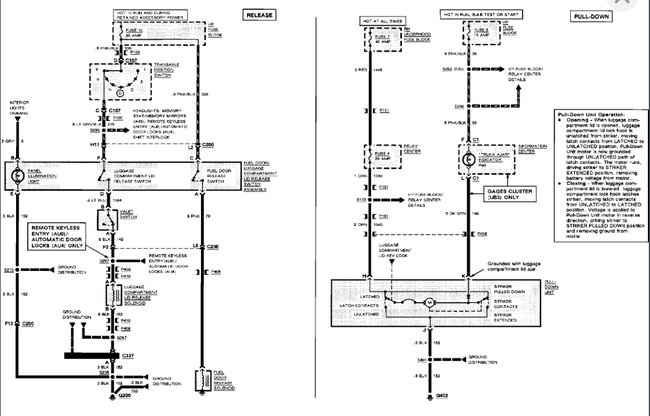
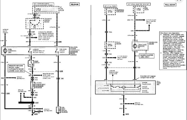
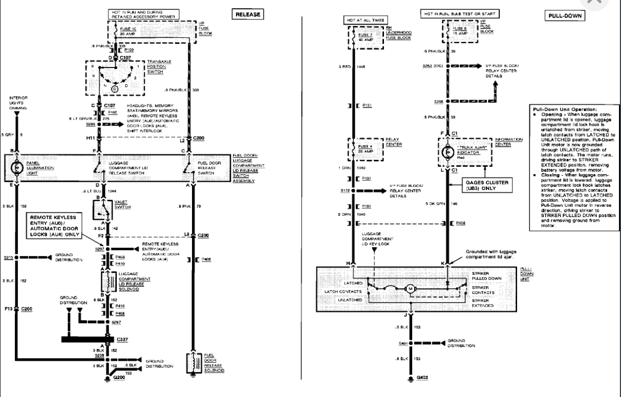
The automatic trunk latch does not work anymore. It will begin to automatically pull the trunk lid down but then it begins to auto open and the lid pops open. Sometimes we have to spend hours just to get it to close again. What is causing this and how can we fix it?




