1999 Buick park ave.

Tiny
JAMES DEFAZIO
  • MEMBER
  • 1999 BUICK PARK AVENUE
  • 6 CYL
  • FWD
  • AUTOMATIC
  • 110,000 MILES
1999 buick park ave. A/c will not work also gas gauge button for trunk release, dome lights, all fuses are ok and alternator is good
Thursday, June 23rd, 2011 AT 1:35 PM

3 Replies

Tiny
JDL
  • MECHANIC
  • 16,098 POSTS
Just to get you started. For the ac, does the ac compressor under the hood, engage?

Do you have a key for the trunk, check the release mechanism and wiring circuit.

If your saying the gas gage doesn't work, you may have a problem with sending unit in the gas tank. Sometimes, you can use a couple of resisters at the fuel gage sending unit, at the fuel pump connector. If the gage reacts properly to the two different size resistors, everything from the test point forward should be ok.
Was this
answer
helpful?
Yes
No
Thursday, June 23rd, 2011 AT 2:02 PM
Tiny
JDL
  • MECHANIC
  • 16,098 POSTS
Just to add, check for applicable trouble codes. In the compressor diagram, terminal A at the compressor is voltage, Terminal B is ground. You have to have both or the ac compressor won't run. If the system is low on refrigerant, the compressor won't run. Did you check the ac clutch fuse, goes hot with the key on, use a voltage tester.
Was this
answer
helpful?
Yes
No
Thursday, June 23rd, 2011 AT 2:16 PM
Tiny
JDL
  • MECHANIC
  • 16,098 POSTS
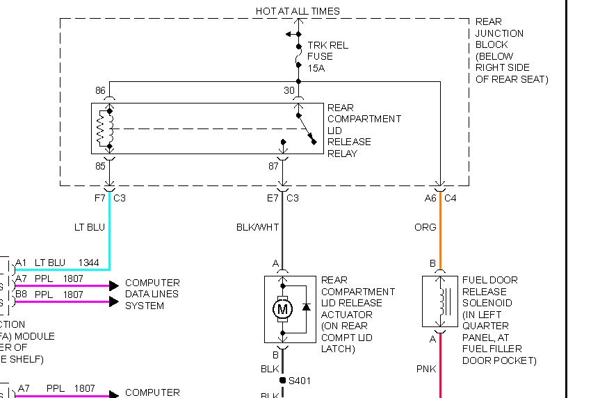
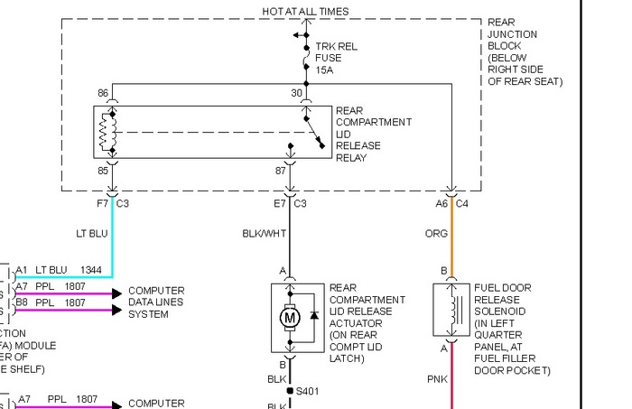
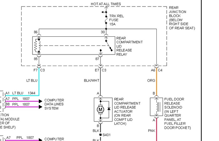
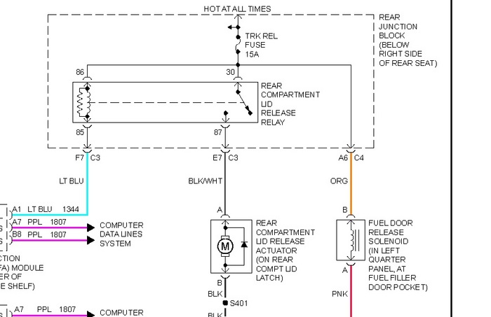
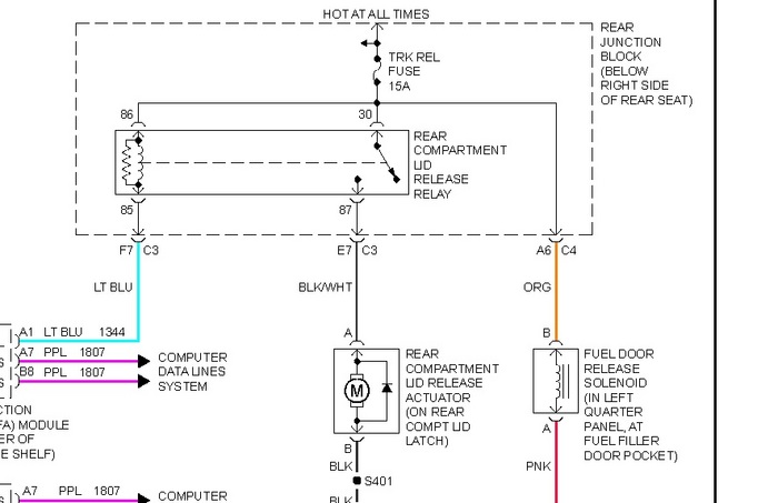
In the diagram, you can see the trunk release fuse, check that, use a voltage tester. At the trunk release actuator, terminal A is voltage, terminal B is ground, check voltage and ground.
Was this
answer
helpful?
Yes
No
Thursday, June 23rd, 2011 AT 2:24 PM

Please login or register to post a reply.