• HOME
  • ASK A QUESTION
  • REPAIR GUIDES
  • BECOME A MEMBER
  • LOG IN
    Login with Facebook
    OR
    NOT A MEMBER?FORGOT PASSWORD?
  • CONTACT US
  • PRIVACY POLICY
  • TERMS AND CONDITIONS
  • ☰

  • Home
  • Buick
  • Lesabre
  • Emission
  • PCV
  • Location

1999 Buick Lesabre PVC Valve

Tiny
JACK HARDY
  • MEMBER
  • 1999 BUICK LESABRE
  • 6 CYL
  • FWD
  • AUTOMATIC
  • 250,000 MILES
Where is it located on this vehicle?
Wednesday, February 6th, 2008 AT 7:42 AM

1 Reply

Tiny
DENNYP
  • MECHANIC
  • 1,824 POSTS


http://www.2carpros.com/forum/automotive_pictures/102900_12315_1.jpg


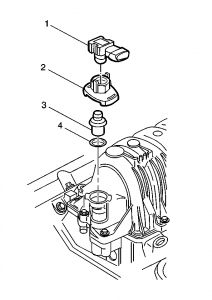
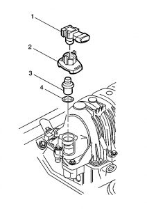
number 3 is the valve
Was this
answer
helpful?
Yes
No
Wednesday, February 6th, 2008 AT 6:50 PM

Please login or register to post a reply.

Related PCV Location Content

Pvc Valve

Where Is Pvc Valve Located On 1999 Buick Lesabre And How Do You Install. 3.8
Asked by jmucherson ·
3 ANSWERS
1 IMAGE
1998
BUICK LESABRE

1990 Buick Lesabre Pcv Value

My Engin Is Running Rough On Take Off And When Trying To Hold A Steady Speed, I Am Going To Change The Fuel Filter And The Pcv Value Its...
Asked by Asbestos ·
1 ANSWER
1990
BUICK LESABRE

I Asked A Question Yesterday About The Evaporative...

I Asked A Question Yesterday About The Evaporative Emission System And Donated $5.00. Where Is My Answer?
Asked by mcurtis93 ·
3 ANSWERS
7 IMAGES
1998
BUICK LESABRE

2004 Buick Lesabre Emissions Test

2004 Buick Lesabre 3800 Mileage: 14,000. I Have Tried To Get This Car To Pass The Emissions Test. There Are No Fault Codes, Car Runs Well...
Asked by 2CP-Archives ·
1 ANSWER
2004
BUICK LESABRE

How To Replace A Pcv Valve On A 2001 Buick Lasabre.

I Want To Check & Replace The Pvc Valve On A 2001 Buick Lasabre. I Think The Pvc Valve Is Under The Map Sensor But The Electrical Connection...
Asked by prm1 ·
3 ANSWERS
2001
BUICK LESABRE
VIEW MORE
Ask a Car Question. It's Free!
Idle High
Idle High

Engine Stalls While Driving
Engine Stalls While Driving

Mass Air Flow Sensor Replacement
Mass Air Flow Sensor Replacement
  • Contact
    •
  • Help
    •
  • About
    •
  • Privacy Policy
    •
  • Do Not Sell or Share My Personal Information
    •
  • Terms & Conditions
© 1999 - 2026 2CarPros, Inc.