Engine stalls/not fuel problem

Tiny
RENE1981
  • MEMBER
  • 36 POSTS
I apologize it has taken me a while to respond, I currently do not have the paperwork in front of me from AutoZone, the codes were the purge solenoid and the throttle position sensor and mass air flow sensor. My Husband is going to cover all bases this evening and replace the purge solenoid, the throttle position sensor and the mass air flow sensor as well as check that G111 as well, we tried to look last night but I guess I am unsure of what it looks like and the exact location, is there a diagram? Thank you so much for your help again.
Was this
answer
helpful?
Yes
No
Wednesday, May 16th, 2018 AT 11:16 AM
Tiny
RENE1981
  • MEMBER
  • 36 POSTS
I do not know what to do now! We replaced all that stuff and it still is acting up! I have not checked that wire the G111 is there a diagram to show me what bracket I am suppose to check?
Was this
answer
helpful?
Yes
No
Thursday, May 17th, 2018 AT 3:58 PM
Tiny
PATENTED_REPAIR_PRO
  • MECHANIC
  • 1,853 POSTS
Actually I am reading now that G111 that was located at the right side of engine on the ignition control module bracket was for the 3.8l engine, because this is the 3.1l engine G111 is located at lower left front of engine on transaxle stud, left of starter but sorry I have no diagram.
Was this
answer
helpful?
Yes
No
+1
Friday, May 18th, 2018 AT 3:57 PM
Tiny
RENE1981
  • MEMBER
  • 36 POSTS
Thank you that makes sense, I was looking all around and thinking I was missing it. Thank you so much for your help, because my husband is about to loose his cool (lol) with changing parts and it still not acting right.
Was this
answer
helpful?
Yes
No
Friday, May 18th, 2018 AT 4:00 PM
Tiny
RENE1981
  • MEMBER
  • 36 POSTS
Do we check it the same way? By trying to twist it?
Was this
answer
helpful?
Yes
No
Friday, May 18th, 2018 AT 4:37 PM
Tiny
PATENTED_REPAIR_PRO
  • MECHANIC
  • 1,853 POSTS
Yes.
Was this
answer
helpful?
Yes
No
+1
Friday, May 18th, 2018 AT 4:43 PM
Tiny
RENE1981
  • MEMBER
  • 36 POSTS
Update, My husband did not check that wore you recommended he took it to another mechanic and they are telling him it is the computer, I am still not convinced. I read somewhere else about that ground wire by the trans-axle causing a similar problem and to me I sounds more like it could be loose.
Was this
answer
helpful?
Yes
No
Wednesday, May 23rd, 2018 AT 6:45 AM
Tiny
PATENTED_REPAIR_PRO
  • MECHANIC
  • 1,853 POSTS
It cannot hurt to check the ground G111 located at lower left front of engine on trans-axle stud, left of starter.
Was this
answer
helpful?
Yes
No
+1
Wednesday, May 23rd, 2018 AT 7:06 AM
Tiny
RENE1981
  • MEMBER
  • 36 POSTS
Sorry it took so long, but the G111 is got a bare spot as in I see the copper wiring through the black coating. So do we tape it with electrical tape? The wire is not loose it is just bare.
Was this
answer
helpful?
Yes
No
Tuesday, June 19th, 2018 AT 5:55 PM
Tiny
RENE1981
  • MEMBER
  • 36 POSTS
So we wrapped the bare wire in electrical tape, we are driving it to see if fixed. Also, I want to note something; I did not know was the door/trunk indicator light stays on, could that be related or a separate issue, because there is/gas something causing the battery to drain since we purchased it?
Was this
answer
helpful?
Yes
No
Wednesday, June 20th, 2018 AT 4:20 AM
Tiny
RENE1981
  • MEMBER
  • 36 POSTS
When you get a chance can you tell me if I did the correct thing with fixing the bare exposed wire, and if the possible dash light for the door/trunk is the a possible connected issued or a separate issue? I am not positive that the dash light was on when we originally purchased it. Thank you guys so much ya'll have been awesome.
Was this
answer
helpful?
Yes
No
Wednesday, June 20th, 2018 AT 6:38 AM
Tiny
RENE1981
  • MEMBER
  • 36 POSTS
The car is still stalling once it is hot. We still need help.
Was this
answer
helpful?
Yes
No
Wednesday, June 20th, 2018 AT 11:20 AM
Tiny
KEN L
  • MASTER CERTIFIED MECHANIC
  • 55,291 POSTS
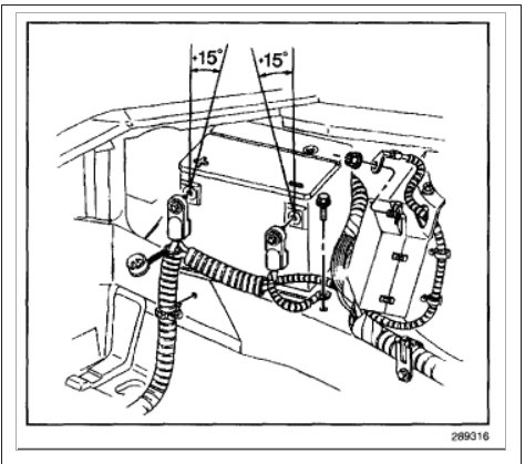
Any exposed wires should be repaired for sure. Are all problems fixed except for the stalling? Is the check engine light on? Also, I have seen on these cars the the positive battery cable shorts out causing the problem you are having.

Here is a guide to help you replace it.

Check out the diagrams (below). Please run this test and get back to us.

Cheers, Ken
Was this
answer
helpful?
Yes
No
Saturday, June 23rd, 2018 AT 12:39 PM
Tiny
RENE1981
  • MEMBER
  • 36 POSTS
The only thing is the stalling after driving for an hour or so, we put electrical tape over the exposed wire. There is no check engine light, the door/trunk light is on and I am not sure what that is on for. When stalling it stalls while driving, stopped, or parked, and it is after an hour of driving. I have read about it could a camshaft sensor, but I also had heard of replacing the battery cord as well.
Was this
answer
helpful?
Yes
No
Saturday, June 23rd, 2018 AT 12:57 PM
Tiny
RENE1981
  • MEMBER
  • 36 POSTS
Thank you for responding. It has been a headache.
Was this
answer
helpful?
Yes
No
Saturday, June 23rd, 2018 AT 1:22 PM
Tiny
RENE1981
  • MEMBER
  • 36 POSTS
Does it still. Sounds like a positive battery cable problem?
Was this
answer
helpful?
Yes
No
Sunday, June 24th, 2018 AT 7:03 AM
Tiny
PATENTED_REPAIR_PRO
  • MECHANIC
  • 1,853 POSTS
The engine should be warm after five minutes of driving, so I do not think the stalling is temperature related at all or even time related, probably just coincidence.
The best thing to do is hook up as many of these things as possible and take a test drive until it stalls and then immediately look to see if any testers have shown anything wrong but you have even have to catch it just before it stalls so having someone else in the passenger seat to watch all these tools, a tachometer, fuel pressure tester, scan tool with live scanning perhaps the fuel injector voltage, an ignition timing light to watch if spark is lost, a vacuum gauge to check if a sudden loss of engine vacuum is the culprit, which I doubt, a voltmeter to check if maybe the alternator stops working and the battery goes dead, but I doubt that too because if it cranks the starter over after the engine stalls it would not be that, but still you should hook up as many testers as you can get your hands on. You could also move the voltmeter over to any suspected circuits, such as that TPS and MAF and keep an eye on them to see if maybe their is a problem with the power circuit, cause sometime it is not a bad sensor, maybe a wire. If the code is still there or came back for the TPS and/or the MAF, check the ground circuit as well, it should read almost 0 volts hooked to the ground wire and the negative battery post to make sure the engine block and/or that G111 ground is okay. If the voltmeter reads anything over 0.2 volts, that is the amount of voltage you are loosing on the ground circuit. 12 volts on the ground circuit would mean the ground wire is not even hooked up, and let's say the ground voltage read 3 volts, that would mean perhaps the ground cable or ground wire might have broken copper wire strands under the insulation or the ground bolt is loose or the connection rusted, etc.
Here are some: https://goo.gl/QE3hXh
Was this
answer
helpful?
Yes
No
Sunday, June 24th, 2018 AT 7:30 AM
Tiny
RENE1981
  • MEMBER
  • 36 POSTS
The ground wire, G111 we found with exposed copper wire showing, it is not loose at the trans-axle stud bolt, it just had exposed wire showing about a half inch to inch from where it is secured under bolt on trans axle-stud. We only covered the exposed wire with electrical tape, is that the correct way to repair it? Or should we have done something else?
Was this
answer
helpful?
Yes
No
Sunday, June 24th, 2018 AT 7:36 AM
Tiny
RENE1981
  • MEMBER
  • 36 POSTS
We have replaced so far:
Ignition control module.
Ignition coil packs.
Mass air flow sensor (and everything else in or around that area).
We had it in the dealer and spent $400.00 for them to tell us it was the ignition control module and once we replaced it, that did not fix the problem. It then had codes for mass air flow sensory and three other sensors which we replaced all of those and everything in that area.
Was this
answer
helpful?
Yes
No
Sunday, June 24th, 2018 AT 7:40 AM
Tiny
PATENTED_REPAIR_PRO
  • MECHANIC
  • 1,853 POSTS
Did you see any rust on the copper wire strands? If so, that is rust, rust turns copper wire to a greenish color and if so that rust will eventually run the entire length of that wire/cable so if any greenish color is on any expose copper wire strands, replace the entire cable/wire.
Was this
answer
helpful?
Yes
No
+1
Sunday, June 24th, 2018 AT 7:54 AM

Please login or register to post a reply.