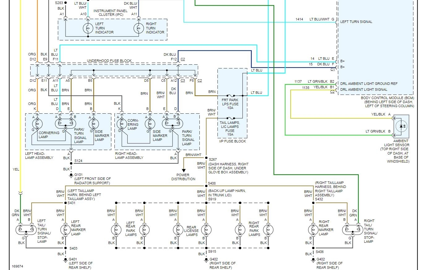
No back-up or license plate lights

Tiny
JMSTEGER
  • MEMBER
  • 2003 BUICK CENTURY
  • 6 CYL
  • FWD
  • AUTOMATIC
  • 124,000 MILES
I have no back-up lights or license plate lights or inner taillights in the trunk lid. What do I do? Thanks for any help.
Wednesday, September 15th, 2010 AT 9:22 PM

1 Reply

Tiny
HMAC300
  • MECHANIC
  • 48,601 POSTS
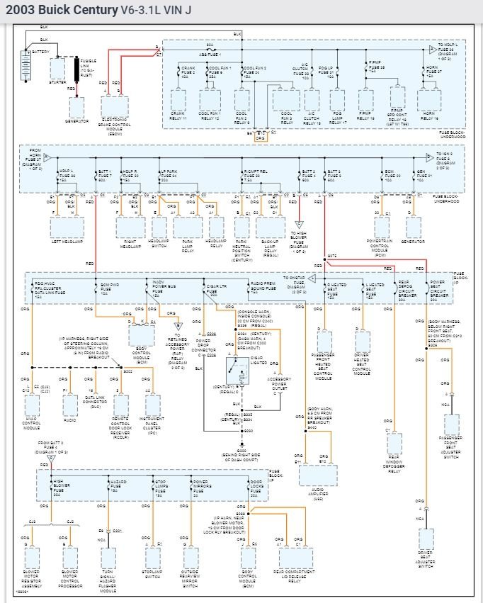
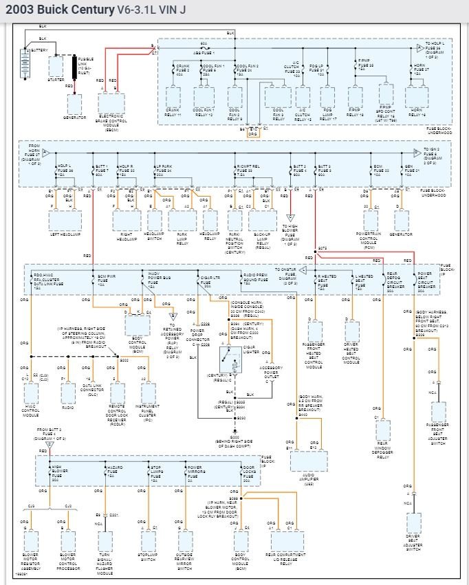
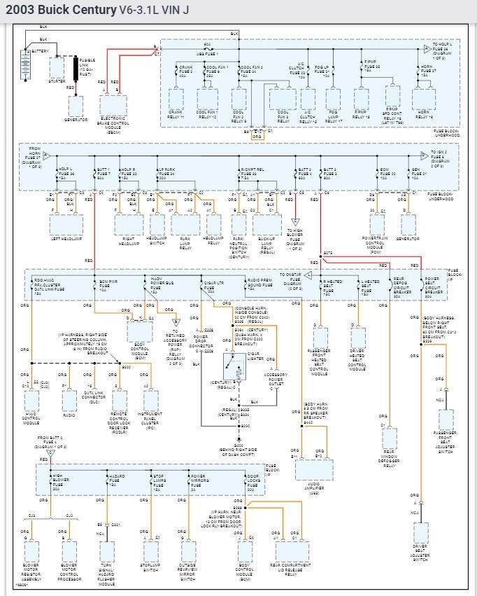
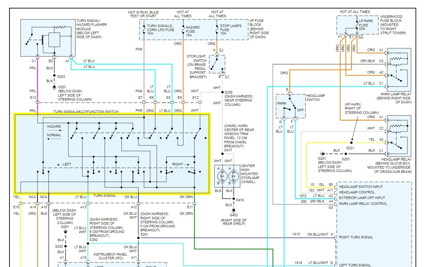
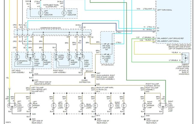
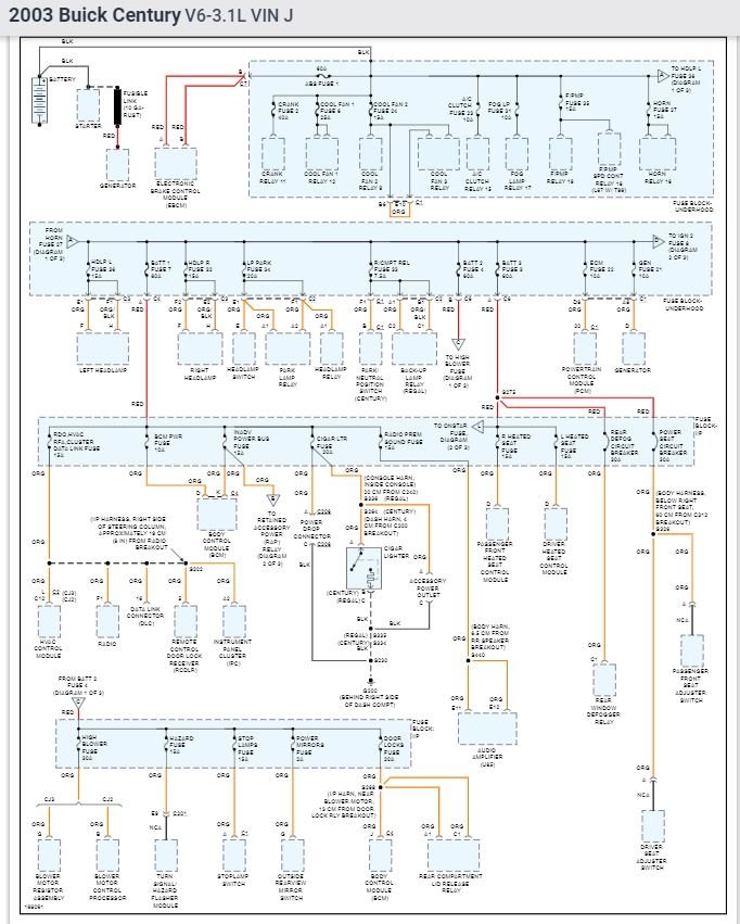
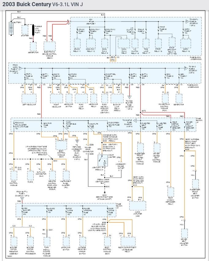
It looks like they all share a ground in the trunk and a fuse in the interior fuse block and another in the fuse block under the hood.
Use a test light to see if the fuse is blown, there is a guide below on how to do it as well as the wiring diagrams for the lights that are out

https://www.2carpros.com/articles/how-to-use-a-test-light-circuit-tester

https://www.2carpros.com/articles/how-to-check-a-car-fuse

https://www.2carpros.com/articles/how-to-check-wiring
Was this
answer
helpful?
Yes
No
-2
Thursday, September 23rd, 2010 AT 7:54 PM

Please login or register to post a reply.