Bucks on highway, basically shuts down for a second

Tiny
ROBCDUN
  • MEMBER
  • 1993 CHEVROLET SILVERADO
  • 5.7L
  • V8
  • 2WD
  • AUTOMATIC
  • 214,000 MILES
Engine runs fine and performs fine. Good gas mileage. Replaced all sensors. When driving on highway it randomly seems to misfire or get no gas, basically shuts down for a second. May do it once or repeat for multiple times. I saw one article that said it could be the pickup coil in the distributor. Any experience with this? It is kind of hard to describe, but seems to be getting worse no matter what I do.
Saturday, March 30th, 2019 AT 4:31 PM

12 Replies

Tiny
JACOBANDNICKOLAS
  • MECHANIC
  • 110,192 POSTS
Welcome to 2CarPros.

The first thing I need you to do is check for diagnostic trouble codes. Even if the engine light isn't on, there could be one stored that will identify what is happening.

Your vehicle had an OBD1 system. It is really easy to check codes. All you need is a jumper wire or even a paper clip. Follow the directions in the following link and let me know what you find. I'm recommending this so we are not replacing good parts that are not at fault.

https://www.2carpros.com/articles/buick-cadillac-chevy-gmc-oldsmobile-pontiac-gm-1983-1995-obd1-code-definitions-and-retrieval-method

Do this and let me know the results. Also, let me know if you have recently changed the fuel filter, checked fuel pressure, and if you have checked for engine vacuum leaks.

Take care,
Joe
Was this
answer
helpful?
Yes
No
Sunday, March 31st, 2019 AT 8:24 PM
Tiny
ROBCDUN
  • MEMBER
  • 9 POSTS
I'll check again, don't think it threw any codes. Will let you know.
Was this
answer
helpful?
Yes
No
Monday, April 1st, 2019 AT 9:11 AM
Tiny
ROBCDUN
  • MEMBER
  • 9 POSTS
Code 42
Was this
answer
helpful?
Yes
No
Monday, April 1st, 2019 AT 12:42 PM
Tiny
ROBCDUN
  • MEMBER
  • 9 POSTS
No vacuum leaks, haven't checked fuel pressure or changed fuel filter.
Was this
answer
helpful?
Yes
No
Monday, April 1st, 2019 AT 5:23 PM
Tiny
ROBCDUN
  • MEMBER
  • 9 POSTS
Also new plugs, plug wires, distributor cap and rotor as well as all sensors.
Was this
answer
helpful?
Yes
No
Monday, April 1st, 2019 AT 5:37 PM
Tiny
JACOBANDNICKOLAS
  • MECHANIC
  • 110,192 POSTS
The code indicates an issue with spark control timing. The diagnostics are based on which transmission is in the vehicle. I will supply both. This will take some time to diagnose, but here are the directions. You will need to check wiring which in this case will require a multi meter or volt meter. Here are some general directions for using the test equipment. I don't know if you need them, but am adding them in case you do.

https://www.2carpros.com/articles/how-to-use-a-test-light-circuit-tester

https://www.2carpros.com/articles/how-to-use-a-voltmeter

https://www.2carpros.com/articles/how-to-check-wiring

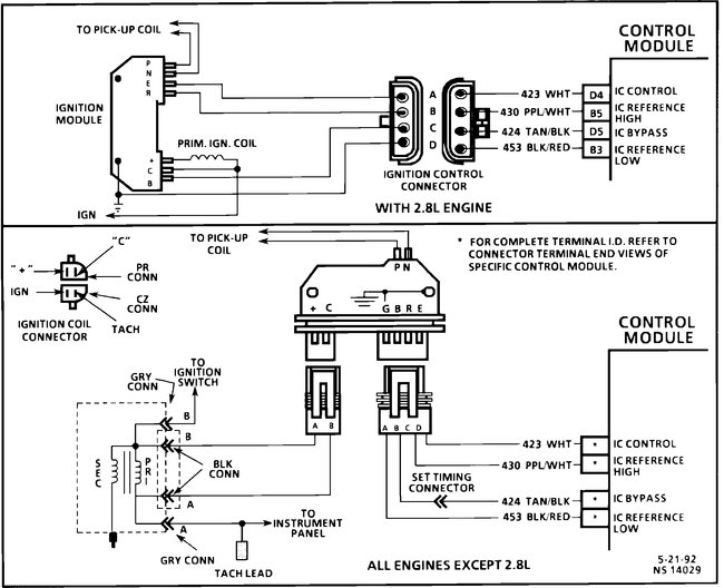
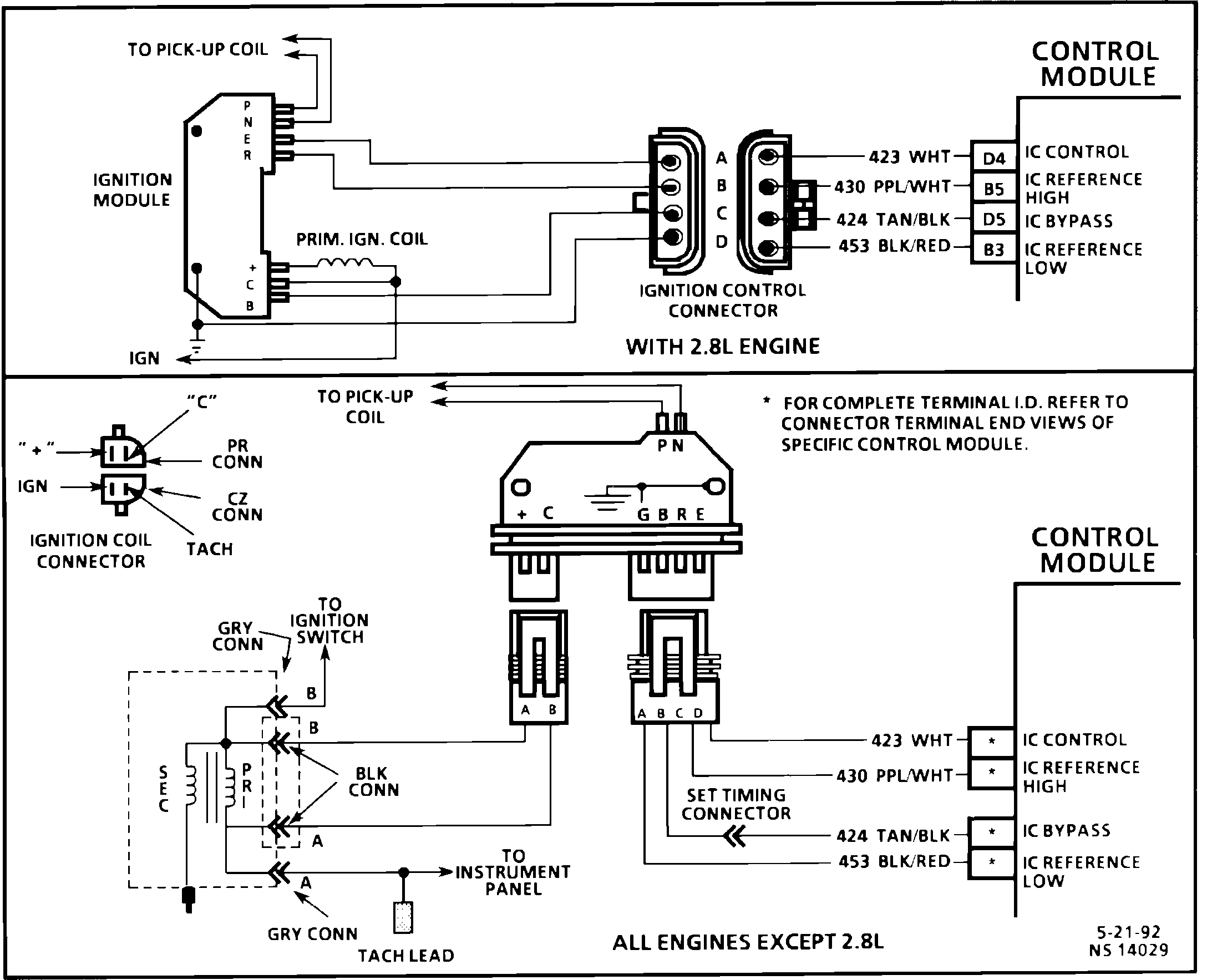
Here are the flow charts. The attached pictures correlate with these directions.

___________________________________________

WITHOUT 4L60E/4L80E AUTOMATIC TRANSMISSION
Electronic Spark Timing Circuit Code 42
See Picture 1

Ignition Control (IC) Without 4L80-E Transmission (ECM)

See Picture 2

Test Description:
Number(s) below refer to circled number(s) on the diagnostic chart.

1. Code 42 means the ECM has seen an open or short to ground in the EST or bypass circuits. This test confirms Code 42 and that the fault causing the code is present.

2. Checks for a normal EST ground path through the ignition module. An EST CKT 423 shorted to ground will also read less than 500 ohms; however, this will be checked later.

3. As the test light voltage touches CKT 424, the module should switch causing the ohmmeter to "overrange" if the meter is in the 100-200 ohm position. Selecting the 10,000 to 20,000 ohms position will indicate above 5000 ohms. The important thing is that the module "switched."

4. The module did not switch and this step checks for:
EST CKT 423 shorted to ground.
Bypass CKT 424 open.
Faulty ignition module connection or module.

5. Confirms that Code 42 is a faulty ECM and not an intermittent in CKTs 423 or 424.

Diagnostic Aids:
The Tech 1 does not have any ability to help diagnose a Code 42 problem.

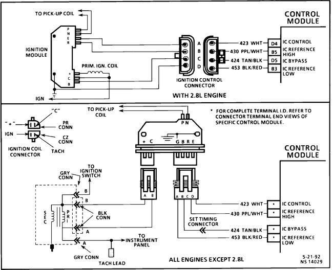
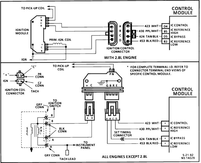
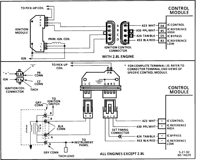
____________________________________________________________________________________________

WITH 4L60E AUTOMATIC TRANSMISSION
DTC 42 IC (PCM/VCM)

See Picture 3

IC Circuit (PCM)

See Picture 4

Circuit Description:
When the system is running on the ignition control module, that is, no voltage on the bypass line, the DI module grounds the Ignition Control (IC) signal. The PCM/VCM expects to see no voltage on the IC line during this condition. If it sees a voltage, it sets DTC 42 and will not go into the IC mode.
When the RPM for IC is reached (about 450 RPM), and bypass voltage is applied, the IC should no longer be grounded in the ignition module so the IC voltage should be varying.
If the bypass line is open or grounded, the ignition module will not switch to IC mode so the IC voltage will be low and DTC 42 will be set.
If the IC line is grounded, the ignition module will switch to IC, but because the line is grounded there will be no IC signal. A DTC 42 will be set.

Test Description:
Number(s) below refer to circled number(s) on the diagnostic chart.

1. DTC 42 means the PCM/VCM has seen an open or short to ground in the IC or bypass circuits. This test confirms DTC 42 and that the fault causing the DTC is present.

2. Checks for a normal IC ground path through the ignition module. An IC CKT 423 shorted to ground will also read less than 500 ohms however, this will be checked later.

3. As the test light voltage touches CKT 424, the module should switch causing the ohmmeter to "overrange" if the meter is in the 100-200 ohm position.

Selecting the 10-20,000 ohms position will indicate above 5000 ohms. The important thing is that the module "switched."

4. The module did not switch and this step checks for:
- IC CKT 423 shorted to ground.
- Bypass CKT 424 open.
- Faulty ignition module connection or module.

5. Confirms that DTC 42 is a faulty PCM/VCM and not an intermittent in CKT's 423 or 424.

Diagnostic Aids:
The Tech 1 does not have any ability to help diagnose a DTC 42 problem.

Let me know if this helps.

Joe
Was this
answer
helpful?
Yes
No
+1
Monday, April 1st, 2019 AT 5:42 PM
Tiny
ROBCDUN
  • MEMBER
  • 9 POSTS
Changed ICM and pickup coil, no change still get code 42. Am going to pull computer and Che k connections and PROM seating next. Checked wiring under hood all seems good.
Was this
answer
helpful?
Yes
No
Thursday, April 4th, 2019 AT 12:30 PM
Tiny
JACOBANDNICKOLAS
  • MECHANIC
  • 110,192 POSTS
Welcome back:

That sounds like a good idea. Let me know if you find anything. Also, have you confirmed fuel pressure?

Joe
Was this
answer
helpful?
Yes
No
Thursday, April 4th, 2019 AT 5:53 PM
Tiny
ROBCDUN
  • MEMBER
  • 9 POSTS
IAC bad, never through a code for that.
Was this
answer
helpful?
Yes
No
Wednesday, May 22nd, 2019 AT 7:24 PM
Tiny
JACOBANDNICKOLAS
  • MECHANIC
  • 110,192 POSTS
Welcome back:

If it up and running properly? As far as the IAC code, under certain conditions, it won't recognize it as bad.
Was this
answer
helpful?
Yes
No
Wednesday, May 22nd, 2019 AT 8:50 PM
Tiny
ROBCDUN
  • MEMBER
  • 9 POSTS
Yes, I don't understand what it was doing to act like that. Glitching in and out I guess.
Was this
answer
helpful?
Yes
No
Thursday, May 23rd, 2019 AT 8:32 AM
Tiny
JACOBANDNICKOLAS
  • MECHANIC
  • 110,192 POSTS
Welcome back:

Interesting. Hopefully, it will never do it again. If it does, please feel free to let me know and we'll try again.

Take care and I hope you have a nice Memorial Day weekend.

Joe
Was this
answer
helpful?
Yes
No
Thursday, May 23rd, 2019 AT 4:34 PM

Please login or register to post a reply.