Brake lights not working properly

Tiny
CORNAN5152
  • MEMBER
  • 2004 JEEP GRAND CHEROKEE
  • 380,000 MILES
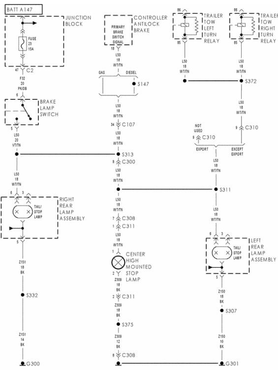
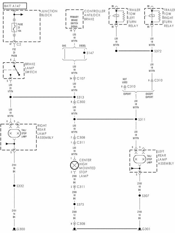
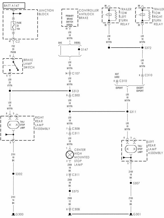
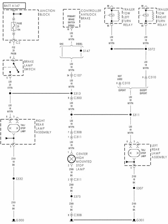
Brake lights come on when Brake light fuse is inserted into its slot, plus Brake lights are on without the Brake light switch being plugged in. What kind of short is this? I replaced all the sockets and got a new driver side tail light assembly. I have to take out the brake light fuse to keep it from draining my battery.
Friday, September 6th, 2019 AT 8:12 PM

1 Reply

Tiny
MASTERWRENCH
  • MECHANIC
  • 258 POSTS
Hello,

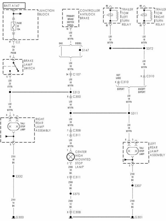
It sounds like there is a short between two of the circuits going to the brake switch. One wire comes directly from Fuse 23(which I assume is the one you've been removing) and the other goes to a pair of splices that supplies power to both tail lamps and the center high mounted stop lamp. I would start by testing for battery voltage on both of the circuits in the brake lamp switch connector. Pin 6 should have power on it as it comes from the fuse. Pin 5 should not have any voltage on it with the connector removed. If you have power on Pin 5, you'll need to start inspecting the wire harness for a pinch or rub through from the connector up into the dash.

Please reference the wiring diagram and connector view attached below along with a link to a quick how-to for test lamp usage (in case you're not familiar).

https://www.2carpros.com/articles/how-to-use-a-test-light-circuit-tester

Please share your results. We love hearing how the story ends!
Was this
answer
helpful?
Yes
No
Sunday, September 8th, 2019 AT 8:39 PM

Please login or register to post a reply.