Monday, March 11th, 2019 AT 3:01 AM
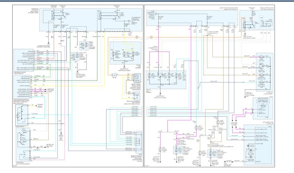
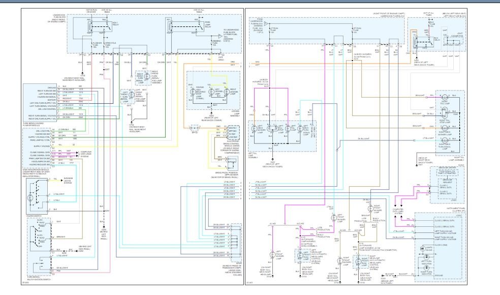
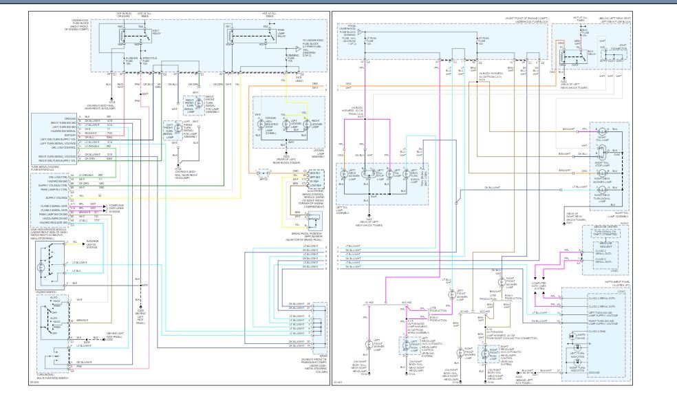
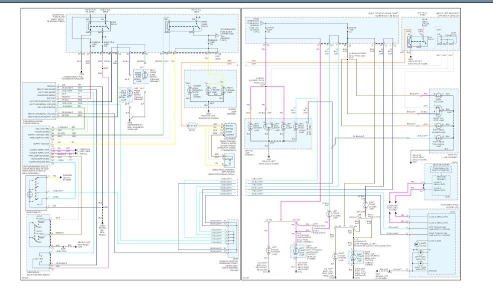
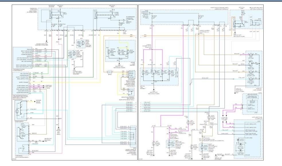
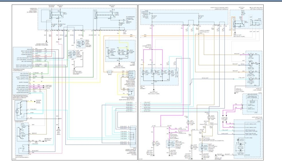
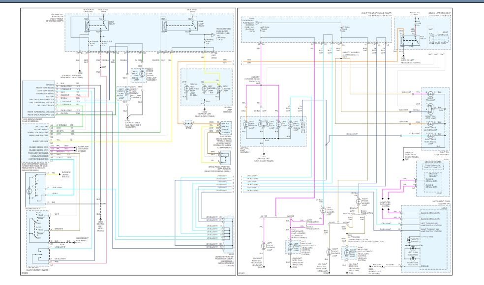
My brake lights won't light up on my car, but the tail lights work. Put a new brake light switch in and I changed the BAS fuse under the back seat and still no results.



