Brand new A/C system not working

2005 BMW 325I
89,000 MILES • 6 CYL • 2WD • AUTOMATIC
Avatar
DANNY EREMIAN
  • MEMBER
  • 8 POSTS
i have installed brand new A/C system, new aux fan, radiator, compressor ans expansion valve. A/C works great but it doesn't come on right away then after several minutes of driving it comes on.
Some sensor?
Mar 17, 2019 at 11:55 AM
Repair Safety Notice: This information is for general instructional purposes only. Vehicle repair can be dangerous. Verify all information, follow manufacturer service procedures, use proper tools and safety equipment, and consult a qualified repair shop when needed.
Advertisement
Avatar
STRAILER
  • CAR REPAIR CONTRIBUTOR
  • 54,206 POSTS
Hello,

Can you say if the air blowing through the vents is not working or the air is blowing but not cold?

Here is a guide that will help us get started:

https://www.2carpros.com/articles/car-air-conditioner-not-working-or-is-weak

Please run down this guide and report back.
Mar 18, 2019 at 2:26 PM
Advertisement
Avatar
DANNY EREMIAN
  • MEMBER
  • 8 POSTS
Hi, and thanks for responding.

Like i said in my question originally, A/C system is brand new, compressor, aux fan, radiator and expansion valve. When the A/C finally kicks on (aux fan and compressor clutch) the system works perfect, ice cold A/C. there is some delay for that to happen and i cannot figure out. yesterday i had Freon tested by a certified mechanic, he does not know the answer to my problem. i am thinking some kind of sensor, i think there is an aux fan sensor?
2005 BMW 325i
Thanks, Danny
Mar 18, 2019 at 10:28 PM
Avatar
STRAILER
  • CAR REPAIR CONTRIBUTOR
  • 54,206 POSTS
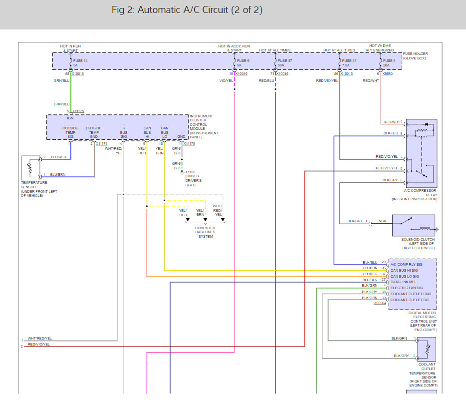
It sounds like the HVAC controller is not working correctly. but to be sure let's check the output signal using this guide and the air conditioner wiring diagrams below:

https://www.2carpros.com/articles/how-to-check-wiring

Check out the diagrams (below). Please let us know what you find. We are interested to see what it is.
Mar 19, 2019 at 10:43 AM
Avatar
DANNY EREMIAN
  • MEMBER
  • 8 POSTS
Hi,
been awhile since we communicated.
i have done a whole lot of trial and error with this situation , changing, coolant sensor, ambient temperature sensor, aux fan relay, compressor relays and to no avail, until i had my friend put on ac computer and the code that came up was solar sensor, i did loads of research and couldn't find much information because apparently these do not go bad very often. i even had BMW try and diagnose, and they couldn't figure it out.
finally i found the location in the front window down in the dash.
i hooked it pulled it out and exposed it and i started to get more response from system.
changing this thing is to pull out complete dash and cluster which i can't afford so i am buying a new one and splicing to old wiring , should work.
but that was the whole problem,
thanks for your help figured you would be interested in final conclusion.

Danny
Jun 11, 2019 at 1:53 PM
Avatar
STRAILER
  • CAR REPAIR CONTRIBUTOR
  • 54,206 POSTS
Glad you could get it fixed, that kind of problem can be tough. Please use 2CarPros anytime we are here to help.
Jun 12, 2019 at 11:40 AM