Sunday, August 9th, 2020 AT 4:07 AM
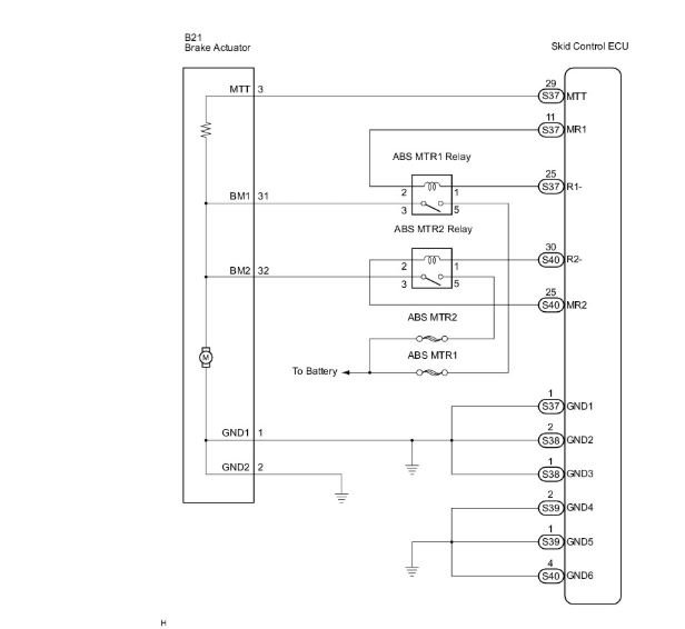
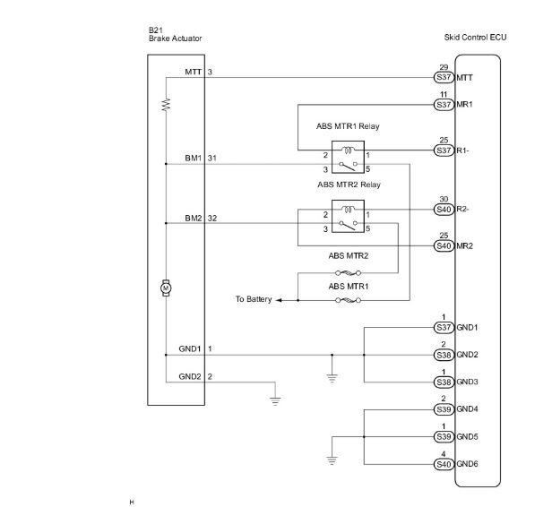
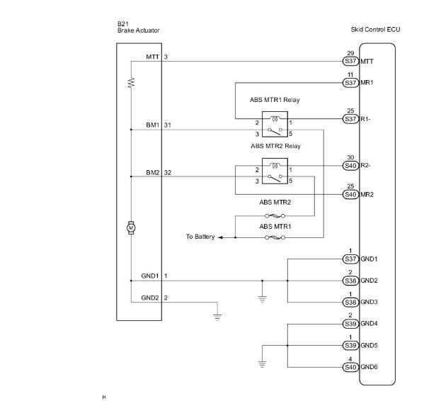
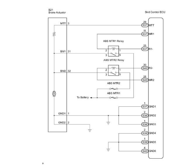
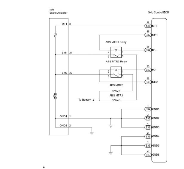
I Just noticed that the brake not so sharp again. The was scanned, with c1252 and 1256 raging. The mechanical personnel changed the ABS actuator and skid control ECU unit but to no avail. Can you please direct on the best way to go? Thanks.




