Monday, June 30th, 2025 AT 6:28 AM
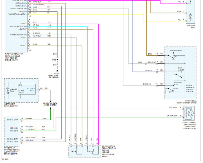
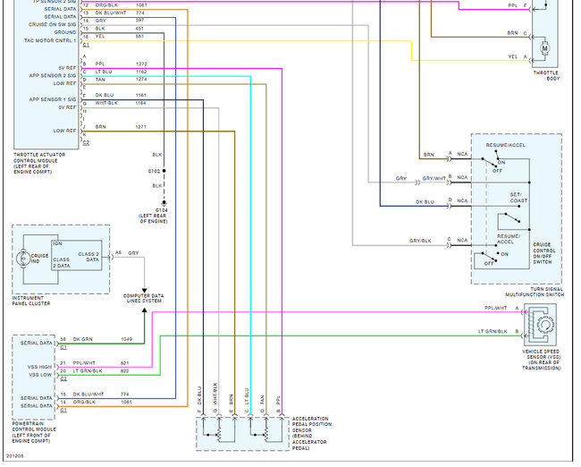
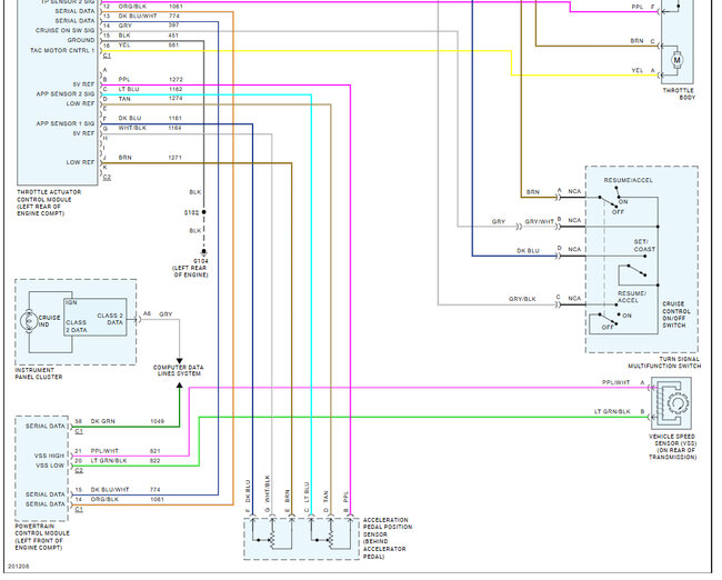
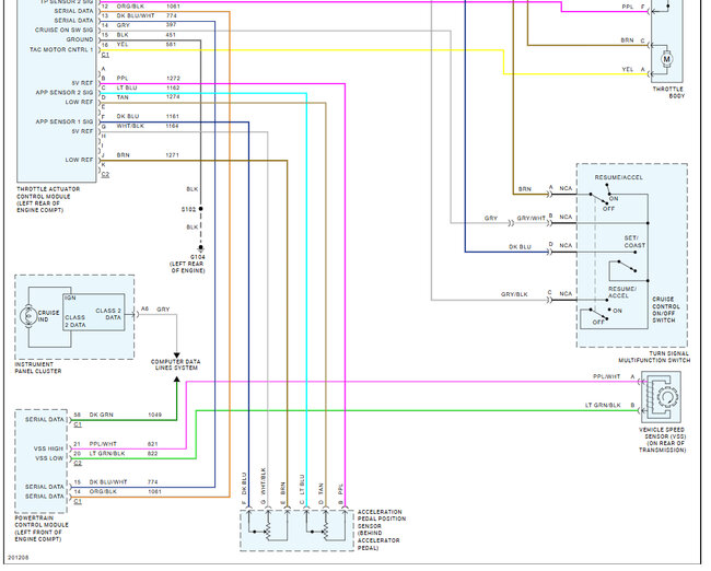
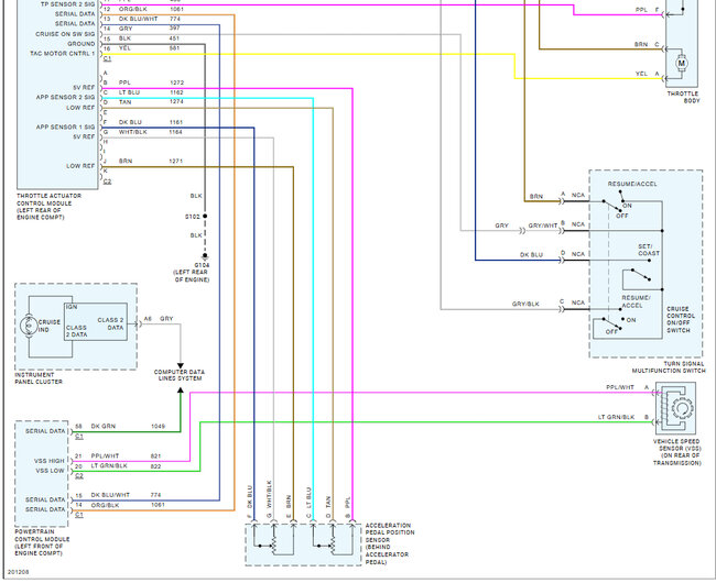
I was having an issue where my cruise control stopped functioning, as well as my back brake lights. Fuses and bulbs were all intact, so I narrowed it down to the brake pedal position sensor mounted to the brake pedal, and replacing it fixed my back brake lights, but not the cruise control. However, after replacing the sensor, the ABS and Parking brake lights are always illuminated. Any ideas? Is there some sort of reprogramming that needs to be done? And as an added bonus, if I could get my cruise control back that would be great.






