Friday, April 9th, 2021 AT 2:21 PM
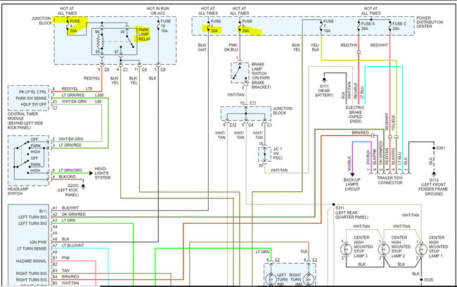
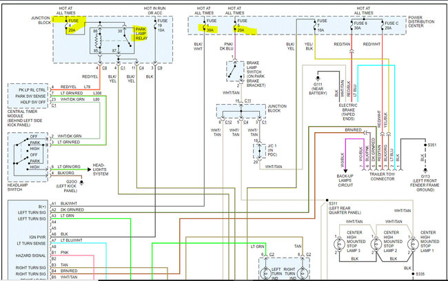
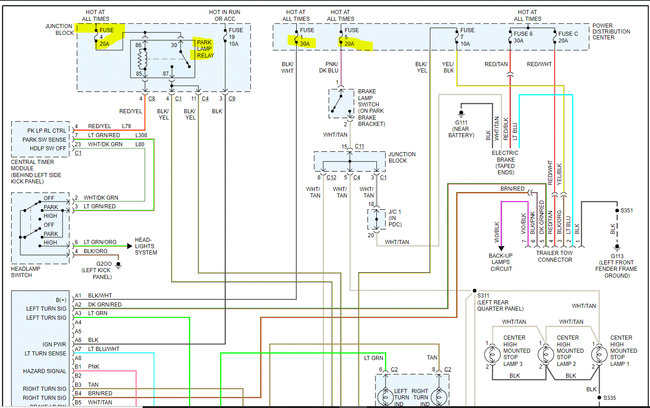
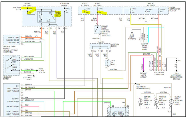
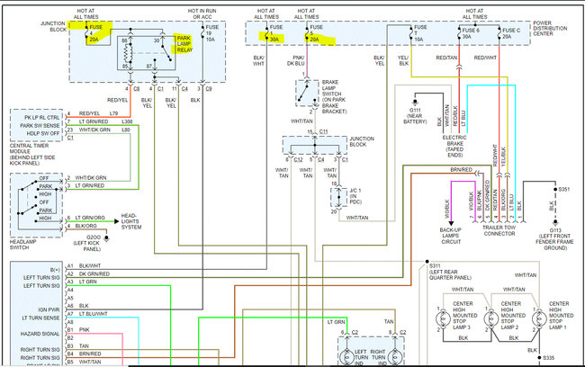
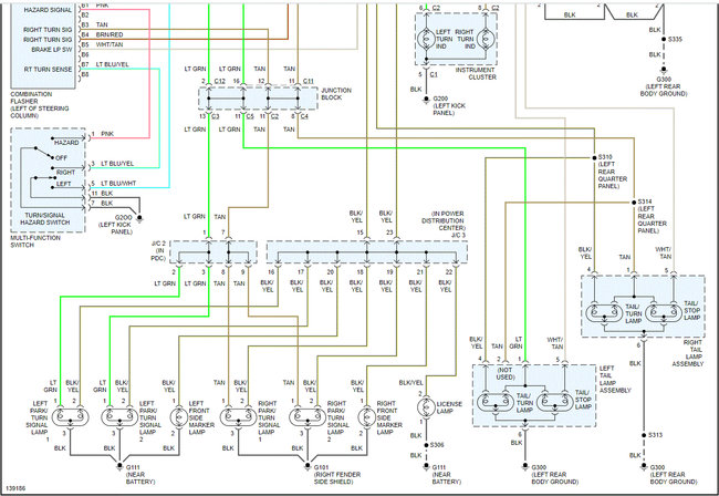
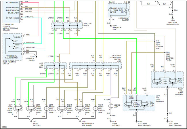
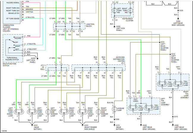
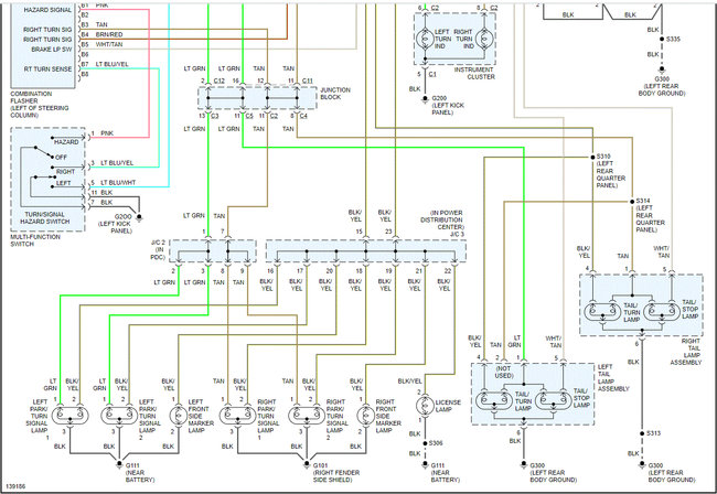
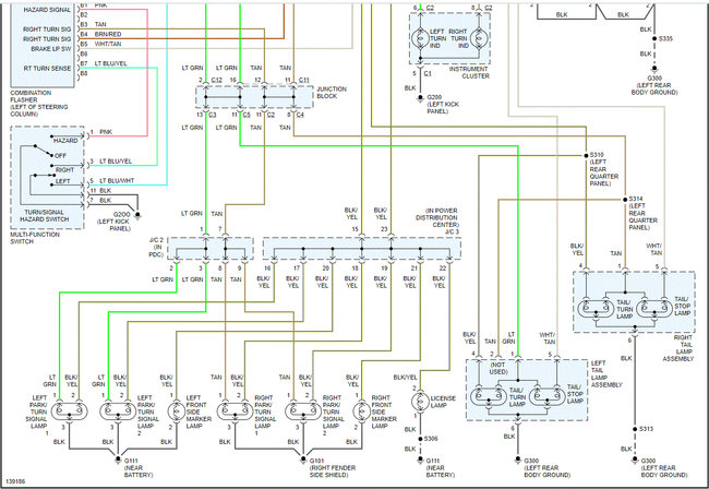
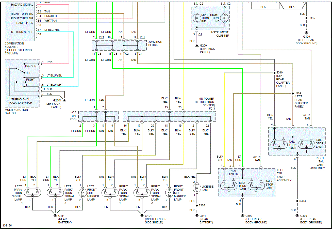
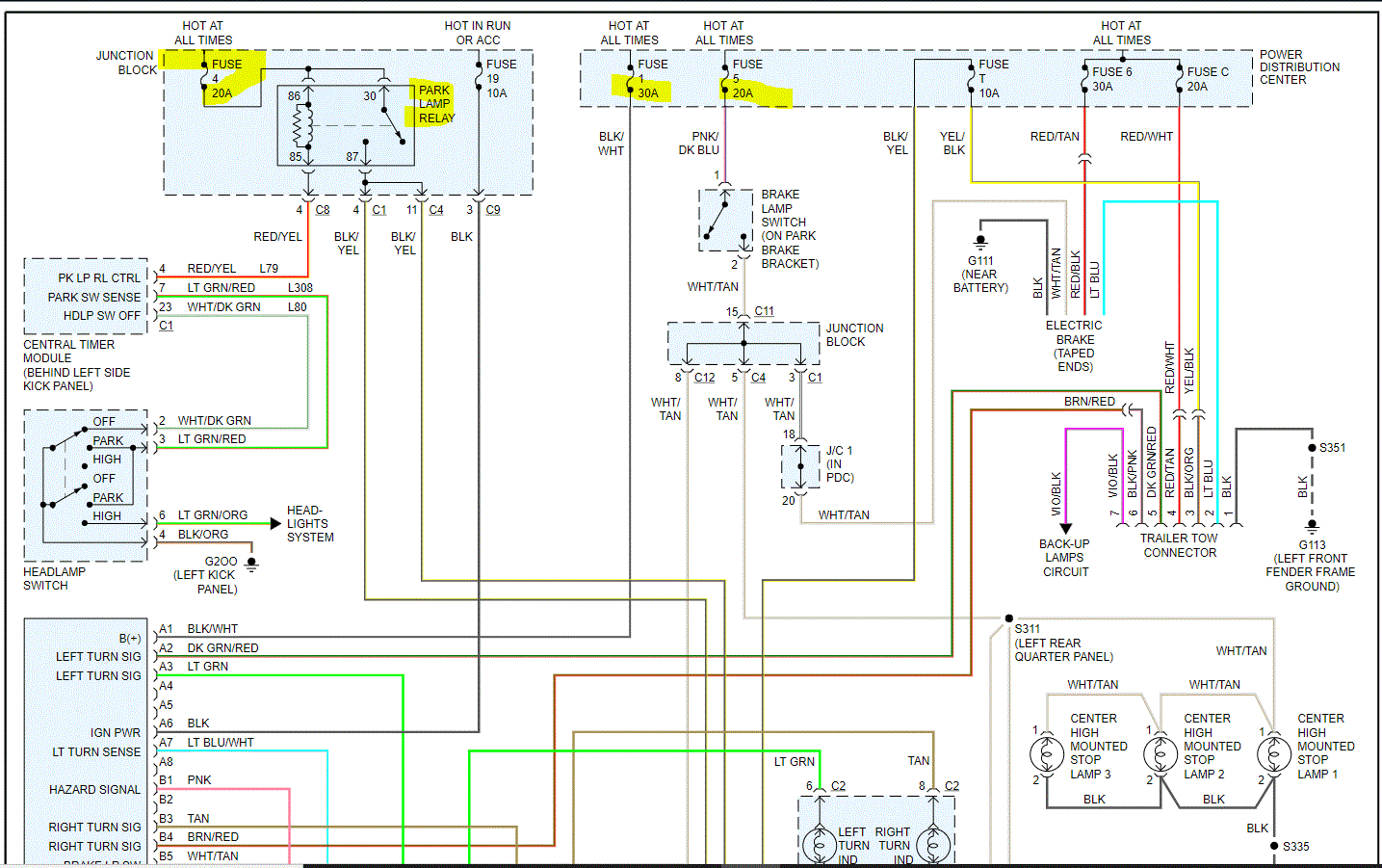
Vehicle listed above, 5.9 R/T. At first, my passenger side brake light and front low beam headlight wouldn't work. Everything else worked fine; turn signals, hazards, running lights, fog lights, but no 3rd brake light. But the passenger headlight does work in high beam? So I replaced all the lights all the way around. Tail lights, marker lights and headlights. Now I don't have any brake lights at all on my tail end, but the 3rd eye light on my tailgate as I replaced those also. Also my turn signals don't work on the rear either but they do on front? None of things were happening until I changed all my lights? Please someone help? Any suggestions as I don't want to get rear ended! Thanks guys!






